目 录
第一章 编制说明……………………………………………………………1
1.1编制说明………………………………………………………………1
1.2编制程序及依据………………………………………………………1
1.3本工程应严格遵循的有关规范、规程、评定…………………………2
1.4综合说明………………………………………………………………4
第二章 工程概况……………………………………………………………5
2.1工程建设概况…………………………………………………………5
2.2工程概况………………………………………………………………5
第三章 施工总体部署及资源配…………………………………………7
3.1工期、质量、安全文明施工目标……………………………………7
3.2施工总平面布置………………………………………………………7
3.3施工区段划分…………………………………………………………24
3.4资源配置………………………………………………………………24
3.5技术准备工作…………………………………………………………27
3.6施工进度计划…………………………………………………………28
3.7施工项目的管理机构和管理职能……………………………………28
第四章 主要施工方案和施工措施………………………………………36
4.1工程施工测量………………………………………………………36
4.2钢筋工程……………………………………………………………40
4.3模板工程…………………………………………………………51
4.4混凝土工程……………………………………………………………61
4.5劲性柱施工方案………………………………………………62
4.6附着式电动整体升降外脚手架工程………………………………74
4.7内脚手架搭设方案………………………………………………93
4.8砌体工程…………………………………………………………95
4.9屋面工程…………………………………………………………98
4.10楼地面工程………………………………………………………100
4.11防火门安装工程……………………………………………………101
4.12装饰工程………………………………………………108
第五章 质量保证措施……………………………………………………112
5.1质量保证体系………………………………………………………113
5.2质量保证体系运行及目标管理……………………………………113
5.3质量预控及检测程序的确立………………………………………114
5.4质量保证措施的流程控制…………………………………………115
5.5技术管理措施………………………………………………………116
5.6施工准备阶段的质量管理…………………………………………119
5.7施工阶段的质量管理………………………………………………119
5.8各分项质量控制点设置……………………………………………120
5.9建筑材料管理措施…………………………………………………133
5.10竣工后服务…………………………………………………………135
第六章 创无渗漏工程施工技术措施……………………………………136
6.1工程防水管理措施…………………………………………………136
6.2工程防水技术措施…………………………………………………137
第七章 安全保证措施……………………………………………………146
7.1安全目标……………………………………………………………146
7.2安全保证体系………………………………………………………146
7.3建立健全各项安全管理制度………………………………………149
7.4现场施工安全措施…………………………………………………150
7.5吊装作业安全措施…………………………………………………158
7.6施工现场消防防火措施……………………………………………158
7.7施工现场治安保卫措施……………………………………………159
7.8突发事件应急救援措施……………………………………………160
第八章 现场文明施工及环境保护措施…………………………………161
8.1文明施工目标………………………………………………………161
8.2文明施工保证体系…………………………………………………161
8.3文明施工布置说明…………………………………………………161
8.4场容场貌保证措施…………………………………………………165
8.5文明施工管理措施…………………………………………………165
8.6环境保护方案及措施………………………………………………181
第九章 工期保证措施……………………………………………………184
9.1工程工期目标………………………………………………………184
9.2确保工期措施………………………………………………………184
9.3工程进度控制管理措施……………………………………………186
9.4保证工期的劳动力管理……………………………………………187
9.5合同资金控制管理…………………………………………………188
第十章 成品保护措施……………………………………………………189
10.1成品保护措施……………………………………………………189
10.1土建施工的保护……………………………………………………189
第十一章 特殊阶段施工保证措施…………………………………………191
11.1雨期施工技术措施…………………………………………………191
11.2夏季施工技术措施…………………………………………………192
11.3冬季施工技术措施…………………………………………………193
第十二章 降低成本措施……………………………………………………196
12.1材料管理措施………………………………………………………196
12.2经济核算措施………………………………………………………196
12.3技术经济措施………………………………………………………196
12.4加强机具管理减少机械费用措施…………………………………197
12.5合理安排劳动力措施………………………………………………197
第十三章 与专业分包、相关单位的协调及配合…………………………199
13.1与业主的配合协调措施……………………………………………199
13.2对专业分包管理协调措施…………………………………………199
13.3对设计院、监理单位的协调配合措施……………………………200
13.4与周边环境的协调措施……………………………………………200
第一章 编制说明
1.1编制说明
经与建设单位签订XXXXX花园1#楼上盖工程施工合同,我公司认真研究了合同的内容以及施工图纸,并对施工现场的实地踏勘,在分析了施工特点、要点、难点后,集合本公司的技术人员编制了本施工组织设计。
在实际施工过程中,本项目部将以本施工组织设计为指导,结合现场实际情况,确保工程优质、按期完工。
1.2编制程序及依据
1.2.1编制程序
按照合同内容、施工图纸及相关资料,我公司将按以下几个部分进行编写:
(1)编制说明
(2)工程概况
(3)施工总体部署及资源配置
(4)主要施工方案
(5)质量保证措施
(6)创无渗漏工程施工技术措施
(7)安全保证措施
(8)现场文明施工和环境保护措施
(9)工期保证措施
(10)成品保护措施
(11)特殊阶段施工保证措施
(12)降低成本措施
(13)与专业分包、相关单位的配合及协调
1.2.2编制依据
(1)XXXXX花园1#楼上盖工程施工图纸;
(2)XXXXX花园1#楼工程地质勘察资料;
(3)XXXXX花园桩基沉降对轨道交通线车站及区间隧道产生附加变形影响的预评估技术咨询报告;
(4)建设单位和设计单位对工程施工提出的有关要求;
(5)我国现行的施工规范和操作规程及国家质量评定标准;
(6)施工图中有关规定及选用的标准图;
(7)国家现行法律、法规;
(8)有关安全生产、文明施工的标准要求和规定;
(9)我国现行的有关机械设备和材料的施工要求和标准;
(10)上海市建筑配件通用图集。
1.3本工程应严格遵循的有关规范、规程、评定
| 序号 | 规范、规程、评定标准名称 | 标准编号 |
| 1 | 工程测量规范 | GB50026-93 |
| 2 | 建筑地基基础工程施工质量验收规范 | GB50202-2002 |
| 3 | 高层建筑箱形与筏形基础技术规范 | JGJ6-99 |
| 4 | 地下工程防水技术规范 | GB50108-2001 |
| 5 | 地下防水工程施工质量验收规范 | GB50208-2002 |
| 6 | 混凝土结构工程施工质量验收规范 | GB50204-2002 |
| 7 | 砌体工程施工质量验收规范 | GB50203-2002 |
| 8 | 蒸压加气混凝土砌块建筑构造 | 03J104 |
| 9 | 中型砌块建筑设计与施工规程 | JGJ5-80 |
| 10 | 建筑抗震加固技术规程 | JGJ116-98 |
| 11 | 屋面工程质量验收规范 | GB50207-2002 |
| 12 | 玻璃幕墙工程技术规范 | JGJ102-2003 |
| 14 | 建筑地面工程施工质量验收规范 | GB50209-2002 |
| 15 | 建筑装饰装修工程施工质量验收规范 | GB50210-2001 |
| 16 | 建筑防腐蚀工程施工及验收规范 | GB50212-2002 |
| 17 | 建筑工程冬期施工规程 | JGJ104-97 |
| 18 | 建筑工程施工质量验收统一标准 | GB50300-2001 |
| 19 | 玻璃幕墙工程质量检验标准 | JGJ/T139-2001 |
| 20 | 建筑防腐蚀工程质量检验评定标准 | GB50224-95 |
| 21 | 混凝土质量控制标准 | GB50164-92 |
| 22 | 回弹法检测混凝土抗压强度技术规程 | JGJ/T23-2001 |
| 23 | 混凝土强度检验评定标准 | GBJl07-87 |
| 24 | 建筑工程饰面砖粘结强度检验标准 | JGJ110-97 |
| 25 | 建筑施工安全检查标准 | JGJ59-99 |
| 26 | 砌体工程现场检测技术标准 | GB/T50315-2000 |
| 27 | 建筑施工高处作业安全技术规程 | JGJ80-91 |
| 28 | 建筑施工扣件式钢管脚手架安全技术规程 | JGJ130-2001 |
| 29 | 现场施工临时用电安全技术规范 | JGJ46-88 |
| 30 | 建设工程施工现场供用电安全规范 | GB50194-93 |
| 31 | 建筑给水排水及采暖工程施工质量验收规范 | GB50242-2002 |
| 32 | 通风与空调工程施工质量验收规范 | GB50243-2002 |
| 33 | 建筑电气工程施工质量验收规范 | GB50303-2002 |
| 34 | 电梯工程施工质量验收规范 | GB50310-2002 |
| 35 | 建设工程项目管理规范 | GB/T50326-2001 |
| 36 | 建设工程文件归档整理规范 | GB/T50328-2001 |
| 37 | 建筑变形测量规程 | JGJ/T8-97 |
| 38 | 工程建设标准强制性条文·房屋建筑部分 | 建标[2002]219号 |
| 39 | 混凝土泵送施工技术规范 | JGJ/T10-95 |
| 40 | 混凝土外加剂应用技术规范 | GB50l19-2003 |
| 41 | 机械设备安装工程施工及验收通用规范 | GB50231—98 |
| 42 | 起重设备安装工程施工及验收规范 | GB50278-98 |
| 43 | 钢筋焊接及验收规范 | JGJl8-2003 |
| 44 | 钢筋焊接接头试验方法 | JGJ/T27-200l |
| 45 | 建筑塔式起重机安全规程 | GB5144-94 |
| 46 | 起重机械安全规程 | GB6067-85 |
| 47 | 建筑卷扬机安全规程 | GBl3329-91 |
| 48 | 弧焊设备安全要求 | GBl5579-95 |
| 49 | 建筑机械使用安全技术规程 | JGJ33-2001 |
1.4综合说明
1.4.1为给业主提供最优质的服务:首先,在我公司一定抓紧落实好施工前的准备工作,保证工程能够在最短时间内顺利开工;然后,配置优秀的技术力量、施工队伍及充足的施工机械,按已审定的施工方案组织施工,充分发挥我公司的管理及技术优势,对每道工序做到施工前科学分析、施工中严格控制、施工后按标准检查,确保工程优质、按期完工。
1.4.2施工期间,我公司将积极认真的采纳业主、监理及设计单位提出的有利于本项工程的宝贵意见,使施工顺序、工程管理和技术措施更为合理。为保证本工程优质、快速、全面完成,凡属我公司范围内的工程绝不转包。
1.4.3我公司将按上海市建委颁布的有关建筑工程施工现场标准化管理规定组织现场文明创建施工。加强工地安全保卫和防火工作,进出施工现场出示证件,做到无证不得入内,争创“优质、高速、整洁、文明”的达标工地。施工过程中,加强同周边居民的沟通与协调,解决施工过程中的噪音扰民问题。加强‘与政府社会各有关部门的沟通联系,确保工程有序进行。
第二章 工程概况
2.1工程建设概况
(1)工程名称:XXXX花园1#楼上盖工程
(2)建设地点:上海**区XXX路与XXX路口
(3)建筑面积:64087.24平方米
(4)建设单位:上海XXX房地产发展有限公司
(5)设计单位:上海XXX建筑设计有限公司
(6)建筑顾问:XXX建筑师有限公司
(7)结构顾问:XXX建筑工程师有限公司
(8)机电顾问:XXX工程技术有限公司
(9)估算师:XXX咨询(上海)有限公司
(10)监理单位:上海XXX工程管理咨询有限公司
2.2工程概况
2.2.1周边环境
本工程名为XXXXX花园1#楼上盖工程,位于上海市**区XXX路、XXX路口。基坑西侧为同期建设的地铁线**大桥站;基坑南侧为XXX路,XXX路南侧有若干栋1~6层的砖混结构建筑物与基坑间的距离超过16m;基坑北侧为地铁沿线Ⅰ-1区(10#楼)和Ⅰ-1区(11、18、19#楼)施工场地,其中Ⅰ-1区(18、19#楼)拟定于2008年6月开挖,Ⅰ-1区(10#楼)及Ⅰ-1区(11#楼)开挖日期尚未明确;基坑东侧为Ⅲ-1区和Ⅱ-3区施工场地,Ⅱ-3区施工场地上有医院待拆迁;基坑东侧再远处为Ⅰ-2区,现已开挖进行地下室结构施工。
2.2.2建筑概况
本工程建筑层数为地下3层,地上35层,其中裙房为4层;建筑高度为163.485米;地下建筑深度为15.4米;建筑类型为超高层办公楼。
本工程地下建筑面积16369.39 m2,地上计容积率面积59575.35 m2,地上不计容积率面积4511.89 m2, 本号房合计地上可建面积为64087.24 m2。
本工程铝合金外门窗采用彩色断热铝型材;防火门选用木质防火门;主楼及裙房采用单元式铝板结合玻璃幕墙系统。
本工程卫生间、开水间、水泵房地面防水采用1.5厚水泥基防水涂料一道;屋面防水采用高分子防水涂料1道1.5厚+高分子防水卷材2道3厚。
2.2.3结构概况
本工程室内设计地坪±0.000的绝对标高为4.200m。
本工程结构形式为钢筋混凝土框架筒体墙结构体系;防火等级1级;抗震设防烈度为7度;抗震等级一级。
混凝土强度等级:地下室基础底板用C35。地下一层楼面结构标高以下地下室外墙及基础底板抗渗等级S8。地下一层楼面结构标高以上地下室外墙抗渗等级S8。混凝土强度等级详见下表:
| 建筑物总层数 | 墙、柱混凝土强度等级 | 梁、板混凝土强度等级 |
| 39层 | 基础底板~5层楼面结构标高:C60 | 基础底板~5层楼面结构标高:C40 |
| 5层楼面结构标高~24层楼面结构标高:C50 | 5层楼面结构标高~24层楼面结构标高:C40 | |
| 24层楼面结构标高~32层楼面结构标高:C40 | 24层楼面结构标高~32层楼面结构标高:C40 | |
| 32层楼面结构标高以上:C30 | 32层楼面结构标高以上:C30 |
钢筋:Ø-HPB235;Φ-HRB335;-HRB400。
墙体材料:非承重墙体为轻钢龙骨内隔墙;其余非承重墙均采用蒸压加气混凝土砌块,厚度分别为100、200、250。
第三章 施工总体部署及资源配置
3.1工期、质量、安全文明施工目标
3.1.1工期目标
开工日期:2008年6月10日;
结构封顶日期:2009年3月6日(270天);
整体竣工日期:2009年10月31日。总工期:509天。
实际开工日期以开工令为准,竣工日期以有关部门竣工核验签证为准。
3.1.2质量目标
工程质量达到一次性验收合格,确保达到上海市“白玉兰”工程,争创鲁班奖。
3.1.3安全文明目标
确保达到上海市文明工地,杜绝重大伤亡事故发生,消灭安全责任事故。
3.2施工总平面布置
3.2.1施工总平面图设计依据
我司将根据本工程施工合同、建筑总平面图、现场踏勘结果,并结合整个开发项目分区施工的要求,分阶段对其进行现场布置,并及时根据每个分区的开工时间来优化调整,来满足整个项目的施工需要。具体详见施工总平面布置图。
3.2.2临时设施设置
3.2.2.1施工进出口:本工程在XXXXX路侧设置一个施工进出口。
3.2.2.2本工程办公区设置于施工进出口东侧,为2层彩钢板房,内设9间办公室及一间会议室;民工生活区设置于施工现场外,为2层彩钢板房,内设食堂、厕所、浴室等生活卫生设施。
3.2.2.3施工场地排水:沿建筑物四周、施工道路旁砌筑排水沟。并布设沉淀池,将污水引入沉淀池沉淀后排入城市雨水管网。
3.2.2.4施工现场场地全部浇筑200mm厚C20砼,并用铁抹子一次抹光,大门旁设车辆冲洗台,用以冲洗出入工地的车辆。以杜绝运输对城市道路和周围生活环境的污染。
3.2.2.5施工期间所需钢筋、模板等均在现场各作业区内制作完成后吊运至施工作业面。
3.2.2.6大门及围墙设计
3.2.2.6.1大门
大门门柱采用砖砌筑,门柱尺寸800×2500mm,全部刷白色乳胶漆,并喷涂红色的“企业标语”。大门采用薄钢板制作,为对开推拉门,尺寸4000×2200mm,刷深蓝色乳胶漆,喷涂红色“企标”及白色“企业名称”。右侧大门另开一800×2000mm小门,供平时工作人员出入用,大门平时关闭。
3.2.2.6.2围墙
围墙采用240空斗墙砌筑,砌筑高度2m,墙面砂浆抹灰并刷白,墙面上 书写企业标志和企业名称。
3.2.2.7标牌及图牌
3.2.2.7.1门口施工标牌
靠近大门口右侧放置施工标示牌。材质:铝合金组合框,外镶玻璃,内镶“施工平面布置图、卫生包干区图、工程概况、安全生产管理制度、消防保卫管理制度、项目组织机构、文明施工管理制度、安全计时牌”等八牌二图。
3.2.2.7.2其它标牌
如项目部办公区各部室门口张贴铜制名牌;各办公室内悬挂岗位责任制;会议室内悬挂企业简介、组织机构图、管理网络图、质量、安全文明目标;办公室内悬挂的网络计划图、操作规程图牌、安全警示牌等等标示牌。
上述各种图牌都由专业人员统一设计制作。
3.2.2.8施工用电
施工现场各种配电箱全部购买专业厂家生产的标准电箱,上刷企业名称及企业标志。
3.2.3垂直机械布置
我司在1#楼地下室结构施工时已布置了一台臂长为70m的塔吊,型号为MC320 K16,综合考虑主楼的高度及场地面积,此塔吊能满足1#楼主体结构施工时的垂直运输;另在装饰施工阶段我司将安装1台高速人货电梯进行垂直运输(具体位置详见主体结构及粗装修阶段施工现场平面布置图)。
3.2.4现场库房、加工棚及堆场布置
在主体结构施工阶段,由于1#楼施工场地有限,我司拟在地铁沿线Ⅰ-1区(10#楼)施工区域(注:此区域桩基及加固已施工完毕)搭设加工棚及材料堆场,在Ⅲ-1区(注:此区域桩基已施工完毕)场地上材料堆场。
3.2.4.1钢筋加工棚
在地铁沿线Ⅰ-1区(10#楼)施工区域内搭设一钢筋加工棚,用钢管做支架,顶盖石棉瓦并搭设双层安全防护。钢筋加工棚尺寸为6×15m。
3.2.4.2木工加工棚
在钢筋加工棚北侧搭设一木工棚,用钢管做支架,顶盖石棉瓦并搭设双层安全防护。木工棚三面彩钢板封闭。
3.2.4.3周转料堆场
木方、模板周转料堆场设置在木工棚附近,钢管、竹笆片等周转料堆场设置在临时库房北侧。所有材料均按规定码放。
3.2.4.4临时库房
在Ⅱ-3区场地内搭设一幢一层彩钢板房,尺寸为5.4×18m,共5间,内设临时库房及工具间。
3.2.4.5干粉砂浆筒及砌块堆放场
在砖砌墙及抹灰阶段,由于相邻Ⅰ-1区(10#楼)及Ⅲ-1区均开始进入土方及地下室施工阶段,故在上述区域内的临时设施及加工棚均移除。
在1#楼裙房区域以外的地下车库顶板上设置干粉砂浆筒及砌块堆场。
具体可详见粗装修阶段施工现场平面布置图。
3.2.5施工用水
施工用水根据业主提供的DN150管径的接口,我公司将对建设方提供的水管进行加密敷设,由现场装上水表引接管径DN100的支管,敷设至各施工用水地点。在上部结构的施工中,加装加压泵,施工用水用钢管靠在外脚手上垂直向上敷设,具体布置见施工现场平面布置图。
3.2.6施工用电
工地北侧有一个甲方提供的800KVA的箱式变压器作为配电室,底部离地距离约为0.8米,一次侧为10KV电源三相三线制供电,二次侧为三相四线制中性点直接接地,电压0.4KV,整个工地同时开工,现场用电设备较多,施工场地狭小。
3.2.6.1施工机械配置情况
本工程按主体、装饰两大部分分析,主体施工阶段属于用电高峰,根据主体施工阶段来计算现场总用电量,主体施工阶段施工机械见下表。
主体施工阶段施工用电动机械设备配备
| 序号 | 设备名称 | 规格(型号) | 数量(台) | 单机功率(KW) | 总功率(KW) |
| 1 | 塔吊 | MC320 K16 | 1 | 80 | 80 |
| 2 | 高速人货电梯 | SCD300/300VJ | 1 | 132 | 132 |
| 3 | 钢筋弯曲机 | GWL—32 | 2 | 3 | 6 |
| 4 | 钢筋切断机 | GQL—40B | 2 | 3 | 6 |
| 5 | 高压水泵 | 1 | 11 | 11 | |
| 6 | 圆盘锯 | MJ105 | 2 | 4 | 8 |
| 7 | 平板刨 | MPB—5 | 1 | 4 | 4 |
| 8 | 砼振动器 | 8 | 1.5 | 12 | |
| 9 | 潜水泵 | 5 | 3 | 15 | |
| 10 | 卷扬机 | 5.5 | 1 | 5.5 | |
| 11 | 钢筋直螺纹机 | GJLW—40 | 2 | 4 | 8 |
| 合计 | 287.5 | ||||
3.2.6.2主体施工阶段施工用电焊机及电焊装置设备
| 序号 | 设备名称 | 规格(型号) | 数量(台) | 视在功率
(KVA) |
总功率
(KW) |
等效功率
(KW) |
| 1 | 对焊机 | UN1—100 | 1 | 100 | 100 | 44.5 |
| 2 | 电焊机 | BX-500 | 3 | 50 | 50 | 30 |
| 3 | 电焊机 | BX-300 | 3 | 20 | 20 | 14 |
| 4 | 电焊机 | BX-200 | 4 | 15 | 15 | 8 |
| 合计 | 185 | 96.5 | ||||
3.2.6.3施工现场所需照明灯具
3.2.6.3.1室外照明
| 序号 | 灯具名称 | 规格(KW) | 数量(盏) | 容量(KW) | 等效功率(KW) |
| 1 | 镝灯 | 3.5 | 8 | 21 | 23 |
| 2 | 碘钨灯 | 1 | 20 | 20 | 22 |
| 3 | 工棚灯 | 0.1 | 30 | 3 | 3 |
| 合计 | 48 | ||||
3.2.6.3.2办公室用电
| 序号 | 设备名称 | 规格(KW) | 数量(只) | 容量(KW) | 等效功率(KW) |
| 1 | 日光灯 | 0.040 | 30 | 1.2 | 1.5 |
| 2 | 空调 | 1.5 | 12 | 18 | 20 |
| 3 | 其他 | 8 | 8 | ||
| 合计 | 29.5 | ||||
3.2.6.3.3计算方法:
采用对施工用电量的估算法,即用下列经验公式
∑Pn
Ss=K1------------- +K2×∑Sn
η×COSφ
式中: Ss————施工设备所需容量(KVA)
∑Pn———全部电动机额定功率之和(KW)
∑Sn———全部电焊机额定功率之和(KVA)
K1———电动机需用系数,电动机10台以内时取 K1=0.7,11—30时,取K1=0.6
K2———电焊机需要系数,电焊机3—10时取K2=0.4,10台以上时,取K2=0.35
COSφ——电动机平均功率因数,一般建筑工地取0.65——0.75
考虑照明用电量,一般在动力用量以外在加上10%,作为照明用电量即可
∑Pn
Ss=K1------------- +K2×∑Sn
η×COSφ
317
=0.6×------------- +0.35×185
0.9×0.7
=366.7(KVA)
加10%照明总负荷为403.4KVA
3.2.6.4工地提供800KVA箱式变电站能满足施工需求,到后期装饰施工阶段,施工机械虽然较少,但大部分设备开始调试,要求有较高的输电质量,才能满足先期的调试要求。
施工现场用电布置
施工现场按“三级配电、两级保护”的要求设置临时用电,采用三相五线制进行输电,保护零线不得与工作零线混用,施工现场用电线路布置原理采用如下方式:
Ⅲ级动力
配电箱
Ⅱ级配电箱
Ⅲ级照明
配电箱
Ⅲ级动力
配电箱
立地配电间
Ⅰ级配电箱
Ⅱ级配电箱
Ⅲ级照明
配电箱
Ⅲ级动力
配电箱
Ⅱ级配电箱
Ⅲ级照明
配电箱
3.2.6.4.1总箱变:
总箱变位于工地出入口处,容量800KVA,三路电分别从箱变空气开关上引出,一路引出沿南、西围墙布设,第二路引出沿东布设,第三路沿中部供北侧和施工高吊、施工电梯。
3.2.6.4.2工地配电室
根据本工地用电实际情况,工地设置两个工地配电间,分别布置在工地西侧中部,和工地南侧中部,电源从箱变引来。
3.2.6.4.3施工用电分配电箱的设置
基础施工阶段分配电箱根据具体情况具体布置,主体施工阶段分配电箱设置在施工层,在装饰阶段每隔3层设立一只分配电箱,以满足小型电气设备和照明等施工需要。
注:配电箱采用安检站推荐厂家的产品。
3.2.6.5导线的截面规格的选择
现场三条主电缆配制如下:
1)中部主回路用YW—3×95+2×50电缆布设。
2)工地东配电室采用VV22—3×95+2×50电缆沿围墙布设。
3)工地西配电室采用VV22—3×95+2×50电缆沿围墙布设。
3.2.6.6安全用电技术措施和电气防火措施
3.2.6.6.1安全用电技术措施
1)建立健全用电管理制度,各处设立专职的值班电工,配合安全员对临时用电进行管理。值班电工必须持证上岗,经常对现场的电气线路和设备进行安全检查,定期测试电气绝缘、接地接零电阻、漏电保护器等开关是否完好。并做好内业资料,台讯季节要强化检查,对查出的问题限期整改。
2)建立对总配电室、各路配电箱、供电线路及设备检查、维修、保养等安全管理制度,严禁电气设备带病运行。
3)每台电气设备必须执行三级配电、二级漏电保护装置。
4)每台电气设备应用各自的开关箱,必须实行“一机、一闸、一漏、一箱”制,严禁用同一只开关箱直接控制二台及二台以上的用电设备(含插座)。
5)电源进线电缆应遵循下进上出的原则,在箱内经固定后分别接配电箱的L、N、PE各端。视负载额定容量,正确选择熔体,室使熔断器可靠的、有效的 起到短路保护和断开点的作用。熔体应采用合格的铅合金熔丝,严禁用铁丝、铝丝等非专用熔丝替代,严禁用多股熔丝代替一根较大的熔丝。
6)电源接入配电箱后,必须先检测再使用:不接负荷,分别合闸,依次检测每一漏电断路器,实验按钮应迅速自动分闸,断开电源,操作手柄退回到“分”或“0”位置为合格。配电箱周围必须无杂物,有操作位置。
7)配电箱投入正常使用后,应由专业人员每月测试一次,并作书面记录。各级配电箱明确专人负责,做好检查维修工作。箱内应保持整洁,不准存放任何东西,箱周围应保持道路畅通。施工现场的固定漏天电箱、分电箱必须架空设置,其底边距地高度不小于0.6米。
8)所有配电箱必须符合上海市有关规定,具有合格证,配好门锁,做好跨接,总配电箱、分配电箱下口应三面封闭,做好油漆,漏天配电箱应搭好双层防坠棚。
9)遵守送电、停电的操作程序:用电→总开关→分路开关→电源未尾的漏电开关;停电反之操作。
10)使用各种规格的配电箱必须遵守:a、空气断路器仅作总开关,转接用。b、50mA的漏电断路器只作转接用(100mA除外)。C、30mA的可作负载前端用。
11)凡断路器合不上闸,自动跳闸,禁止强行合闸,应查出原因、排除故障后才能合闸送电。
12)选用配电箱应计算匹配、负载的额定计算电流应小于控制箱额定电流。机械限位必须接入箱内标注“限位接线”处。
13)电缆必须用五芯橡皮电缆,保护零线严禁通过任何开关和熔断器,与工作零线不可混用。重复接地必须加在PE线上。
14)现场总配、分配应做好重复接地,塔吊、人货电梯均应做好重复接地和防雷接地,其接地电阻值不得大于规定值。
15)所有电气设备的保护零线应以并联方式与零干线连接。零线的断面不应小于相线载流量的一半,零线上不准装设开关和断熔器,单相电器设备必须设置单独的保护零线,不得利用设备自身的工作零线兼做接地保护。
16)分配电箱与开关的距离不超过30m,开关箱与其控制的电气水平距离不超过5m。
17)所有的电焊机必须使用二次降压器。其一次侧电源应用橡套电缆线,长度不得超过5m。
18)移动式碘钨灯的金属灯架应有可靠的接地(接零)保护和漏电开关保护,灯具距地不低于2.5m。
19)施工现场的照明电压必须执行如下规定:
一般施工现场 220V
工作手灯 36V
危险场所 36V
地下室 36V
无触电保护的移动式照明 36V
如要使用36V电压,则应用小型变压器将220V降压至36V使用。
20)手持电动工具必须选用II类工具,必须由额定漏电电流不大于30mA、动作时间不大于0.1s的漏电开关保护。
21)室内垂直干线应采用护套电缆,其固定点间距不大于3m,不准直接绑扎在金属支架上。
22)职工宿舍、办公室线路必须按规范要求架设,严禁将插座与扳拨开关靠近装设,严禁在床沿装设床头灯和插座。
23)建立停电检修挂牌制度,安装、维修或拆除临时用电工程必须由电工完成。
3.2.6.6.2电气防火措施
1)根据送配电“五防一通”,配电室采用成套箱式变压器,并配置黄砂桶及二只干粉灭火器。
2)各灯配电箱、开关板应采用阻燃及高度绝缘材料,总配电箱、分配电箱位置安规范配置灭火器。
3)各类电线绝缘层、PVC管均使用耐燃材料。
4)各类电动机要按电机容量配置、布线及合理使用熔断器、熔体及漏电开关。
5)使用电焊设备,必须实行动火审批手续,做好专人看护和隔离工作。
6)对重点防火区域、易燃、易暴、危险品仓库应采取相应的电气防燃、防暴措施,并配置相应的灭火器材。
7)对办公室、宿舍、料具用房:
(8)选择的电线与电气设备的容量相匹配。
(9)禁止乱拉、乱接电线及插座。
(10)禁止使用碘钨灯及电炉等大功率的用具,并配备好灭火器。
8)发生电气火灾应立即拉断上级电源开关,采用黄砂或干粉灭火器灭火,严禁用水灭火。
3.2.6.7施工现场用电安全技术交底
3.2.6.7.1用电管理:
1)临时用电必须按“《施工现场临时用电安全技术规范》JG46—88”编制用电施工组织设计制定安全用电技术和电气防火措施。
2)临时用电工程图纸必须单独由电气工程技术人员绘制,经技术负责人审批后作为临时施工的依据。
3)临时用电施工组织设计的内容和步骤:
(1)现场勘探,确定电源进线总配电箱(柜),分配电箱的位置及线路走向。
(2)进行负荷计算,选择导线截面和电器的类型、规格。
(3)绘制电气平面图,系统图和接线图。
(4)制定安全用电技术措施和电气防火措施。
4)施工现场临时用电安全技术档案:
(1)临时用电施工组织设计及修改临时施工用电组织设计的全部资料。
(2)技术交底资料。
(3)临时用电工程检查验收表。
(4)接地电阻测定记录。
(5)定期检(复)查表(工地每月,公司每季度进行一次)。
(6)电工维修工作记录。
5)安装、维修或拆除临时用电工程,必须由电工完成,电工等级应同工程的难易程度和技术复杂性相适应。
3.2.6.7.2电工:
1)电工必须经过专业及安全技术培训,经(地)市劳动部门考试合格发给操作证,方准独立操作。
2)电工应掌握用电安全基本知识和所有设备性能。
3)上岗前按规定穿戴好个人防护用品。
4)停用设备应拉闸断电,锁好开关箱。
5)负责保护用电设备的负荷线,保护零线(重复接地)和开关箱。
6)移动用电设备必须切断电源,在一般情况下不许带电作业,带电作业要设监护人。
7)按规定定期(公司每季、工地每月)对用电线路进行检查,发现问题及时处理,并做好检查和维修记录。
8)应懂得触电急救常识和电器灭火常识。
3.2.6.7.3安全距离与外电防护:
外电线路:指施工现场临时用电线路以外的任何电力线路。
1)不得往高、低压线路下方施工、搭设临时设施或堆放物件、架具、材料及其他杂物。
2)安全距离:
(1)在建工程(包括脚手架)的外侧与架空线路之间的最小安全距离1KV不小于4m,1~10KV不小于6m,35~110KV不小于8m。架空导线最大弧垂与施工现场地面最小距离≥4.0m,与机动车道≥6.0m。
(2)起重臂或被吊物边缘与10KV的架空线路水平距离≥2m。
(3)机动车道与外电架空线路交叉的最小距离1KV以下为6m,10KV以下为7m 。
3)外电防护:
(1)达不到安全距离要求,必须采取防护措施,增设屏障、遮拦、围栏或保护网,并悬挂醒目的警告标志牌。
(2)带电体至遮栏(封闭)的安全距离10KV应大于30cm,35KV应大于50cm 。
(3)带电体至遮拦的安全距离10KV应大于95cm ,35KV应大于115cm。
(4)在架设防护设施时,应有电气技术人员或专职安全员防护。
(5)无法防护时必须采取停电,迁移线路或更改工程位置,否则不准施工。
3.2.6.7.4供电路线:
架空线路必须架设在专用电线杆上,严禁架设在树木上或脚手架上等不稳固的地方。
1)架空线路最小截面:为满足机械强度要求,铝线≥16mm2,铜线≥10mm2,跨越铁路、公路、河流、电力线路档距内的绝缘铝线不小于35 mm2,铜线不小于16mm2。
2)电线接头:在一个档距内,每层架空线接头不得超过该层导线的50%,且一根导线只允许一个接头,跨越道路、河流档距内不得有接头。
3)电杆档距:最大不超过35m,线间距不得少于0.3m,上下横担间高压与低压1.2m,低压与低压0.6m,(横担选用附表于后)。
4)电杆及埋设:电杆应选用钢筋混凝土杆或木杆,其稍径不得小于13cm,埋设深度为杆长的十分之一加0.6m。
5)拉线:拉线宜用截面不少于φ4×3的镀锌铁丝、拉线于电杆的夹角在45~30度之间,埋地深度不少于1m,钢筋混凝土杆上的拉线应在高于地面2.5m处装设拉紧绝缘子。
6)室内配线:进户线过墙应穿管保护,距地面不得少于2.5M,并采取防雨措施,室外应采用绝缘子固定。
3.2.6.7.5电缆线路:
1)电线干线应采用埋地或架空敷设,严禁沿地面明设,并应避免机械损伤和介质腐蚀。
2)电缆穿越建筑物、构筑物、道路、易受机械损伤的场所及引出地面从2m高度至地下0.2m处,必须加设防护套管。
3)橡皮电缆架空敷设时,应沿墙壁或电杆设置,并用绝缘子固定,严禁使用金属裸线作绑线。橡皮电缆的最大弧垂距地面不得小于2.5m。
4)在高层建筑的临时电缆配电必须采用电缆埋地引入。电缆垂直敷设的位置充分利用在建工程的竖井、电梯孔等,并应靠近电负荷中心,固定点每层楼不得小于一处。电缆水平敷设宜沿墙或门口固定,最大弧垂距地不小于1.8m。
3.2.6.7.6配电柜(盘),配电箱及开关箱:
1)配电系统应设置总配电柜(盘)和分配电箱,实行分级配电。室内总配电柜(盘)的装设应符合下列规定:
(1)配电柜(盘)正面的通道宽度,单列不小于1.5m,双列不少于2m,后面的维护通道为0.8m(个别部位不许少于0.6m),侧面通道不少于1m。
(2)配电室的天棚距地面不低于3m
(3)在配电室设置值班或检修室时,距配电柜(盘)的水平距离大于1m,并采取屏障隔离。
(4)配电时门应向外开。
(5)配电箱的裸母线与地面垂直距离少于2.5m时采用遮拦隔离,遮拦下面通道的高度不少于1.9m。配电装置的上端距大棚不少于0.5m。
(6)裸母线应涂具有颜色的油漆,并应该符合下列规定:
母线涂色表
| 相别 | 颜色 | 垂直排列 | 水平排列 | 引下排列 |
| A | 黄 | 上 | 后 | 左 |
| B | 绿 | 中 | 中 | 中 |
| C | 红 | 下 | 前 | 右 |
| D | 黑 |
(7)配电柜(盘)应按规定装设有功、无功电度表,及分路装设电流、电压表。
(8)配电柜(盘)应装设短路、过负荷保护装置和漏电保护开关。
(9)配电柜(盘)上的配电线路开关应标明控制回路。
(10)配电柜(盘)或配电线路维修时,应挂停电标志牌。停、送电必须由专人负责。
2)配电箱:动力配电箱与照明开关箱宜分别设置,如合用一个配电箱,动力和照明线路应分别设置。
3)总配电箱应设在靠近电源的地方,分配电箱应装在用电设备或负荷相对集中的地区。分配电箱与开关箱的距离不得超过30m。开关箱与其控制的固定用电设备的水平距离不宜超过3m。
4)配电箱、开关箱周围应有足够二人同时工作的空间和通道、不得堆放任何妨碍操作、维修的物品;不得有灌木、杂草。
5)配电箱、开关箱应采用铁板或优质绝缘材料制作。安装应端正牢靠,箱下底与地面的距路在1.3~1.5m之间。移动式开关箱应装高于坚固的支架上,下底离地面0.6~1.5m。进出线必须采用橡皮电缆。
6)配电箱、开关箱内的开关电器(含插座)应紧固在电器安装底版上,并便于操作(间隙5cm)不得歪斜和松动。电线应用绝缘导线,削头不得外漏,接头不得松动。
7)箱内的工作零线应通过接线端子板连接,并应与保护零线接线端子分设。
8)箱体的金属外壳应做保护接零(或接地),保护零线必须通过接线端子板连接。
9)配电箱、开关必须防雨、防尘。导线的进线口和出线口应设在箱体的下底面,并要求上部为电源端,严禁设在箱体的上顶面、侧面、后面、或箱门处。
10)进、出线应加护套分路成束不得与箱体进出口直接接触。
3.2.6.7.7电器装置的选择:
1)配电箱、开关箱内的电器设备必须可靠完好,不准使用破损、不合格的电器。熔断器的熔体应与用电设备容量相适应。
2)总配电箱或分配电箱均应装设总闸隔离开关和分路隔离开关,总熔断器和分路熔断器(或总自动开关和分路自动开关);以及漏电保护器(若漏电保护器同时具备过负荷和短路保护功能,则不设分路熔断器或分路自动开关)。
3)每台设备应有独立的开关箱、实行一机一闸制,严禁用一个电器开关直接控制二台及二台以上用电设备(含插座)。
4)现场用电设备除做保护接零外,都必须在设备负荷线的首端处安装漏电保护器。
5)购置漏电保护器必须是国家定点生产或经过有关部门正式认可的产品。
6)对新购置或搁置已久重新使用和使用一个月以上的漏电保护器应认真检查其特性,发现问题及时修理或更换。
7)使用于潮湿和腐蚀介质场所的漏电保护器应采用防溅型产品。
8)手动闸刀开关只允许用于控制照明电路和容量不大于5.5KW的动力电路作直接启动。容量大于5.5KW的动力电路应采用自动开关器件或降压启动装置控制。
3.2.6.7.8使用与维护:
1)所有开关箱门应配锁,专人负责,开关箱应标明用途所控设备。
2)配箱、开关箱每月检查维修一次,必须由专业电工进行。电工必须按规定穿戴好防护用品和使用绝缘工具。
3)送电操作工程:总配电箱——分配电箱——开关箱;
停电操作过程:开关箱——分配电箱——总配电箱(特殊情况外)。
4)施工现场停电一小时以上时,应切断电源,锁好开关箱。
5)配电箱、开关箱内不得放置任何杂物,并应保持清洁。
6)熔断器的熔体(保险丝)更换时,严禁用不符合规格的熔体或其他金属裸线代替。
3.2.6.7.9照明:
1)在一个工作场所内,不得只装设局部照明。
2)在正常湿度时,选用开启式照明器(一般灯具)。
3)在潮湿或特别潮湿的场所,选用密闭型防水防尘照明器或配有防水灯头的开启式照明器。
4)对有爆炸和火灾危险的场所,必须安装与危险场所等级相适应的照明器。
5)在振动较大的场所,选用防振型照明器。
6)照明器具和器材的质量应合格,不得使用绝缘老化破损的器具和器材。
7)在特殊场所应使用安全电压照明器,在潮湿和易触及带电体场所电压不大于24V,在特别潮湿的场所和导电良好的地面或金属器内工作照明灯电压不得大于12V。
8)在单相及二相线路中零线与相线截面相同;在三相四线制线路中,当照明灯为白炽灯时,零线截面为相线二分之一,当照明灯具为气体放电灯或逐相切断的三相照明电路中零线截面按最大负荷相的电流选择。
9)照明灯具的金属外壳必须做保护接零。单相照明回路的开关箱(板)内必装设漏电保护器,实行左零右火制。
10)室外灯具距地面不得低于3m,室内不低于2.5m。
11)罗口灯头的绝缘外壳不得有损伤和漏电,火线(相线)应接在中心触头上,零线接在罗口相连的一端。
12)暂设工程的灯具宜采用拉线开关,拉线开关距地面2~3m,其他开关距地面高度为1.3m,与出入口的水平距离为0.15~0.20m。严禁将插座与搬把开关靠近装设,严禁在床上装设开关。
13)电器、灯具的相线必须经开关控制,不得将相线直接引入灯具。
14)不得把照明线路挂设在脚手架以及无绝缘措施的金属构件上,移动照明导线应采用电缆线,不宜采用其他软线。手持照明灯具应使用安全电压,照明零线严禁通过熔断器。
3.2.6.7.10接地与防雷:
1)接地接零:
(1)在施工现场专用的中心点直接接地的电力线路中,必须采用接零保护系统。电器设备的金属外壳必须与专用保护零线连接。专用保护零线应由工作接地,配电室零线或第一级漏电保护器电源侧的零线引出。
(2)当施工现场与外电线路共用同一供电系统时,电气设备应根据当地的要求作保护接零或做好保护接地。不得一部分设备作保护接零,另一部分设备作保护接地。
(3)保护零线不得装设开关或熔断器。保护零线应单独设置,不作它用,重复接地线应与保护零线相连接。
(4)保护零线使用铜线不少于10mm²,铝线不少于16 mm²,与电气设备相连的保护零线可用不少于2mm²全部绝缘多股铜线。
(5)保护零线统一标志为绿/黄双色线(以前为黑色),在任何情况下不准使用绿/黄双色线作负荷线。
(6)电力变压器或发电机的工作接地电阻值不得大于4欧。
(7)保护零线除必须在配电箱或总配电箱处作重复接地外,还必须在配电箱线路的中间处和末端处作重复接地。重复接地电阻植不大于10欧。
(8)不得用铝导体作接地体或地下接地线,垂直接地体不宜采用罗纹钢。
(9)垂直接地体应采用角铁、镀锌铁管或圆钢,长度1.5~2.5m,露出地面10~15cm,接地线与垂直接地体连接应采用焊接或螺栓连接。禁止采用绑扎的方法。
(10)施工现场所有用电设备,除作保护接零外,必须在设备负荷线的首端处设置漏电保护装置。
2)防雷:
(1)施工现场的起重机、人货电梯等设备若在相邻建筑物、构筑物的防雷屏蔽范围以外,应安避雷装置。避雷针长度为1~2m,可用Φ16圆钢端部磨尖。
(2)避雷针保护范围按60°遮护角防护。
(3)本市范围井字架等机械高度超过20m附近无防护的均应安装避雷针(接闪器)。
附:
架空线路与临近线路或设施的最小垂直距离(m)
最大弧垂与地面同杆架设下方的广播线路通讯线,最大弧垂与暂设工程顶端、与邻近线路交叉:
施工现场 机动车道 铁路轨道 1KV以下 1—10KV
4.0 6.0 7.0 1.0 2.5
铁横担角钢型号选用表:
导线截面 低压直线杆角铁横担 低压承力杆角铁横担 二线及三、四及以上
16~50 ∠50×5 2×∠50×5 2×∠63×5
79~120 ∠63×5 2×∠63×5 2×∠70×6
横担长度选用表(m):
二线 二线、四线 五线
0.70 1.50 1.80
3.2.7道路与排水
施工道路、排水等临时设施布置具体见施工现场平面布置图。
3.3施工区段划分
本工程于主体结构部分共划分两个区段:裙房施工为一个区段,主楼为一个区段。主楼与裙房间留设施工缝,待主楼结构施工至10层左右时,再施工裙房结构。
3.4资源配置
3.4.1项目管理
本工程以项目管理组织施工,配备项目经理、项目总管、总工程师各一名。经理部设技术部、施工部、安质部、合约部、机械物资部、财务部、和综合办公室。对本项目人、财、物按照项目法管理的要求实行统一组织,统一计划,统一管理,统一协调,并认真执行我公司根据ISO-9000国际质量管理标准,制定并发布执行的质量手册,程序文件,完善本项目的质量体系,充分发挥各职能部门、各岗位人员的职能作用,认真履行管理职责,确保本项目质量体系持续有效地运行。通过我们科学、严谨的组织管理,确保产品质量,争创安全文明工地,实现合同规定的工期、质量安全文明工地的预定目标,确保业主满意。详见本项目组织机构图及各职能部门人员配置表。
3.4.2劳力组织
根据施工作业区划分及施工组织安排,本工程在进入主体施工阶段时,高峰人数预计325人左右,所需劳力按不同阶段配备,陆续组织进场。
设备安装工程在主体施工和粉刷施工时必须服从土建工程的工期安排,随着土建的进度和工作量的增减及时调整劳动力的配备,做到决不影响土建的工期。劳力组织详见下表:
主要工种劳力需用计划表(土建)
| 施工阶段
工种 |
主体结构 | 粗装修 |
| 钢筋工 | 70 | 5 |
| 模板工 | 110 | 10 |
| 砼 工 | 20 | 5 |
| 钢结构工 | 20 | |
| 架子工 | 20 | 20 |
| 装吊工 | 6 | 6 |
| 电 工 | 5 | 5 |
| 水道工 | 3 | 3 |
| 电焊工 | 6 | 3 |
| 试验工 | 1 | 1 |
| 测量工 | 2 | 2 |
| 机械工 | 2 | 2 |
| 瓦 工 | 60 | 10 |
| 抹灰工 | 60 | |
| 油 工 | 50 | |
| 合 计 | 325 | 172 |
3.4.3机械设备配置及进场计划(见下表)
主要施工机械设备表(土建)
| 序
号 |
机械或设备名称 | 型号
规格 |
数量 | 国别产地 | 制造
年份 |
额定功率KW | 生产
能力 |
进场
日期 |
| 1 | 塔吊 | MC320 K16 | 1 | XXX | 2006.3 | 80 | 320T.M | 2007.8 |
| 2 | 高速人货电梯 | SCD300/300VJ | 1 | XXX | 2007.2 | 132 | 2T双笼 | 2008.8 |
| 3 | 砼泵 | HBT60 | 2 | XXX | 2005.7 | 62 | 2008.3 | |
| 4 | 电焊机 | BX1-500/300
/200 |
10 | XXX | 2006.4 | 30 | 2008.3 | |
| 5 | 圆盘锯 | MJ105 | 2 | XXX | 2005.5 | 3 | 600mm | 2008.3 |
| 6 | 木工平刨 | MPB—5 | 2 | XXX | 2006.4 | 3 | 300mm | 2008.3 |
| 7 | 钢筋弯曲机 | GWL-32 | 2 | XXX | 2006.6 | 3 | φ6~40mm | 2008.3 |
| 8 | 钢筋切断机 | GQL—40B | 2 | XXX | 2006.6 | 7 | φ6~40mm | 2008.3 |
| 9 | 钢筋对焊机 | UN1-100 | 1 | XXX | 2006.6 | 100 | 100KVA | 2008.3 |
| 10 | 直螺纹滚丝机 | GJLW—40 | 2 | XXX | 2006.6 | 3 | 2008.3 | |
| 11 | 镝灯 | 10 | 2.5 | 2008.3 | ||||
| 12 | 潜水泵 | QW25 | 5 | 2.2 | 2008.3 | |||
| 13 | 污水泵 | QW50 | 10 | 3 | 2008.3 | |||
| 14 | 氧乙炔设备 | 4 | 2008.3 | |||||
| 15 | 砂轮切割机 | 4 | 3 | 2008.3 | ||||
| 16 | 插入式振动器 | 8 | 1.5 | 2008.3 | ||||
| 17 | 平板振动器 | 3 | 1.5 | 2008.3 |
3.4.4周转材料配置(详见下表)
本工程模板周转料按梁板模各配置3层,施工过程中根据需要随时更换新模板。 周转材料一览表
| 序号 | 材料名称 | 规格型号 | 数量 | 单位 | 备注 |
| 1 | 钢管 | φ48*3.5 | 600 | t | 外架、框架模板支撑 |
| 2 | 扣件 | 十字、接头、转向 | 10 | 万只 | 外架、框架模板支撑 |
| 3 | 密目安全网 | 1800*6000 | 5000 | m2 | 外架防护 |
| 4 | 大孔安全网 | 3000*6000 | 3000 | m2 | 内部洞口防护、外围水平防护 |
| 5 | 木材 | 板材、方材 | 1000 | m3 | 墙、柱、梁、板支模 |
| 6 | 多层胶合板 | 920*1840 | 20000 | m2 | 墙、柱、梁、板支模 |
| 7 | 脚手板 | 900 | m2 | 外架防护 |
3.4.5材料进场计划
3.4.5.1施工用的常规物资,如搭建临时设施的用料、临时办公桌、办公椅,各类施工工具,测量定位仪器、消防器材等,均提前十天进场,并合理分类堆放,派专人看护。
3.4.5.2施工用建筑材料和安装材料视施工阶段进展计划材料进场时间,并均保证提前进场。
3.4.5.3对于构成工程实体的建筑材料将编制详细的物资需求计划,物资储备、申请、订货计划,采购加工计划,这些计划必须附以确切的数量清单,且经过建设单位及监理工程师的审核、确认。
3.4.5.4所有进场物资按平面布置图分类别堆放,并作好标识及产品保护工作。
3.4.5.5施工中及早准备堆放材料、设备的楼面,以便安装,这些材料、设备都放置在每个楼层标高处,相应的作好材料传递及处置运输工作,即分类别有计划的运输。
3.5技术准备工作
3.5.1组织有关人员学习图纸,了解设计意图及要求,对图纸疑点认真记录汇总,做好图纸会审前准备工作。
3.5.2项目经理部组织建立测量小组,检查验收红线桩,做好平面、高程控制桩的引测埋设工作。
3.5.3做好特殊工种人员岗前培训工作,做到持证上岗。
3.5.4参照施工组织设计,编制详细的分部分项施工方案和技术措施,明确本工程的关键工序和特殊过程,编制作业指导书,并对其实施全过程监控。
3.5.5根据进度要求,提出各种施工计划,如分阶段材料需用量计划,钢筋加工计划,模板加工计划,原材料检验和试验计划,机械设备安装计划等,经项目经理或项目总工审批予以实施。
3.5.6提交公司新技术,新工艺,新材料应用项目的可行性报告和计划。
3.5.7调查落实砂、石、水泥规格、品种、产地,向试验室申请配合比试验报告。
3.5.8建立档案,在工程施工中严格按照规定及时准确收齐内业资料:包括施工前期资料和材料合格证、设计变更、施工洽商、测量复核记录、图纸会审纪要等。
3.6 施工项目的管理机构和管理职能
3.6.1管理机构设置
为圆满完成施工任务我公司将委派善于管理且有过类似项目施工经验的项目部进场进行施工管理,委派公司优秀的项目经理出任项目部经理。项目部在项目经理的领导下,作为项目管理的组织机构,全面负责本项目从开工到竣工全过程的施工技术、工程质量、安全生产、施工进度、文明施工等工作。项目部是我公司派驻现场的代表,对本工程负有直接管理与服务的职能,以保证本工程各项要求达标。
3.6.2项目经理部管理体系及人员配置
3.6.2.1项目经理部管理体系
项目经理
项目总管
项目工程师
综合办公室
机械物资部
技术部
合约部
安质部
财务部
施工部
办公员
技术员
施工员
预算员
安全员
质量员
材料员
测量员
各专业施工操作班组组长
各施工操作班组人员
3.6.2.2主要管理人员名单
| 序号 | 姓名 | 性别/年龄 | 拟担任职务 | 职称 |
| 1 | XXX | X | 项目经理 | 工程师 |
| 2 | XXX | X | 项目总管 | 工程师 |
| 3 | XXX | X | 项目总工程师 | 高级工程师 |
| 4 | XXX | X | 安全文明主管 | 技术员 |
| 5 | XXX | X | 机电主管 | 工程师 |
| 6 | XXX | X | 计划主管 | 助理工程师 |
| 7 | XXX | X | 测量主管 | 工程师 |
| 8 | XXX | X | 质量主管 | 工程师 |
| 9 | XXX | X | 资料员 | 技术员 |
| 10 | XXX | X | 项目经济师 | 经济师 |
3.6.3管理体系职能分配:
管理体系职能分配表
|
部 门 程序文件 |
办
公 室 |
技
术 部 |
安
质 部 |
合
约 部 |
物
资 部 |
财
务 部 |
| 1 管理评审程序 | ○ | |||||
| 2 文件与资料管理控制程序 | ● | ○ | ○ | ○ | ○ | |
| 3 法律和其他要求程序 | ● | ○ | ○ | ○ | ○ | ○ |
| 4 协商与沟通程序 | ● | ○ | ○ | ○ | ○ | ○ |
| 5 人力资源管理程序 | ● | ○ | ○ | ○ | ||
| 6 检验、测量和试验设备控制程序 | ○ | ● | ○ | ○ | ||
| 7 内部管理体系审核程序 | ○ | ○ | ● | ○ | ○ | ○ |
| 8 记录管理控制程序 | ● | ○ | ○ | ○ | ○ | |
| 9 相关方管理程序 | ○ | ○ | ○ | ● | ○ | ○ |
| 10 能源资源控制程序 | ○ | ● | ○ | |||
| 11 基础设施与设备控制程序 | ○ | ● | ○ | ○ | ○ | |
| 12 绩效的监测与测量控制程序 | ○ | ● | ○ | ○ | ○ | ○ |
| 13 办公和生活场所控制程序 | ● | ○ | ○ | ○ | ||
| 14 产品实现的策划程序 | ○ | ● | ○ | ○ | ○ | ○ |
| 15 合同评审程序 | ○ | ○ | ● | ○ | ○ | |
| 16 物资采购控制程序 | ○ | ○ | ● | |||
| 17 专业分包方管理程序 | ○ | ○ | ○ | ● | ○ | |
| 18 劳务分包方管理程序 | ○ | ○ | ○ | ● | ○ | |
| 19 进货检验和试验程序 | ○ | ○ | ● | |||
| 20 顾客财产管理程序 | ○ | ● | ||||
| 21 产品标识和可追溯性程序 | ● | ○ | ○ | |||
| 22 检验和试验状态控制程序 | ● | ○ | ○ | |||
| 说明: ●主管部门 ○相关部门 | ||||||
管理体系职能分配表(续)
| 部 门
程序文件 |
办
公 室 |
技
术 部 |
安
质 部 |
合
约 部 |
物
资 部 |
财
务 部 |
| 23 过程检验和试验程序 | ● | ○ | ○ | |||
| 24 过程控制程序 | ● | ○ | ○ | |||
| 25 产品防护程序 | ● | ○ | ○ | |||
| 26 最终检验和试验程序 | ○ | ● | ○ | ○ | ||
| 27 顾客满意测量程序 | ○ | ○ | ○ | ● | ○ | ○ |
| 28 不合格品控制程序 | ○ | ● | ○ | ○ | ○ | |
| 29 纠正和预防措施控制程序 | ○ | ○ | ● | ○ | ○ | |
| 30 数据分析程序 | ○ | ○ | ○ | ● | ○ | ○ |
| 31 环境因素辨识、评价与控制程序 | ○ | ● | ○ | |||
| 32 大气和水污染控制程序 | ○ | ● | ○ | |||
| 33 噪声控制程序 | ○ | ● | ○ | |||
| 34 固体废弃物控制程序 | ○ | ● | ○ | |||
| 35 油品和危险化学品控制程序 | ○ | ● | ○ | |||
| 36 饮食卫生程序 | ● | |||||
| 37 电气管理程序 | ○ | ● | ○ | ○ | ||
| 38 危害因素辨识、评价与控制程序 | ○ | ○ | ● | ○ | ○ | ○ |
| 39 作业许可控制程序 | ○ | ○ | ● | ○ | ○ | |
| 40 员工健康与女工保护程序 | ● | ○ | ○ | ○ | ○ | ○ |
| 41 应急准备与响应程序 | ● | ○ | ○ | ○ | ○ | ○ |
| 42 事故、事件调查处理控制程序 | ○ | ○ | ● | ○ | ○ | |
| 43 不符合、纠正与预防措施程序 | ○ | ○ | ● | ○ | ||
| 44 设计与开发程序 | ○ | |||||
| 说明: ●主管部门 ○相关部门 | ||||||
3.6.4项目经理部主要管理人员职能
项目部人员的职责分工如下:
3.6.4.1项目经理
3.6.4.1.1全面负责管理项目经理部的施工运行,认真履行工程承包合同,确保项目顺利施工。
3.6.4.1.2严格执行公司的质量方针,实现工程质量目标。
3.6.4.1.3负责监督、协调现场的施工、物资供应、财务等各方面的工作。
3.6.4.1.4负责与顾客、分承包商的联系与协商。
3.6.4.1.5负责每月向业主、监理等提供合同要求的一些报告。
3.6.4.2项目总工程师
3.6.4.2.1在项目经理领导下,具体主持项目质量保证体系的建立,并进行质量职能分配,落实质量责任制。
3.6.4.2.2全面负责项目技术质量日常管理,具体协调施工技术管理工作,解决工程施工过程中出现的技术问题。
3.6.4.2.3负责施工过程中的全面质量监控、组织,主持质量检查复核和自我验收。
3.6.4.2.4加强施工过程监控,对各分项技术复核,隐蔽工程验收认真把关,发现问题及时解决,确保符合要求后方能进行后道工序施工。
3.6.4.2.5参加施工图的会审工作,提出施工图中的问题,进行技术核定工作。
3.6.4.2.6主持编制分部分项施工方案的细则,并组织有关人员进行技术交底。
3.6.4.2.7对工程中所采用的新技术、新工艺、新材料推广应用,并做好技术统计工作。
3.6.4.3项目总管
3.6.4.3.1全面组织管理施工现场的生产活动,合理调配劳动力资源。负责使项目的生产组织、生产管理和生产活动符合施工方案实施要求。负责项目的安全生产活动,管理项目的安全管理系统。
3.6.4.3.2全面负责水电工程施工协调管理。将项目的水电工程施工纳入总承包管理,做好和安装工程配合协调工作。确保项目的安装工程施工按质量体系文件的规定和要求进行。
3.6.4.5项目经济师
3.6.4.5.1熟悉建筑工程合同所有条款。
3.6.4.5.2通过科技管理、合理计算、增收节支、开源节流,完成项目的经济目标。
3.6.4.5.3正确计算工程量,套用合理的定额原价,及时编制工程预算书,对工程项目在施工中的增减变更及时办理签证手续。
3.6.4.5.4收集结算资料,为工程竣工后及时办理竣工结算手续创造条件。
3.6.4.5.5编制项目经理部的工作计划,落实项目经理的有关指令。
3.6.4.5.6编制施工预算,控制好分阶段工程成本。
3.6.4.6项目质量主管
3.6.4.6.1根据项目质量保证体系的展开要求和质量职能分配情况,负责指导、检查、监督、纠正、控制现场一切与产品有关的因素,保证工序与产品的一次验收合格或一次成优。
3.6.4.6.2在项目施工过程中,严格督促施工人员按工艺操作,力求达到施工工序控制的标准化、规范化、程序化,对违反质量规定和有关质量法规的行为,有权暂停施工,并报告项目经理。
3.6.4.6.3监督各工种作业队做好每道工序的质量自检工作,并对分部分项予以全过程检验,检验合格后,经业主或监理工程师认可,填写隐蔽验收单并进行书面签证后方可进行下道工序施工。
3.6.4.6.4定期对项目施工人员进行规范、规程、工序、工艺、标准、计量、检验等质量管理基础知识的培训,开展质量方针、目标、意识的教育。
3.6.4.6.5根据项目计划,检查、监督、纠正或处置,控制不合格品,并及时向项目经理反映。
3.6.4.6.6认真完成项目经理和项目工程师布置的其它各项工作;确保质量方针、目标的全面实现。
3.6.4.8项目安全主管
3.6.4.8.1贯彻执行安全法规、条例、标准、规定,协助项目经理搞好项目的安全生产工作。
3.6.4.8.2做好安全生产的宣传教育和管理工作,总结交流先进经验。
3.6.4.8.3在施工现场,对新工人进场培训,入场教育,监督和指导和工种作业队安全工作,掌握项目安全生产情况及动态,提出改进意见和措施。
3.6.4.8.4定期组织安全活动和安全检查,在检查中贯彻边查边教,及时整改,不留隐患的原则,并督促落实限期解决。
3.6.4.8.5督促和检查上岗前和特种工种的安全技术交底,以及特种作业人员持证上岗工作。
3.6.4.8.6参加工伤事故的调查和处理,对违反安全规定和有关安全劳动法规的行为,有权暂停施工,并报告项目经理。
3.6.4.8.7负责各种安全记录资料的填制、收集和立卷工作,完成项目经理所交办的其它工作。
3.6.4.8.8经常检查各类机电设备保证装置,督促作业队伍按规定执行维修保养制度,提高机电设备的完好使用率,确保安全事故为零。
3.6.4.8.9检查监督机械操作人员持证上岗的情况,杜绝无证违章作业。
3.6.4.8.10负责大中型机电设备进场的安全验收工作,对无质保书或出厂证明的施工机械不准投入使用,对违反操作规程的有权制止,并及时报告项目经理。
3.6.4.8.11确保质量方针、目标的全面实现。
3.6.4.9项目资料员
3.6.4.9.1负责文件资料的登记、受控、分办、催办、签收、用印、传递、立卷、归档及销毁等工作。
3.6.4.9.2来往文件资料收发应及时登记台帐,视文件资料的内容和性质准确及时递交项目经理批阅,并及时送有关部门办理。
3.6.4.9.3负责做好各类资料积累、整理、处理、保管和归档立卷等工作,注意保密的原则。
3.6.4.9.4在工程竣工后,负责将文件资料、工程资料立卷移交。
3.6.4.9.5完成项目经理所交办的其它工作。
第四章 主要施工方案和施工措施
4.1工程施工测量
4.1.1测量总则
本工程的轴线测放、标高控制及建筑物沉降观测工作的进行,主要以业主所提供的总平面图、定位图上的坐标控制点及高程控制点为依据。
施工测量的主要流程为:
业主 监理
项 目 工程师
测量员
红线桩
复 核
平面轴线控制
定位 放线
垂直 传递
城 市
水准点
高程 控制
4.1.2测量使用仪器
| 序号 | 名称 | 型号 | 精度要求 | 数量 |
| 1 | 全站仪 | RTS632 | ±1″ | 1 |
| 2 | 经纬仪 | J2 | 平盘:±2″
垂直:±6″ |
2 |
| 3 | 水准仪 | DS3 | ±1.0mm/公里 | 2 |
| 4 | 钢卷尺 | 50m | ±10mm | 3把 |
| 5 | 钢卷尺 | 5m | ±1.5mm | 3 |
| 6 | 塔 尺 | 5m | 2 |
注:以上仪器均通过技术监督局计量测试单位检定合格。
4.1.3测量人员
组长由项目总工担任,组员包括项目工程师、专职质量员、测量员等。
4.1.4测量精度的标准及控制
4.1.4.1采用三测回,测角中误差±5″以内,总误差±10″以内;
4.1.4.2测距:采用往返测法,取平均值;
4.1.4.3量距:用鉴定过的钢尺进行量测;
4.1.4.4每层轴线之间的偏差在±1mm以内,层高垂直偏差在±2mm以内,总高度垂直偏差在±10mm以内。
4.1.5定位放线
4.1.5.1本工程根据业主提供的城市坐标网中的坐标控制点,结合总平面定位图,主控轴线一次性测定完成,然后固定在建筑物的四周龙门桩上,形成现场测量控制网。经业主、规划单位核验办妥定位验收记录后,进行下道工序施工。

4.1.5.2本工程总体测量均根据建筑物的平面定位,遵循先整体后局部的控制原则,在施工现场设置矩形控制网,矩形控制网由建筑物的主要轴线组成,并根据建筑物的规模确定。土方开挖前做好引桩,作为平面控制的依据,引桩应该设在距基桩开挖边线1-1.5m的地方,至轴线交点的距离应为1m的倍数。根据本工程的现场实际情况,本工程±0.000以上结构平面控制及垂直度控制决定采用内控法。
4.1.5.3采用内控法时,为了保证建筑物轴线位置正确,用J2经纬仪轴线投测到楼板边缘或柱顶上。楼板中心线测设长(列)线、短(行)线各2-3条,其投点误差为±2mm。然后根据由下层测引上来的轴线,在楼板上分间弹线,投测时将基准面设在底层面上,把经纬仪安置在轴线控制桩上,后视原有轴线控制点,用正倒镜取中的方法,半轴线投测到楼层面边缘,在底面上投控制点,组成规则的几何图形,用钢卷尺实量其间距作为校核,其相对误差不得大于1/2000。经校核后方可开始该层施工。基坑内轴线的投测也可用以上方法,即将轴线测设到基坑的护壁上,后采用两点对线的方法进行控制测量。
4.1.6内控法定位做法
4.1.6.1采用内控法时,每个单体都在底层楼面上(由于本工程楼层有24层的,因此考虑到投点的准确性,预备每十层重新做一次内控点)预埋四块200×200mm钢板,钢板中心刻痕或红三角标识。各栋单体网点位置根据具体楼号情况选择4个相互通视点。
主体结构楼层水平放线时,可选用1、2、3、4中任意三点进行控制,然后再用剩余1个点进行复核。
4.1.6.2轴线沿高度传递:2层以上楼层以内部测量控制网点为控制点,通过在楼面板上预留的俯视孔(200×200mm),采用天底法垂直测量,逐层传递,并予以复测闭合后,据此进行楼层细部放样测量。
4.1.6.3垂直度控制:外围墙柱分别挂2㎏线坠进行控制检查。第2层以上采用J2经纬仪(带弯管目镜)通高检测一遍,减少误差积累。
4.1.7定位测量记录
控制网测完后,要经有关人员(监理单位、建设单位、设计单位)现场复查验收。定位记录要有技术负责人、建设单位代表审核签字。做为施工档案归档保管。以备复查和做为交工资料。
4.1.8标高控制及垂直传递
4.1.8.1采用四等水准测量,将建设单位给定的城市高程点引测至施工现场,经精测、复核准确无误后,在现场设置施工水准基准点,作为施工中高程的控制依据,基础完成后,将高程引测至柱、梁边缘。施工水准基准点应设置在不受基础、土方工程施工变形影响及建筑物沉降影响范围以外。水准基准点埋设深度应低于自然地面以下0.6m,其做法采用钢筋砼预制桩现场埋设。水准基点的高程数据自高程基准点引测得到,为了水准基点间互相校核,考虑到本工程建筑规模,拟在建筑物周围布设6个水准基点,并对水准点定期进行高程闭合检测,以保证高程控制的准确及沉降观测成果的正确性。
4.1.8.2主体以上各层水平标记,按不同设计层高,计算后用钢卷尺丈量。每层都应在周围外角主控制轴线处,先用水平仪复核每层丈量后的标记是否水平,经复核无误,然后再在其它轴线处或柱头处加密水平标记,包括中间柱头插筋处等,以便于各层标高的控制。高程闭合差不得超过±2mm,取其平均作为该楼层的标高控制点。
4.1.9沉降观测
4.1.9.1沉降观测点布设在建筑物四周。沉降观测点设在室外-0.10m处,式样为六角形2cm对角线粗铜棒,具体在±0.000m结构完成后设置。基础施工完、主体施工时,每完成一层楼面后,进行沉降观测1次,装饰完成观测1次,在主体封顶、竣工后继续观测1次。
4.1.9.2观测时先从水准点开始,逐点观测,前后视使用同一支水准尺,每个测站上读完各沉降点读数后,再观测后视读数2次,后视读数之差不得大于1mm,沉降观测后再进行观测记录的整理,检查各项计算是否正确,精度是否合乎要求,然后计算各水准基点和沉降观测点的高程,再计算本次沉降量和累计沉降量,最后将荷载情况同时记入沉降观测成果表中。
4.1.9.3保证沉降观测正确性的措施:
1)观测和整理成果;
2)使用固定的水准仪及塔尺;
3)使用固定的水准点;
4)按规定的日期方法及路线进行沉降观测。
沉降观测计划表
| 施工完成部位 | 观测情况 |
| 基础砼完成 | 初始沉降点设置、第1次观测 |
| 1层楼面砼完成 | 第2次观测 |
| 结构阶段 | 每增加1层,观测1次 |
| 砖砌体阶段 | 每月观测1次 |
| 砖砌体完成 | 观测1次 |
| 结构验收前 | 观测1次 |
| 装修阶段 | 每月测1次 |
| 竣工验收前 | 最后1次观测 |
| 竣工验收后 | 整理沉降资料交业主 |
4.2钢筋工程
4.2.1钢筋连接:该工程为现浇框架筒体结构,水平钢筋d≥22mm剥肋直螺纹连接,竖向钢筋d≥16mm电渣压力焊,其它绑扎搭接。
4.2.2钢筋进场:进入工地的钢筋品种、规格和质量,必须符合设计要求和有关标准规定,并有出厂合格证及质保书,并由监理核对炉批号后方准许进场。进入现场后按规格、型号堆放整齐,并按规定进行抽样复试,复试合格设置合格产品标识,钢筋操作人员见有合格标识,方可使用。
4.2.3钢筋加工:
4.2.3.1现场设置钢筋加工场,集中下料,钢筋下料严格按技术人员编制的下料单下料、制作。钢筋加工的形状、尺寸必须符合设计要求。钢筋表面应洁净,无损伤,油渍、漆污和铁锈等,应在使用前清除干净,带有颗粒状或片状老锈钢筋不得使用。
4.2.3.2采用冷拉调直钢筋(圆盘)冷拉率控制在4%以内。
4.2.3.3纵向钢筋弯折:按设计图纸和施工规范要求,当d>25mm,弯曲半径取6d,d<25mm时,取4d。
4.2.3.4箍筋弯钩要求:弯钩角度135。,弯钩平直长度≥10d。
4.2.3.5板中Ⅰ级钢筋末端作180。弯钩,其圆弧弯曲半径D不小于钢筋直径的2.5倍,平直部分长度不小于钢筋直径的10倍。
4.2.3.6必须按平法制图规则及设计图纸和施工规范绘制的梁、板、柱平面标注法进行制作、绑扎。
4.2.4钢筋绑扎
4.2.4.1钢筋绑扎施工工序流程
1)柱、墙
外露筋调整→钢筋附着物清除→墙、柱根部清扫→箍(水平)筋布置→就位绑扎→墙柱垫块→验收。
2)梁、板
模板清扫→梁柱交叉处柱箍筋就位→主梁筋绑扎→次梁筋绑扎→板下层筋→马镫、水电管预埋→板上层筋→验收。
4.2.4.2钢筋准确位置的保证
1)按梁、板、柱等预制相应厚度的砼垫块。
2)墙、柱插筋按轴线、柱等确定位置,用辅加钢筋焊接于梁板筋上加以固定,保证稳固、不易顷斜 、不移位。
3)浇筑砼时须有专职人员看守成品钢筋,测量工配合随验轴线位置,随时修复正位。
4)二排筋加垫铁,并多绑扣点绑扎牢固。
4.2.4.3钢筋绑扎要求如下:
1)钢筋的交叉点应扎牢。绑扎时应根据下料单及施工图纸进行绑扎。
2)板的钢筋网,除靠近外围两行钢筋的相交点全部扎牢外,中间部分交叉点允许间隔交错扎牢,双向受力的钢筋,必须全部扎牢,且受力钢筋之间的接头应相互错开。
3)圈梁和构造柱的箍筋,应与受力钢筋垂直绑牢,箍筋弯钩叠和处,应沿受力钢筋方向错开设置。
4)钢筋施工除满足设计图纸要求外,尚应满足施工规范规定,当二者出现矛盾时,应征询业主工程师的意见后方可施工。
5)本工程梁、板、柱钢筋绑扎采用专用塑料垫块,板的垫块按梅花型设置,每个垫块间隔为一米,垫块垫置间距正确。
6)钢筋绑扎前,必须先进行弹线定位,柱子钢筋需要预先弹出柱子支模线,方可绑扎钢筋;楼板钢筋绑扎必须预先弹出钢筋绑扎分线后方可进行。
4.2.5工艺规范要求
4.2.5.1本工程钢筋制作,在施工现场的钢筋制作场进行,钢筋加工场根据施工阶段流向施工期间有所变动,具体位置详见平面布置图。
钢筋制作前,由土建工程师编制钢筋制作方案和钢筋配料表,并向作业班组进行技术交底。
用于制作加工的钢筋表面洁净。油渍、漆污、浮皮和铁锈在使用前清除干净。钢筋除锈一般可以在钢筋冷拉调直过程中进行,或使用电动除锈机或钢丝刷进行。
钢筋调直可采用调直机或采用卷扬机拉伸调直的方法,其冷拉率:HPB235级钢筋不大于4%,HRB335级钢筋不大于1%。调直后的钢筋平直,无局部曲折。
钢筋下料切断采GQL—40B型钢筋切断机。先制作钢筋下料平台,每种规格下料前,先将钢筋需要的下料长度标识在下料平台上,经复核无误后,设置断料尺寸栏板,再开始下料,以保证下料尺寸准确。
钢筋弯曲成型采用GWL—32型钢筋弯曲机,辅以手摇扳手、卡盘、扳头等手工工具。对需要弯曲已安装在结构上的钢筋,采用TJC型手提式液压弯曲机,一般可弯曲φ10~32的钢筋。不允许热弯曲,也不允许锤击弯曲或尖角弯折。HPB235级钢筋末端需要作180°弯钩,其圆弧弯曲直径不小于2.5d(注:d为钢筋直径,下同)。钢筋平直部分长度不宜小于3d;HRB335级钢筋末端需作90°或135°弯折,弯曲直径不小于4d,平直长度按设计要求确定;弯起钢筋末端弯钩按设计要求制作,设计无要求时,属抗震和受扭结构弯钩做成135°,平直长度不小于10d。(见钢筋弯钩图)
制作完成的钢筋构件按钢筋配料表分部位、规格、长度归类保护、保持洁净,并尽快使用。
制作完成的钢筋采用塔吊垂直运输,人工水平转运,并控制好下料长度,以免在运输过程中弯折。
4.2.5.2钢筋接头
本工程水平钢筋d≥22mm剥肋直螺纹连接,竖向钢筋d≥16mm电渣压力焊,其它绑扎搭接。
本工程钢筋焊接施工执行JGJ18-96《钢筋焊接及验收规范》和设计文件的有关规定。
所有焊接接点及焊接接头距钢筋弯曲处的距离不小于10d,也不得位于构件的最大弯距处。不得在受力主筋上施焊,如必须施焊时,不能点焊,施焊的焊缝长度不小于5d。
所使用的焊条、焊剂符合设计要求,有出厂合格证,焊工均持证上岗,每批钢筋正式焊接前,按实际操作条件进行试焊,试焊检验合格后才可正式成批焊接。
焊筋焊接接头或焊接制品,按焊接规范的规定,分批进行质量检查与验收,检查验收包括外观检查和力学性能试验。检查验收合格,经监理签收后再转入下一道工序施工。
钢筋采用焊接接头时,设置在同一构件内的接头相互错开。在受力钢筋直径30倍的区段范围内,有接头的钢筋截面面积占钢筋总截面面积的百分率,符合下列规定:
| 受拉区 | 不得超过25% |
| 受压区和装配式结构节点 | 不限制 |
4.2.5.3钢筋的绑扎搭接
绑扎接头搭接长度的末端距钢筋弯曲处,不小于10d,接头不得位于构件的最大弯矩处。
受拉区域内,HPB235级钢筋绑扎接头的末端做弯钩,HRB335级钢筋可不做弯钩。
直径不大于12mm的受压HPB235级钢筋的末端,以及轴心受压构件中任意直径的受力钢筋的末端,可不做弯钩,但搭接长度不小于钢筋直径的35倍,并满足设计要求。
钢筋的绑扎接头施工,执行GB50204-2002《混凝土结构工程施工质量及验收规范》和设计文件的有关规定。
有绑扎接头的受力钢筋截面面积占受力钢筋总截面面积的百分率,应符合下列规定:
| 受拉区 | 不得超过25% |
| 受压区 | 不得超过50% |
4.2.5.4钢筋的现场绑扎与安装
1)准备工作
核对成品钢筋的钢号、直径、形状、尺寸和数量等是否与配料单、料牌相符,如有错漏,应纠正整补。所示钢筋进场必须有生产合格证以及及时进行钢筋的检验合格记录方可使用。
准备绑扎安装钢筋用铁丝、工具、设备、绑扎架等。
准备好控制砼保护层用的塑料垫块。
清扫钢筋绑扎安装场地,在模板上或架立筋上用粉笔画出钢筋位置线,预埋件、预埋管线位置线。
2)钢筋绑扎总体要求
所有梁、板、墙、柱的受力主筋、箍筋、钢筋网均按设计图纸的要求设置,箍筋的弯钩叠合处沿受力钢筋方向错开设置。
钢筋的交叉点均采用双股22号铅丝扎牢。
钢筋弯钩平面与模板面垂直,转角处钢筋弯钩平面与模板夹角为模板转角的平分角。当采用插入式振捣器浇筑小型截面柱时,弯钩平面与模板的夹角不得小于15°。
受力钢筋接头位置设在受力较小处,接头互相错开,当采用非焊接的搭接接头时,从任一接头中心至1.3倍搭接长度的区段范围内,或当采用焊接接头时,在任一焊接接头中心至钢筋的一个锚固长度且不小于500mm的区段范围内,同一根钢筋不得有两个接头。
3)板钢筋绑扎安装
板的钢筋在施工前先搭好排架,铺好底模,绑扎前准确测量墙柱轴线及模板控制线并作好标记。
平板钢筋网绑扎时,四周钢筋交叉点每点扎牢,绑扎时注意相邻绑点的铁丝要成八字形,以免网片歪斜变形,板的钢筋网绑扎还注意板上部的负筋位置。
板的底部钢筋伸入支座≥10d且不小于120mm。
板支座上部钢筋(负筋)两端设直钩,边支座负筋伸入梁内满足锚固长度。
板上孔洞须注意预留,避免后凿。当孔洞尺寸小于300mm时,板筋由洞边绕过,不得截断;当洞口尺寸大于300mm时,设洞边加筋,遇洞切断的钢筋应作弯钩,按图纸要求施工;当图纸未交待时,则要在洞口每侧各加2根钢筋,其截面积不得小于被洞口截断的钢筋截面积,且不小于2φ12(HRB335级钢),长度为单向板受力方向以及双向板的两个方向沿跨度通长布置,并锚入梁内;单向板的非受力方向洞口加筋长度为洞宽两侧各加30d。施工时各工种必须根据各专业图纸配合土建预留全部孔洞。
双向板的底部钢筋,短跨钢筋置下排,长跨钢筋置上排。
跨度大于4米的板,要求板中起拱L/400。
所有钢筋要搭接接长时,在同一截面接头的钢筋截面积不得超过钢筋总面积的25%。
各楼层的端跨板的端角处(包括嵌固于剪力墙内或支承在框架梁上),在L1/3短向板跨范围内,用不少于5Φ8放射钢筋。
为保证板内负弯矩的正确位置和有效受力高度,所有板负筋均设置马凳筋Φ8@1000mm均匀布置并在梁边适当加密。
楼板钢筋的弯起点,如设计图纸无特殊注明的,可按以下规定弯起钢筋,板的边跨支座跨度1/10L为弯起点,板的中跨及连续多跨可按支座中线1/6L为弯起点。
4)框架梁、次梁钢筋绑扎安装
框架梁、次梁钢筋的接头选择在受力较小的位置。梁上部通长钢筋可选择在跨中1/3净跨范围内搭接。相邻两跨的下部钢筋当直径、位置相同时,钢筋通长,此时通长钢筋可选择在支座处接长。
梁钢筋绑扎采用满扎,扎点相互间呈“八”字形错开。梁箍筋除单肢箍外,其余箍筋采用封闭形式,制作成135°弯钩,当梁的上部钢筋为多排时,须注意主筋与箍筋绑扎牢固。
对于跨度≥9m的梁及悬臂长度>2m的挑梁,应按施工规程起拱。
构造柱与梁连接或在梁上立柱,梁上预先留出柱子钢筋。
梁内第一根箍筋距柱边50mm起设置。
当梁的截面净高度≥450mm时,在梁的两侧沿高度每隔200-300mm,应设置一根直径不小于10mm的纵向构造钢筋,并用拉筋连接,拉筋直径与箍筋相同,间距为箍筋的二倍。
因梁及板的钢筋规格较多,故在施工前,由专人负责核对钢筋的钢号、直径、形状、尺寸和数量,如有差错,要及时纠正增补,在绑扎复杂的结构部位时,研究逐根钢筋穿插应就位的顺序,并与模板工程联系,确定支模和绑扎钢筋的先后次序,避免返工和不必要的绑扎难度。
在梁纵向受力钢筋采用双层排列时,两排钢筋之间垫以直径≥25mm的短钢筋,以保持其设计距离。箍筋的接头(弯钩叠合处)交错布置在两根架力钢筋上。
梁交叉节点处钢筋穿插十分稠密时,留出振动棒头子插入空隙,以利灌筑砼。平板钢筋绑扎前必须按图纸划出钢筋间距位置线,尽量做到纵横向一条线。
5)墙、柱钢筋绑扎安装
承台施工时应预留柱插筋,柱竖向受力钢筋接头的标高位置满足设计要求,每边5-8根时,分二次接头;每边多于8根时,分三次接头。
墙柱竖向钢筋接头一般在楼板面以上每隔一根错开接头,第一次接头距楼板面≥500mm且≥Lae,第二次接头距楼板面再增加Lae。
柱箍筋一般为复合箍,由大箍和中小箍或拉结钢筋组成,除拉结钢筋外均采用封闭形式,并作成135°弯钩;箍筋的接头(弯钩叠合处)交错布置在四角竖向钢筋上。柱筋采用满扎,箍筋转角与竖向钢筋交叉点扎牢,绑扎箍筋时绑扎相互间成八字形。柱子钢筋保护层垫块在每面靠边均匀设置。
柱到顶时,其纵向钢筋锚入梁内。
柱与圈梁、钢筋砼腰带、现浇过梁相连时,留出相应的钢筋,钢筋长度为柱内外各Lae。
框架梁及柱帽等钢筋,放在柱的竖向钢筋内侧。
严禁与柱主筋点焊,以防钢筋局部发生脆断。
钢筋在绑扎前,均必须在柱周围搭设脚手架,所有操作人员均须在脚手架上进行施工,以确保钢筋绑扎时的人员安全。
竖向钢筋的接头按设计及施工要求制定相应的操作控制要点,对Ф≥18mm的钢筋采用电渣压力,其余采用冷搭接处理。
下层柱的钢筋露出楼面部分,宜用柱箍将其收进一个柱箍直径(搭接柱),以利上层柱的钢筋搭接,当柱截面有变化时,其下层柱钢筋的露出部分,必须在绑扎梁的钢筋之前,先行收缩准确,在绑扎钢筋过程中注意砼保护层的设置。
竖向钢筋的弯钩朝向柱心,角部钢筋的弯钩平面与模板面夹角对矩形柱为45。角,截面小的柱砼振捣用插入振动器时,弯钩和模板所成的角度不小于15°。
箍筋的接头交错排列垂直放置;箍筋转角与竖向钢筋交叉点均应扎牢(箍筋平直部分与竖向钢筋交叉点可每隔一根互成梅花式扎牢);绑扎箍筋时,铅丝扣要相互成八字形绑扎。
钢筋工程包括埋件,必须开具隐蔽工程验收,由质监部门检查合格后报请监理工程师验收认可后方可进入一道工序。
6)对墙柱竖向钢筋采用电渣压力焊接头的施工技术措施
施工工艺:
安装焊接钢筋
安放引弧铁丝
缠绕丝绵绳
造渣过程形成焊池
电渣过程钢筋端面熔化
切断电源预压钢筋完成焊接
卸出焊剂焊盒
拆除夹具
施工技术措施:
焊接钢筋时,用焊接具分别钳固上下的待焊接的钢筋,上下钢筋安装时,中心线要一致。
安放引弧铁丝球:抬起上钢筋,将预先准备好的铁丝球安放在上、下钢筋焊接的中间位置,放下钢筋,轻压铁丝球,使之接触良好。
装焊剂盒:先在安装焊剂盒底部的位置缠上石棉然后再装上焊剂盒,并再往焊盒满装焊剂。安装焊剂盒时,焊接口宜位于焊剂盒的中部,石棉绳缠绕严密,防止焊剂泄漏。
接通电源,引弧造焊,按下开关,接通电源,在接通电源的同时将上钢筋微微向上提,引燃电弧,同时进行“造渣延时读数”计算造渣通电时间。
“电渣过程”:随着造渣过程结束,实时转入“电渣过程”的同时进行“电渣延时读数”,计算电渣通电时间,并降低上部钢筋,把上钢筋的端部插入渣池,徐徐下送上部钢筋,直至“电渣过程”结束。“电渣过程”:工作电压控制在20-25V之间,电渣通电时间约占单个焊接过程所需时间的1/4。
顶压钢筋,完成焊接:”电渣过程”延时完成;电渣过程结束,即切断电源,同时迅速顶压钢筋,形成焊接接头。然后卸出焊剂,拆除焊剂盒、石棉及夹具。
钢筋焊接完成后,及时进行焊接接头外观检查,外观检查不合格的接头,切除重焊。
在整个焊接过程中,要准确掌握好焊接通电时间,密切监视造渣工作电压和电渣工作电压的变化,并根据焊接工作电压电离的变化情况提升或降低上钢筋,使焊接工作电压稳定在参数范围内,在顶压钢筋时,要保持压力数秒后方能松开操纵杆,以免接头偏斜或接合不良,在焊接过程中,采取扶正钢筋上端,以防止上、下钢筋错位和夹具变形。焊接结合时,立即并检查钢筋是否顺直。如不是顺直,要立即趁钢筋还在热塑状态时将其反直,然后延滞1-2min。
7)直螺纹连接施工工艺
(1)操作与调整
①准备工作:
a.将机床安装平稳,机床主轴轴心线应处于水平位置,如有倾斜,只能夹钳方向低于水平位置,但不得低于50o。
b.清理各部附着物,检查各部连接是否松动,是否齐全。
c.减速机加油到要求位置,推荐使用“工业极压齿轮油”,3-6个月更换一次。
d.加入切削液,把切削液倒入水盘中,流入水箱。
②试车:
a.接通电源,开启冷却泵,检查冷却水流量。
b.开启主电机,使主轴转方向与“转向标牌→”一致。
c.检查功能开关盒试操作是否正常,限位器是否灵敏正常,此项工作在设备出厂前已调整好,试车时按如下程序检验并调整:
·搬动进给手柄,检查滑板是否灵活。
·开启电源,主机处于工作状态。
·逆时针搬动进给手柄,至限位器,主机停机检查,限位器是否灵敏。
·搬动进给手柄至起始位置,切断电源做好运转准备。
③加工直径调整:根据所需加工的钢筋直径,用相应规格的试棒调整剥肋刀及滚丝轮的径向尺寸,而后锁紧。试加工确保质量无问题,方可正常加工。
④长度调整:根据所需加工直径调整剥肋退刀块的位置,使剥肋长度达到丝头所需的加工长度。调整行程调节板使滚丝长度与剥肋长度一致。
⑤钢筋装卡:把进给滑板机构置于操作位置的最后端极限位置,将待加工钢筋位置夹紧在夹钳上,钢筋伸出长度以滚丝头外端面为齐,然后夹紧,钢筋端头的位置不合要求会影响丝头的加工长度。
(2)钢筋加工及注意事项
①钢筋剥肋滚轧加工直螺纹丝头端面应垂直于钢筋轴线,不得有弯曲及马蹄形,必须用砂轮锯下料齐头,不可用切断机,严禁用手割下料。
②钢筋剥肋,用相应规格的调整试棒调整好剥肋头后试加工,剥肋直径不得低于该钢筋的底径尺寸,做好滚丝准备。
③钢筋滚丝,由于钢筋剥肋滚轧在同一台滚丝机上一次完成,钢筋在剥肋完成后依次进给完成滚轧过程。加工简单、方便,普通工人一般经过一小时培训就可掌握加工技术。每台班可加工250-300个丝头,为确保加工质量,必须持证上岗作业,对加工完成的丝头要求操作人员按如下规程进行自检:
a.外观质量:目测牙形饱满,牙项宽超过0.75mm,秃牙部分累计长度不超过1/2螺纹周长。
b.螺纹直径:光面轴用量规,通端量规应通过螺纺大径,止断则不应通过。
c.螺纹中径及小径:螺纹通止环规、通规能顺利旋入螺纹并达到旋合长度,止端旋入丝头不超过3t(t为螺距)。
d.滚轧长度:按螺纹旋合长度+(0.5-1)t(t为螺距)质检员按1%进行抽检,做好检验记录。检验合格的丝头立即将其一端拧上相应规格的塑料帽,另一端用扳手拧入相同规格的连接套至1/2套筒长度,存放待用。
④按要求调定机床直径和长度,并夹紧钢筋。
⑤开启水泵,逆时针搬动进给手柄,使主机启动并平稳前进,当滚丝轮接触钢筋后,仍需给手柄一定的力,使其能自动按螺距前行两个或三个螺距后再去掉手柄力,使其自动进给。
⑥当完成丝头滚轧长度后,机床会自动停车,起动反转按钮,滚丝头返回,当滚丝头即将离开丝头时,给手柄加一定的力顺时针摇到初始位置,机床停车。
⑦松开夹紧钳,取下钢筋,完成一个丝头的加工。
⑧滚轧过程中需用水溶性切削液进行冷却和润滑,当温度低于0℃时,可加入20%~30%的亚硝酸钠,严禁用油代替或不加切削液加工。
⑨做好接地保护,确保人身安全。
⑩冷却液箱正常加工15天清理更换一次。
减速机定期加油,保持规定的油量。
加工前机床应安放平稳。
更换新滚丝轮后应加少些机油滚压磨合。
操作过程中,如遇异常,立即停机检查,排除故障后方可继续加工。
调整尺寸或换轮时,应先关闭总电源开关,防止误操作损机伤人。
加工丝头时,如有拐筋,应先加工丝头,再进行钢筋弯曲,否则容易造成人员或设备损坏。
钢筋两头加工,应一头拧套筒,一头拧保护帽,防止搬运时碰坏丝头。
如遇上不合格丝头,必须重新切断滚丝。
8)钢筋现场验收
钢筋绑扎完进行“自检、互查、交接”三检查制,具体检查内容要求如下:
钢筋级别、直径、根数和间距均符合设计要求。
绑扎或焊接的钢筋网和钢筋骨架,不得有变形、松脱和开焊。
允许偏差:执行企业标准(高于国家标准)。
4.2.6验收标准:
钢筋绑扎完后,配置的钢筋级别,直径,根数和间距应符合设计要求。钢筋网和钢筋骨架不得有变形、松脱现象。经自检合格报监理工程师验收,验收合格后方可进行下道工序施工。钢筋位置的允许偏差如下表。
| 项次 | 项目 | 允许偏差(mm) | |
| 1 | 网的长度、宽度 | ±10 | |
| 2 | 网眼尺寸 | 焊 接 | ±10 |
| 绑 扎 | ±20 | ||
| 3 | 骨架的宽度、高度 | ±5 | |
| 4 | 骨架的长度 | ±10 | |
| 5 | 受力钢筋 | 间 距 | ±10 |
| 排 距 | ±5 | ||
| 6 | 箍筋、构造筋间距 | 焊 接 | ±10 |
| 绑 扎 | ±20 | ||
| 7 | 钢筋弯起点位移 | 20 | |
| 8 | 焊接预埋件 | 中心线位移 | 5 |
| 水平高差 | +3
-0 |
||
| 9 | 受力钢筋保护层 | 基 础 | ±10 |
| 梁 柱 | ±5 | ||
| 堵 板 | ±3 | ||
4.2.7钢筋的成品保护:
板筋按施工要求加设支撑,砼浇筑过程中铺设站人脚手板,严禁施工人员踩踏钢筋,并设专人看护钢筋,及时进行钢筋位置修复。
4.3模板工程
本工程模板采用九夹板。
4.3.1施工工艺:
模板施工顺序为:
满堂架
柱模
墙模
梁模
顶板模
梁墙柱头模
其中各段施工工艺流程为:
4.3.1.1柱模:
弹柱位置线
找平层做定位墩
办理预检
安拉杆及加固
安柱箍
安装柱模板
4.3.1.2墙模:
弹线检查
安装门窗口模板
一侧模板就位
安装斜撑
插入穿墙螺栓及塑料套管
清扫墙内垃圾
安装另一侧模
4.3.1.3梁模:
安装梁底模
梁底起拱
绑扎钢筋
安装梁侧模
弹出梁轴线及水平线并复核
搭设梁模支架
安装梁底楞或梁卡
安装上下锁口楞,斜撑楞和对柱螺栓
复核梁模尺寸位置
加固后验收
4.3.1.4板模:
搭设支架
安装板模木楞
调整楼板下皮标高及起拱
铺设模板
检查模板上皮标高,平整度
绑板筋
4.3.2主要部位模板支设方案
4.3.2.1剪力墙模
剪力墙模采用整块九夹板(竖放),竖楞采用50×100mm木方,竖向木方间距300mm,横向采用双排Φ48×3.5钢管,间距为500mm。模板加固采用配套Φ14穿墙螺杆,螺杆按500×500mm间距排设,在楼层砼浇筑时在距砼墙边200mm处预埋Φ20@500钢筋头以备用来固定下层砼墙模板根部以防砼浇筑时墙根移位,另为防止砼墙上下口接头位置涨模及保证接头位置施工缝不漏浆,上层模板应低于下层板面300mm并有穿墙螺杆固定,具体做法如下图:

内 剪 力 墙 模

外 墙 剪 力 墙 模
4.3.2.2柱模
柱模采用九夹板,加固肋条采用50*100木方及Φ48钢管紧固,柱模四边在板中预埋Φ20钢筋头固定加固钢管,用来穿螺杆的PVC管长度等于砼构件厚度,即PVC管正好卡在两侧模板的里边,且在PVC管与模板的接触面处加设专用塑料垫块,以防漏浆,采取这种施工方法可以取消原施工方法中墙柱内支模用的钢筋撑铁,大大节约钢材用量,且浇筑完的砼观感好,具体做法如下图:

4.3.2.3梁模
梁模采用九合板,加固肋条采用50*100木方及Φ48*3.5钢管做背杠,当梁高超过600mm时增设穿梁拉杆,拉杆通过“3”型卡、螺帽与加固肋条连接,螺杆横向间距为600mm,竖向间距视梁高而定,梁高600-800mm时设一道拉杆,800-1200时设二道拉杆,1200~1500设三道拉杆。梁底模为先加工成型模板(块)拼成,梁侧模则按交叉梁位置留设岔口,具体支设方案如下:
梁 模 支 设 加 固 图

1)在柱子上弹出轴线,梁位置线及水平线、钉柱头模板。
2)按设计标高调整水平担杆标高,然后安放梁底模,并拉线找平,当梁底跨度大于或等于4m时,跨中梁底处按设计要求起拱,如设计无明确要求时,按起拱高度为梁跨度的千分之二起拱,主次梁交接时,先主梁起拱,后次梁起拱,悬挑梁需在悬臂处起拱千分之六。
3)支撑高度在4.5m以下时,设二道水平拉杆并设剪刀撑,超过4.5m时,设双排立杆、三道水平拉杆及剪刀撑。
4)根据所弹墨线安装梁侧模板,顶撑杆及斜撑等。
5)为保证梁在砼浇筑时不发生变形,其梁下支架立杆设三排,立杆间距≤500mm。
4.3.2.4板模
采用九合板做面板,木方做背肋,满堂钢管脚手架做支撑及加固,根据工程特点,凡密肋楼盖处立杆间距为≤800mm,其它板为≤1000mm,立杆距密肋梁间距为≤250mm,为保证支撑的牢固性,设一道扫地杆,二道水平杆,木方背肋按大龙骨间距600-1200mm,小龙骨间距400-600mm排设。铺板底模板时应从四周向中心铺设,在中间收口板模铺设完毕后,应清扫干净,检查合格后再铺设钢筋,考虑到楼层施工荷载,为保证施工质量,梁板模拆除时间必须满足表中规定。具体配模见图。
板 模 支 撑 图

4.3.3模板支设条件
4.3.3.1基础:基础垫层浇注完毕,并已经验收合格,垫层面积水排除干净;垫层已弹好梁线和底板边线并已清理干净。
4.3.3.2现浇板、圈梁、楼梯:砖砌体已经验收合格,允许进行下道工序施工。各楼层已弹好标高控制线,梁板模板位置、标高等已经验收合格。
4.3.4支设拆除通用要求
4.3.4.1支设:
1)选用的木模平整、无翘曲、变形、坑凹等缺陷。选用的胶合板无烂板,或将烂板部分锯除后方可使用。
2)模板拼装时,板缝必须用海绵条预先夹挤处理后方可继续进行拼装。
3)钢管支设必须满足稳定性、强度、刚度要求,扣件必须拧紧。
4)模板内侧或表面需平整,接缝严密,不得漏缝。
5)模板支设调整时不得对木模、扣件等硬砸,以免损坏其使用性能。
6)各种预埋件和予留孔洞的规格尺寸、数量、位置必须符合图纸要求。
7)柱模、梁模必须预先于加工场制作完毕并经过预先拼装后,方可运至施工现场使用。
8)梁板柱接头一律采用专门制作的定型接头模板。
9)梁模板按要求起拱。
10)模板正式支设前必须刷好脱模剂,保证砼浇筑完毕后能顺利拆模。
4.3.4.2 拆除:
1)模板拆除流程按支设流程反向进行。
2)拆模时不要用力过猛或过急,拆下的模板、支撑等及时清运整理。
3)模板拆除后须及时清理干净、分类堆放整齐。
4)梁、板、柱拆模时应小心碰坏梁边角。
4.3.5模板支设节点处理:
4.3.5.1梁柱接头:根据以前柱砼接头施工时,模缝不严,造成砼浇注时接头处漏浆严重,造成接头砼质量差。现采取在柱接头处粘2mm双面胶带或粘海绵条,再拼接模板(梁柱接头模板详见下图)。
4.3.5.2以往楼梯踏步模支设时,只支设踏步侧、立面,踏步上平面不支模板。砼施工时,容易造成踏步上平面不平整,踏步高度不一致,易跑模,及施工人员上下楼梯成品不易保护、踩上脚印等缺点。吸取以前经验,现改为全封闭,踏步楼板为浇捣砼、下料方便,每隔三、四步留一块活动踏步上平面模板。待砼浇捣到该踏步时,再封死。继续浇捣直到该楼梯砼完。
该施工方法施工楼梯段踏步,尺寸较准确,可以直接贴面砖或进行大理石装修,不用剔凿。
4.3.5.3梁板模板大样图、楼梯模板大样图如下:
楼梯模板支设示意图
梁板模板支设示意图
4.3.6模板拆除
4.3.6.1模板的拆除时间根据工地所留同条件养护试块的强度决定。
4.3.6.2墙、柱及梁侧模在砼强度能保证其表面及棱角不因拆模而受损坏后即可拆除。
4.3.6.3梁板底模在砼强度达到下表条件后,方可拆除。
| 结构类型 | 结构跨度(m) | 砼实际强度达到
设计强度的百分率(%) |
| 板 | ≤ 2 | 50 |
| > 2≤ 8 | 75 | |
| >8 | 100 | |
| 梁 | ≤ 8 | 75 |
| >8 | 100 | |
| 悬臂梁、板 | — | 100 |
4.3.6.4模板拆除顺序遵循先支后拆、后支先拆,先拆不承重的模板,后拆承重部分模板,自上而下,支架先拆侧向支撑后拆竖向支撑的原则。
4.3.6.5模板工程作业组织,遵从某一区段的支模与拆模,由同一个作业班组人员施工,由于支模时已考虑到拆模的安全与方便,且拆模时其班组人员熟知情况,易找到关键点、位,对拆模的进度、安全、模板及配件的保护都有利。
4.3.6.6拆模时不得用钢棍或铁锤猛击乱撬,以防砼外观及内部受损,严禁使拆下的模板自由坠落于地面。
4.3.6.7拆下的模板立即组织人员清理表面,在刷完脱模剂后方可吊入下层进行拼装。
4.3.6.8未经技术人员通知,不经施工员安排,任何人员不得随意拆除模板、支撑及加固系统。拆模前必须开具拆模令后方可施工。
4.3.7质量控制及成品保护
4.3.7.1质量保证措施
1)针对本工程特征,拟设木工放样师2名,配合安质部门及监理工程师对模板工程进行监督、检查,以确保模板施工质量,其质量控制框架图如下:
技术员
技术部长
木工放样师
安质部
木工施工作业班组
总工程师
2)模板支设完毕后,由施工员、质检人员会同木工班组长进行联合检查,对所有模板的清洁、加固、接缝是否符合要求,并对模板的轴线、标高、垂直度进行复核,经复检合格后由工地技术负责人通知甲方监理进行三方验收,验收通过后方可浇筑砼。
4.3.7.2质量控制要点
1)梁、板模板
现象:梁、板底不平、下挠、梁侧模不平直,梁上下口涨模。
控制方法:梁、板底模板的龙骨及支撑的截面尺寸及间距应通过设计计算决定,使模板的支撑系统有足够的强度和刚度,且作业中应认真执行设计要求,以防止砼浇筑时模板变形。模板支柱应座落在坚实的地面上,且各扣件应紧固,避免因支柱下沉引起梁板产生下挠,同时梁、板模板应按设计及规范要求起拱,梁模板上下口设置销口楞后再进行侧模加固,以保证上、下口模板不变形。
2)柱模板
(1)现象:涨模,断面尺寸不准
控制方法:根据柱高和断面尺寸设计校算柱箍尺寸和间距以及对大断面柱使用穿柱螺杆和竖向钢楞,以保证柱模的强度、刚度足以抵抗砼的侧压力。
(2)现象:柱身扭向
控制方法:支模前先校正柱筋,使其首先不扭向,安装斜撑或拉锚吊线找垂直时,相邻两片柱模从上端每面吊两点,使线坠到地面,线坠所立两点到柱边所弹墨线距离均相等,从而保证柱不扭向。
(3)现象:轴线位移,一排柱不在同一直线上
控制方法:成排柱子、支模前先在地面上弹出柱轴线及轴边通线,然后分别弹出每柱的另一方向轴线,再确定柱的另两条边线。支柱模时,先立两端柱模,校正垂直与位置无误后,柱模顶拉通线,再支中间柱模,柱距较小时,通排支设水平拉杆及剪力撑,柱距较大时,每柱分别四面支撑,保证每柱的垂直及位置正确。
3)墙模板
(1)现象:墙体厚度不一,平整度差
控制方法:模板设计有足够的强度和刚度,龙骨的尺寸和间距,穿墙螺栓间距,墙体的支撑方法严格按施工交底执行。
(2)现象:墙体烂根,模板接缝处跑浆
控制方法:模板根部先用砂浆找平塞严,下口用木方与预埋件顶牢,模板间卡固措施牢靠。
(3)现象:门窗洞口变形
控制方法:将门窗模板与墙模及墙体钢筋固定牢固,门窗模板内设剪刀支撐。
4.3.7.3文明施工
所有木模、木方、钢管在支、拆模及运输时,应轻搬轻放,发现模板有变形的应及时修理,模板拆完后应及时清理干净表面砼渣,并涂刷脱模剂分规格码放。木模不得随意开洞,锯口、堵缝小块九夹板及不能再利用之模板不得随意乱放,应运到工地废料收集点集中码放。
所有卡扣分类别在拆模时用编织带集中收集,然后吊入下层进行施工,不得随意抛弃及混装。每层楼面拆完模后必须清理完所有楼板面上的垃圾及废料,做到文明施工,规范作业。
模板支设完毕后,应清扫干净梁底、板上锯末、木屑。
4.3.8模板支设质量验收标准:
4.3.8.1模板及其支架必须有足够的强度、刚度、稳定性。管架的支撑部分必须有足够的支承面积,并有适当的排水措施。
4.3.8.2接缝宽度不得大于1mm,并用海绵或胶带封严。
4.3.8.3所有模板使用前必须清理、刷隔离剂。
4.3.8.4允许偏差项目:
| 序号 | 项目 | 允许偏差(mm) | |
| 1 | 轴线位移 | 基础 | 5 |
| 柱墙梁 | 5 | ||
| 2 | 标高 | ±5 | |
| 3 | 截面尺寸 | 基础 | ±10 |
| 柱墙梁 | +4 — -5 | ||
| 4 | 每层垂直度 | 3 | |
| 5 | 相邻两板表面高低差 | 2 | |
| 6 | 表面平整度 | 5 | |
| 7 | 予埋钢板中心线位移 | 3 | |
| 8 | 予埋管孔中心线位移 | 3 | |
| 10 | 予留洞 | 中心线位移 | 10 |
| 截面内部尺寸 | +10 — -0 | ||
4.4混凝土工程
本工程主体结构部分采用商品砼,泵送至施工作业面的施工方法。
4.4.1混凝土浇筑前的准备
4.4.1.1商品砼的配合比由检测中心根据现场采样的砂、石、水泥情况及设计要求做好配合比试验,商品砼搅拌机现场必须依据试验室提供的配合比进行施工,严格执行计量工作,经常抽查配合比、坍落度是否正确。
4.4.1.2混凝土浇筑前所有机械设备必须齐全,并经全面维护保养,以保证混凝土浇筑过程中所有机械设备运转正常,施工中维修人员跟班作业。
4.4.1.3进场材料必须满足砼质量的需求,石子冲洗,黄砂过筛。
4.4.1.4施工现场所有水、电必须保证供应,事先与供电、供水部门取得联系,防止突然停电、停水影响工程质量。
4.4.1.5混凝土施工前应安排好劳动力,并对有关施工人员以书面形式作安全、技术、质量、操作交底,以保证安全生产、工程质量和各项技术经济指标全面完成。
4.4.1.6浇筑前对模板、承重体系必须进行复查,随时做好紧固工作。
4.4.2砼浇筑
4.4.2.1本工程采用墙柱和梁板砼同时浇筑的方法。
4.4.2.2浇筑过程中应有专职人员负责检查支撑系统的稳定性,随时观测支撑体系是否变形或下沉、模板有无漏浆等情况。
4.4.2.3混凝土的振捣浇筑技术,对混凝土质量起至关重要的保证作用,振捣由专业人员操作,并事先进行技术交底,振捣时实行定人定位操作,并由施工管理人员现场旁站监督。
4.4.2.4浇捣柱砼时,砼从高处倾落的自由高度不应超过2m。第1皮浇筑厚度控制在70cm左右,此后可控制在100cm左右。
4.4.2.5砼浇捣方向沿结构短向进行,以利两幅之间的连接,循序渐进,一次浇成。梁高≧400mm时应分层浇筑,当达到板底位置时即可与板的砼一起浇筑。
4.4.2.6浇捣楼板时,应控制其厚度及平整度,可在柱筋上预先测设控制点,并在中间组成间距2m的控制网。中间控制点可予制标准块,或用水平仪直接测量。
4.4.2.7砼表面处理做到:
1)首先按标高用煤铲铲平、拍实,并用长刮尺刮平;
2)然后用1m长滚筒碾压密实滚平;
3)终凝前,用木抹子搓毛三遍,防止砼出现收水裂缝。
4.4.2.8施工缝留设原则根据规范执行,施工缝的处理应清除表面浮浆,压力水冲洗干净后,清除积水,浇捣时先用5cm厚与砼同标号水泥砂浆铺底。
4.4.3砼养护
砼浇捣终凝后,即应浇水养护,覆盖草包保护砼湿润,养护时间不小于14天。
4.4.4试块制作、养护等试块是已浇砼强度的重要依据,所以现场试验送样员一定要认真做好该项工作。
4.4.4.1试块制作数量应按规定留足,凡是因为工期或搭接要求而需提前拆模的,要做好拆模试块。(按7d、14d二个龄期试压)
4.4.4.2试块制作要在浇灌的同时,随机抽样制作,且要符合构件的实际性,能反映出构件的实际情况。
4.4.4.3试块养护分二种情况,除拆模试块在工地同条件养护外,其余一律送标准养护室养护。
4.4.4.4浇灌砼时应在施工日记中详细记录其浇灌位置、标高、构件、名称、强度等级、配合比、浇灌时间、试块留置数量及振捣人员等。
4.5劲性柱施工方案
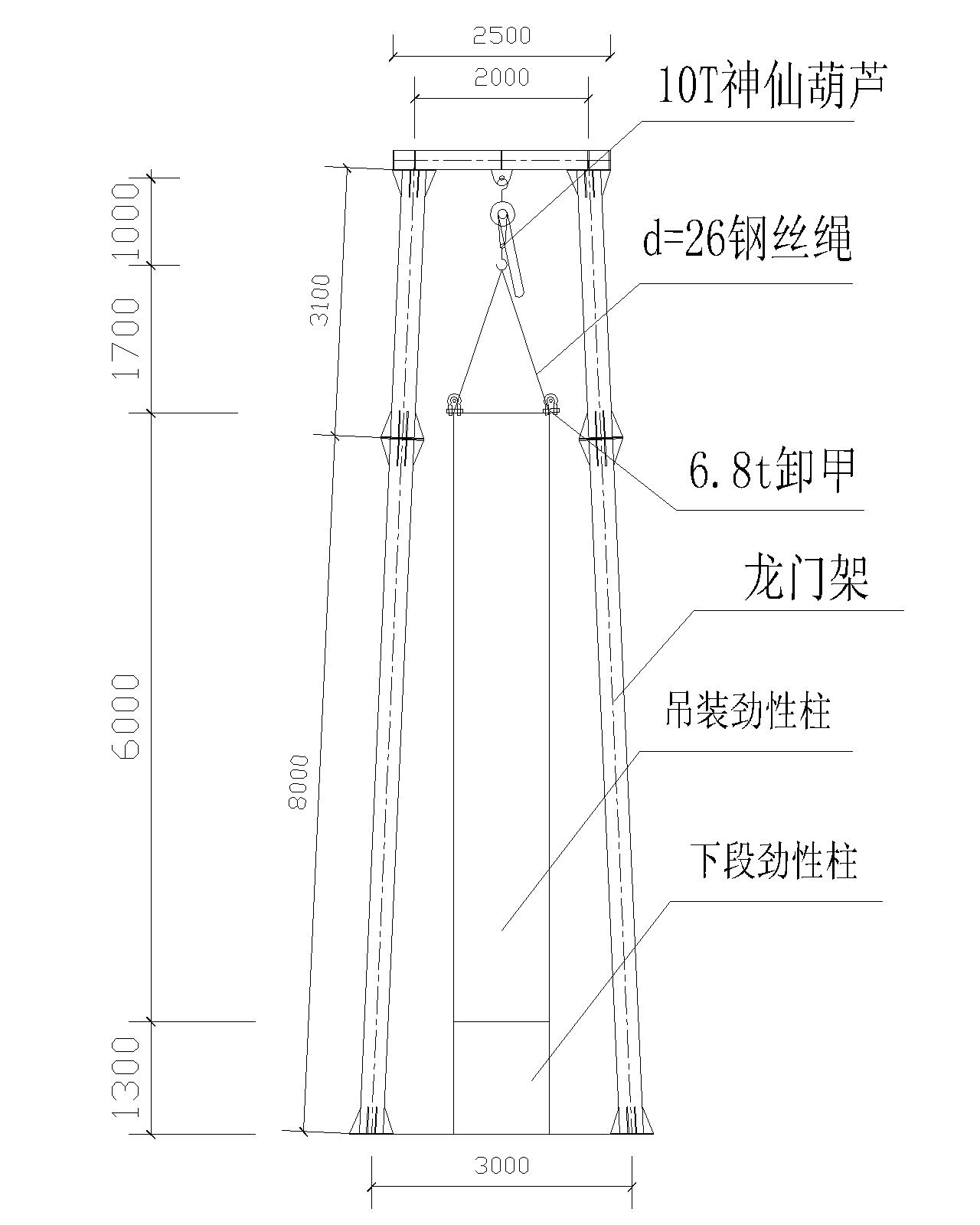
4.5.1工程概况
根据设计要求,1#楼地上部分1~27层,设置四支钢结构劲性柱(KZ6)。
劲性柱截面为H焊接型钢,腹板二边各焊接二支T型铁,截面尺寸:1~16层为1500*1200*38*36,每米单重约为1500公斤,16~26层为1200*1000*32*36,每米单重约为1100公斤,26~27层为1100*800*32*32,每米单重约为680公斤。最大分段长度约为6米,最大单件构件重量约为9吨左右。
根据工程现场实际情况,劲性柱的吊装就位是本工程的难点。由于塔吊起重量的限制,劲性柱无法利用施工现场塔吊安装、就位,现根据施工现场实际情况,利用现场的塔吊,将构件垂直运输至安装楼面,随后用液压推车将构件水平运输至劲性柱就位地点,采用龙门吊架及链条葫芦将劲性柱吊装就位。工期方面:钢结构施工安装必须提前于墙柱钢筋绑扎工序之前,因此钢结构施工进度将直接影响整体的施工进度。
针对上述工程特点,本公司将充分运用以往一些工程的成熟工艺和经验,以专业化的管理、精湛的制造技术、精益求精的检测态度,针对上述工程的特点和难点,采取一系列对策,确保工程质量和进程目标的实现。
本工程除了在工厂严格按照设计图纸和国家规范和本公司工艺要求制作外,特别要注意现场与土建工程配合搭接,并随时接受业主、甲方、监理的监督、指导。这样才能确保此工程高质量地按时完成。
4.5.2施工准备
根据设计院提供的设计图纸,工厂必须进行施工图深入消化,如板材的焊缝焊接,节点的深化设计等工作。施工图深化设计应符合原设计的技术要求和规范。工厂按施工图制造,凡变更设计、改变结构或与设计不符时,均应提交设计院认可并备案。本钢结构工作量大,质量要求高,工期要求紧,必须要有一个良好的施工准备及计划。
4.5.2.1建立管理班子:技术、工艺、质量、设备、施工、安全等均需配备专人负责。
4.5.2.2熟悉图纸了解技术要求,阅读并掌握有关资料,技术标准的工艺要求,正确使用设计、制作及验收标准规范。
4.5.2.3了解钢结构与土建的关联,是确定施工现场吊装方案的重要依据。
4.5.2.4设备、劳动力准备:根据制作、预拼装、现场吊装等三个阶段的工程内容,合理调整,添置工夹量具、设备、安排好劳动力。
4.5.2.5钢结构制作、安装、验收、质量检验评定按钢结构设计总说明要求进行。
4.5.3材料
4.5.3.1本工程使用钢材质量为Q345B,所采购钢材质量应符合GB/T1591《低合金高强度结构钢》标准,钢材的含碳量,抗拉强度,伸长率,屈服强度、冷弯要求、冲击韧性等保证符合规范及设计要求。
4.5.3.2钢材表面有锈蚀或划痕缺陷时,其深度不得该钢材厚度偏差的1/2,钢材表面缺陷不得超过现行国家标准。
4.5.3.3工厂按ISO9002质量要求的规定,验收所有订购的钢材,工程所用的钢材、螺栓、锚栓、焊条、焊剂、栓钉等,均要有质量保证书,并按规范要求进行自检。
4.5.3.4本工程的钢材,消耗辅料为专料专用,焊接材料等,均需存放在仓库内,制订严格的领用制作台帐。对关键的主要的焊接使用的焊接材料应能追踪。
4.5.4工厂制作
钢结构经放样、加工、组装、焊接、校形、测量、初验、预拼装、调整、检验、焊接成形,完成制作。
工艺流程为:钢板预处理--放样--胎架设置—下料--切割--零部件加工成型、焊接--校形--单元组装--焊接--修整--预拼装--交验--表面处理--运输--现场安装--交验
4.5.4.1放样
1)钢结构放样是保证产品精度和制作质量的关键,采用1:1的足尺大样制作样板和单图保证每个另件的放样尺寸和总体放样要求。
2)凡需先下毛坯料,进行拼板后第二次下料的必须划出毛坯拼板单图部件和拼板结束后,应提供二次下料单,并在单图上划出水平和垂直线并注加符号。
3)凡一次成型的零件,如需要焊接坡口,下料时必须把坡口开好。坡口的形式和要求,按图纸技术要求的规范标准。
4)钢板不平度如果超标,应予以校正。
5)放样后划下料单图,拼板,根据工艺要求,长度和度方向加放焊接收缩余量。
6)放样时,有与设计图纸要求不符时,施工单位无权随意修改,必须得到设计单位认可,并有书面通知后,方可继续施工。
7)放样、制作、测量、交验所使用的量具、仪器、仪表等应由二级以上计量机构检查合格后方可使用。实量尺寸时应有二人过目,以免差错,工地用尺与工厂用尺应相互校验并有数据。
4.5.4.2切割、下料
1)H型钢翼缘板和腹板应用半自动切割机切割,对于加筋板等可用剪板机剪切,切割过程中,随时控制割距的摆动,调整断面垂直度和坡口角度。
2)切割前应将钢材切割区域表面的铁锈,污垢等清除干净,切割后材料应及时清除溶渣和飞溅物,做到工完料清,未经清除和打磨过的材料,不得进行拼装、焊接。
3)下料前应仔细检查钢板牌号、规格,确认无误后方可切割下料。
4)零件工割线、样板、号料线的允许偏差:
手工切割 ±2.0mm
自动半自动切割 ±1.5mm
切割坡口角度 ±5°
切割面垂直度偏差不大于零件厚度的5%,且不大于2mm。
5)按工艺规定,主要零件要标明图号,构件编号,加工符号,坡口规格及划出检验直线,作好零件下料的原始记录。
4.5.4.3制作
1)H型钢翼缘板和腹板的长度和宽度若需进行拼接,翼缘板和腹板拼接缝不能在同一断面上,相互错位距离应保证≥200mm以上,以避免焊缝交叉和焊接应力的集中。
2)定位焊由专职焊工施焊,定位焊缝长约50~80mm,间距400~600mm,焊脚尺寸不得大于设计焊脚尺寸一半。定位焊缝应距设计焊缝端部30mm以上,组装结束,经验收合格后,可允许焊接。
3)火工校正热济温度应控制在600~800℃之间,加热速度在4~10mm/秒之间,焰心距板面2-3mm,温度尚未降至室温时,不得锤击钢料同时注意表面氧化。
4)零部件在加工过程中如发现材料有缺陷,必须经过处理,钢板不平及焊后变形,随时进行校正。
5)组装时,板材对接和构件组装的外型值尺寸做好原始记录,制造允许偏差应符合钢结构技术要求的规范规定。
6)A、B级螺栓孔(1类孔)应具有H12精度,孔壁表面粗糙度Ra不应大于12.5μm。C级螺栓孔(II类孔)孔壁表面粗糙度Ra不应大于25μm,允许偏差值应符合GB50205-2001的规定。
7)H型钢及T型钢分别组装、焊接成型、并进行矫正。
8)将经检验合格的H型钢及T型钢组合成异性劲性柱。
4.5.5焊接
4.5.5.1焊接要求
1)钢材为Q345时,手工焊接焊条采用E50*型,采用自动或半自动焊接时所采用的焊丝和焊剂应与主体金属强度相适应。
2)本工程H型钢为全熔透焊缝,腹板需按规范要求坡口。翼缘和腹板的焊接采用埋弧自动焊,,翼缘板腹板需接长时,应采用等强的对接焊缝焊接,焊缝质量均为一级,根据规范要求,须100%超声波探伤。
3)焊条、焊剂按产品说明书进行烘焰、保温。
4)焊剂的粒度、埋弧自动焊1.0~3.0mm,埋弧半自动焊为0.5-1.5mm。
5)引、熄弧板的母材与坡口必须与主焊缝的材料一致。
6)施焊时,母材的非焊接部位,严禁焊接引弧,避免母材损伤。
7)凡需全焊透的部位,用砂轮打磨碳刨处的氧化物和粘碳后再进行施焊,两端必须加80×120mm引熄弧板,埋弧自动焊必须在距杆端部处的引弧板上起、熄弧。
8)埋弧自动焊焊接中不应断弧,如有断弧必须将断弧交接处刨成1:5斜坡后再继续搭接50mm施焊。
9)埋弧自动焊焊剂覆盖厚度不小于20mm,埋弧半自动焊覆盖厚度不小于10mm,焊后应待焊缝冷却后再敲去熔渣。
10)焊缝处二端30-50mm内的铁锈、氧化皮、油污、水伤等均应清除干净,如清理后不能及时施焊而受潮生锈时,在焊前必须重新清理。
11)补焊必须避免短焊缝,修补长度大于40mm。
12)焊接坡口型式,按设计要求及钢结构规范要求。
4.5.5.2焊接工艺要求
1)坡口的接缝,如槽中有杂质,则应将杂质清除。
2)接缝的间隙,坡口尺寸的槽形和深度,必须符合规范,对影响焊接操作、焊接质量的严重超差,应在焊接前进行修正。
3)接缝的定位焊接质量应良好,当定位焊缺陷影响焊接操作和焊接质量时,应在焊前进行返修。
4)采用埋弧自动焊时,原则上应在装配好的当天焊完,并严格控制装配间隙,一般不超过1~1.5mm。
5)手工焊对于较长的焊接缝应采用逐步退焊法或分中逐步退焊法。
4.5.5.3焊缝检验
1)所有焊接必须进行外观检查,不得有焊瘤、未溶、夹渣、气孔、咬边未填弧坑等缺陷,焊缝外型均匀一致,焊道与焊道,焊道与母材之间应平滑过渡。
2)焊接出现缺陷时,焊工不得擅自处理,应查清原因,订出修补措施后方可焊接,同一处的返修不宜超过2次,返修应作好记录。
3)焊缝无损检测要求按GB11345-89标准执行。
4.5.5.4劲性柱经检验合格后,进行栓钉焊接。栓钉的质量、规格、安装间距及施工质量应符合规范及设计要求。
4.5.6现场安装
钢结构范围:劲性钢柱。根据劲性钢柱图纸进行分段,吊装重量控制在10t以内。钢结构安装采用龙门架安装,钢构件根据深化设计图纸加工制作运输至施工现场。
钢柱吊装示意见下图:

4.5.6.1钢构件进场安装前,应对标高、轴线进行复测,若超过允许范围,应及时与设计工程师、工程监理联系,妥善解决后方可施工安装。施工人员应做好现场实测,放好大样,划出安装位置线。
4.5.6.2根据施工现场进度要求,钢结构分批进场。
4.5.6.3劲性钢柱安装工艺
钢柱安装就位,钢柱的平整度与垂直度,如有误差,应进行调整。用经纬仪和水准仪进行边吊边校,校正完后临时固定。标高偏差值≤5mm,只记录不调整,超过5mm需进行调整。柱顶的标高误差主要产生原因有以下几方面:
1)吊装后垂直度偏差造成;
2)钢柱电焊对接造成焊接收缩;
调整的方法是:如果标高高了,必须在后节柱上截去相应的误差长度;如果标高低了,须采用填塞相应厚度的钢板,钢板必须与原钢柱同种材质,另外需注意如下:一次调整不宜过大,一般以5mm为限。
4.5.6.4施工工序
轴线、标高投放
钢柱安装
劲性钢柱对接
安全设施搭设
测校
焊接施工
施工连接
无损探伤
隐蔽验收
钢筋砼施工
全过程监测
4.5.6.5钢柱安装技术措施
1)钢柱安装前应对下一节钢柱的标高与轴线进行复验,发现误差超出规范,应立即修正。
2)安装前,应对钢柱的长度、断面、挠曲等进行预检,发现问题即向技术部门报告,以便及时采取措施。
3)安装前,应在地面上把钢爬梯等装在钢柱上,供登高作业用。
4)钢柱加工厂应按要求在柱二端设置临时连接耳板。
5)钢柱安装就位后,马上进行初校(垂直度、位移)。上层接柱用夹板与螺栓拧紧固定。然后才能拆除索具。拆除索具采用钢管爬梯。
6)分段钢柱焊接时,由于楼层砼已施工完成,焊接部位出砼楼层面1300mm,可以直接站在楼层上焊接分段钢柱。
7)焊接施工:总的焊接施工原则是尽量保证在较小的拘束度下焊接,使接头具有较小的焊接应力,并采取对称施焊,减小焊接变形。坡口焊接,手工电弧焊时打底焊宜采用较细直径的焊条。密切注意坡口根部的焊透、咬合
4.5.6.6钢构件吊点必须牢固,以重心为中心位置,对称布置。
4.5.6.7钢构件起吊前应进行试吊,确认安全后方可正式起吊。
4.5.6.8钢结构安装精度应符合GB50205—2001规范要求。
4.5.6.9工地焊缝应满足规范及设计图纸要求。一级焊缝应由社会检测单位进行100%超声波探伤。
4.5.6.10钢结构安装结束后应进行隐蔽工程验收。
4.5.7质量控制
4.5.7.1钢结构制作安装,按图纸及钢结构技术要求、规范执行。
4.5.7.2所有材料进厂必须附有质量证明书。
4.5.7.3严格执行工序检测,质量控制配备专业人员进行施工现场管理。
4.5.7.4构件制作安装后,复测尺寸至要求。
4.5.7.5严格执行工艺纪律,控制焊接变形,焊接严格按设计要求,一级焊缝应由社会检测单位进行无损检测,做好隐蔽工程报告及质量控制点。
4.5.7.6所有焊工必须经政府授权的有关部门考核并取得有效资格证书后才能上岗。焊工必须熟悉工艺要求,明确焊接工艺参数:自动焊600~650A、28~32V;手工焊:160~180A,26~28V焊前应检查秒使用设备的工作状态正常,仪表、工具、良好齐全可靠方能施焊。
4.5.7.7竣工资料严格按GB50205--2001标准执行。确保资料完整交建设方。
4.5.8钢结构安装管理网络
4.5.9施工现场安全措施
结构安装班组
材料、质量主管
设备安全主管
技术、工艺主管
项目经理
1)施工现场的防火工作应严格按沪建施(87)第669号文件规定执行。
2)进入施工现场必须带好安全帽,遵守安全生产六大纪律。
3)吊装前,应检查机械专具、夹具、吊环等是否符合要求,并进行试吊。吊装时必须有统一指挥的信号,服从专职人员的指挥,不得违章作业,严格按“十不吊”的有关规定。
4)吊装构件时,应按设置的吊点进行起吊,吊装前要分析其重心位置,以免发生倾翻事故,风速为10米/秒时,吊装施工应停止,当风速达到15米/秒时,雷雨、大雾天气、所有工作均应停止。
5)施工期间应注意对电气设备、电线、电缆的保护,防止损坏,漏电,电气设备的接地应安全可靠,电箱必须要有漏电保护器。
6)材料堆放整齐,不得随意乱放,吊装时,使用的电焊机、空压机、氧气瓶、乙炔瓶、油漆及其他化工材料应按规定距离分开堆放,不得混放。氧气、乙炔配好回火装置。
7)脚手架搭建完,须经有关人员检验,符合脚手架工程安全规范,加设牢固围护栏,安全网,上下人行梯。
8)钢结构的吊装焊接区域,必须设置安全警戒线,严禁高空坠物。
9)高空作业要使用安全带,安全带生根处须安全可靠,不得穿硬底鞋,必须随带工具袋,高空作业人员不得喝酒,在高空不得抛物。
10)设立消防专用箱,有关部门要定期检查和更换灭火机。
11)加强工地安全教育,遵守施工现场的各项法规、条律和文明规范。
12)有易燃、易爆物品的区域应设立标志,禁止动火与抽烟。
13)现场铺设的临时照明线路,必须用绝缘支撑物。
14)安全技术措施:劲性钢柱安装时,设置临时性钢扶梯,临时钢扶梯利用钢管脚手或由钢筋制作。对于劲性钢柱安装拆除吊索,本工程采用工具式钢扶梯,分段制作,安装前在地面将钢扶梯,分段钢柱定位好后,利用临时钢扶梯拆除索具,钢扶梯可重复利用。
1)安全检查制度:做好安全检查工作,进行安全责任考核,督促做好安全防护工作,严格执行安全管理制度。
2)安全教育制度:对进场人员进行安全教育,包括安全的基本常识、安全责任制、安全作业方法等的教育,形成人人懂安全,人人管安全的环境。
3)安全交底制度:做好二级交底工作,技术部向工程部交底,工程部在施工前必须逐组进行安全技术交底,其交底内容针对性要强,并做好记录,并明确责任。
4.5.10.2测量仪器配置表
| 序号 | 仪器设备名称 | 型号 | 精度 | 单位 | 数量 | 产地 |
| 1 | 经纬仪 | 台 | 1 | |||
| 2 | 水准仪 | 台 | 1 | |||
| 3 | 铝合金标尺 | 把 | 2 | |||
| 4 | 拉力磅 | 把 | 2 | |||
| 5 | 线 锤 | 只 | 2 | |||
| 6 | 钢卷尺 | 50m | 把 | 1 | ||
| 7 | 钢卷尺 | 2m | 把 | 2 |
| 序号 | 类 别 | 人数 | 负 责 内 容 |
| 1 | 作业班长 | 1 | |
| 2 | 起重工 | 4 | |
| 3 | 校正工 | 2 | |
| 4 | 电焊工 | 4 | |
| 5 | 安全监控员 | 1 | |
| 6 | 电工 | 1 | |
| 7 | 机修工 | 1 | |
| 8 | 辅工 | 1 | |
| 共计 | 15 |
4.6附着式电动整体升降外脚手架工程
在高层建筑施工方案中,外脚手架方案是施工方案中的重中之重,它关系着这幢高层是否能保证顺利施工,也是建筑工程安全要求必须单列的施工方案。所以我公司将利用人才的优势,很好的组织一个既经济又实用的外脚手架方案。经过对以前的施工经验的总结,结合该工程具体实际情况,裙房部分以下我们将采用落地双排脚手架,裙房以上主楼我们将采用附着式整体升降外脚手架施工方案。对于落地双排脚手架按规范规定采用常规做法施工,本施工组织设计主要阐述裙房以上主楼外脚手架施工方案。
外墙装饰阶段采用吊篮施工,吊篮由专业施工队伍自行配备。
4.6.1编制依据
4.6.1.1XXXXX花园1#楼建筑结构图;
4.6.1.2《建筑施工扣件式钢管脚手架安全技术规范》(JGJ130-2001);
4.6.1.3《建筑施工安全检查标准》(JGJ59-99);
4.6.1.4《建筑施工高处作业安全技术规范》(JGJ80-91);
4.6.1.5《施工现场临时用电安全技术规范》(JGJ46-2005);
4.6.1.6《建筑施工附着升降脚手架安全技术规程》(DGJ08-905-99);
4.6.1.7建设部《建筑施工附着升降脚手架管理暂行规定》;
4.6.1.8《施工现场安全保证体系》(DBJ08-903-2003)。
4.6.2工程概况
XXXXX花园1#楼位于XXXXX路、XXXXX路口,为超高层酒店商务楼,其中:地下三层,裙房四层,五层以上为标准层,层高4M,楼顶高度148.1M,包括楼顶构架建筑总高163.185M。建筑结构为框筒结构。
考虑到主楼整体外形比较规整,且楼层较高,因此采用附着式整体升降脚手架。该脚手架的适应范围广泛,安装灵活,只需一次投入,且是由专业队伍进行施工,便于管理。架体爬升完全可以与主体进度一致,不影响施工工期。
4.6.3架体布置说明
4.6.3.1根据建筑物具体情况:1#楼整体架从6层楼面落低0.6M(+24.5M)开始搭设。裙房搭设普通脚手架,顶部结构根据具体情况部分搭设普通脚手架。
4.6.3.2本方案设计外墙整体升降脚手架机位37台。
4.6.3.3整体脚手架架体搭设约四层楼高,步高1.85M,搭设9步10排架体,架体总高包括围护18M,搭设完毕经双方验收合格,方能进行提升使用,并报有关部门检测备案。
4.6.3.4如因结构发生变化,塔吊扶墙位置或人货电梯安装与本方案有矛盾,承力架布置再作局部调整。卸料平台位置由项目在搭设前确定。
4.6.3.5施工电梯安装和使用:结构施工电梯安装于本脚手架下部,结构封顶后,可拆除该部分脚手架,以满足施工电梯升降和使用。
4.6.3.6为使脚手架顺利提升,土建施工支模钢管及模板距外墙面不得大于200mm。
4.6.3.7土建施工人员必须正确使用本脚手架,严禁超载,(核定荷载200kg/m2 按三步计)也不能借用本脚手架支撑模板和随意拆卸脚手架钢管扣件,以免损坏脚手,造成变形发生危险。
4.6.3.8搭设脚手架用材料需项目电梯、塔吊应积极配合。
4.6.3.9本脚手架安装导轨式防外倾装置。
4.6.3.10本脚手架防坠装置及重量限制控制器使用市建委推荐产品。
4.6.4附着式升降脚手架性能
4.6.4.1附着式升降脚手架的组成及其作用简介:
FSD附着升降脚手架由提升机构、防坠机构、附着及防倾机构、脚手架架体组成。
1)提升机构
提升机构主要由承力导柱、提升悬梁、提升斜撑、底盘、底盘拉筋、螺纹轴、电动葫芦等组成。
承力导柱:既是架体的承力构件,又是防倾导轨装置。
承力导柱利用二根可调花蓝螺栓联结M30的穿墙螺杆,附着在建筑物结构面上。大悬梁及斜撑通过联接螺杆及销子安装在承力导柱上形成一个稳定的三角受力支撑结构。提升葫芦挂在大悬梁上,提升时的受力状态为:提升所产生的力通过斜撑传递到承力导柱, 导柱利用可调螺杆及穿墙螺杆将力传递至混凝土建筑结构上。大悬梁上部的有二个联接孔作为备用孔,是在承力导柱位于建筑结构凸窗位置时或悬梁加长时,安装拉筋时使用。原因是,承力导柱安装于凸窗位置时,承力导柱原受力的花蓝螺栓因角度变大,受力情况比正常使用时恶劣,为加大安全保证系数,可通过两个备用孔在悬梁上增设一组拉筋。作业时,承力导柱先与建筑主体连接,无相对运动。架体通过承力导柱上的提升悬梁提升葫芦与架体导轮共同作用,沿承力导柱上下滑动,完成升、降作业;升、降至预定位置,架体由底盘、承重拉筋与墙体直接连接卸荷。承力导柱可带着提升悬梁及提升葫芦,在墙体导轮及架体导轮的作用下,上下滑动至下个作业位置。避免导轨、悬梁、葫芦、拆卸周转所带来的繁重的体力劳动和安全隐患,且大大节约了作业时间。
承力导柱
大悬梁
电动葫芦
大悬梁备用孔,用于承力导柱安装于秃窗位置时
底盘拉筋
底盘
穿墙螺杆
花蓝螺栓
承力导柱在架体升降作业时,可与建筑主体二—三个楼层联结,解决了大多类型升降架的架体荷载仅向最高处单独一个楼层而传递的缺陷,增加安全性.提升悬梁固定于承力导柱上,并附有可独立承载的斜撑结构,使之安全卸荷。独立的防坠悬梁使提升系统和防坠系统相对独立,做到在提升机构出意外时,架体由防坠系统独立承载的安全要求.由于采用承力导柱,架体的整体高度可由原来的四个半楼层减少至三个半楼层,减少架体荷载可使防倾、防坠措施更好实现。
限载防坠装置
防坠杆
防坠拉筋
防坠悬梁
2)防坠机构
防坠机构是由FZJ50-C限载防坠装置、防坠杆、防坠悬梁、防坠拉筋等组成。
FZJ50-C限载防坠装置不仅具备一般防坠装置在意外发生时的阻止坠落功能而且具备过欠载保护。利用称量机构与控制箱配合使用。通过感应因载体不均匀、偏载或受干涉物造成的过载、欠载量超过设定变化值时,及时报警、停机,能实现同步监控且有效预防事故发生。
另外该装置除能限载报警,失载舜间制动防坠,而且可手动防滑,一般安全钳只有在架体突然失载时才起作用,而对葫芦刹车不灵,却尚未完全失载仅缓慢打滑时却不起作用,本装置针对实际中曾发生的葫芦打滑现象,专门设置了手制动手板,可有效阻止架体滑移,使安全防护更多一层保护。
这些功能通过全封闭的FZP50机械装置实现,结构紧凑、实用简捷、性能稳定,适应恶劣的施工环境,安全可靠。
3)附着及防倾机构
附着及防倾机构是由附墙拉筋、轨道拉筋、穿墙螺栓、导轮等构件组成。
导轮:分附墙导轮、架体导轮两种。
主要作用:a.防止提升架内外倾翻 b.作为可沿承力导柱使架体升降的滑轮。
附墙导轮
架体导轮
架体
联接片
承力导柱
导轮示意图
FSD附着升降脚手架共设置四组架体导轮。导轮杆与架体通过构件螺栓联接,导轮扣在承力导柱的滑槽内。在提升过程中,使架体滑移并起到防倾作用。四组导轮中上部二组采用6[槽钢作为横梁与架体内侧立杆联接,固定的双导轮套在承力导柱滑槽内,用联接片、螺栓稳固联接。最下面一组导轮采用└50×5角钢与架体立杆联接,由两个单导轮安装于承力导柱两侧滑槽内,避免承力导柱内机构件产生干涉,用联接角铁、螺栓固定联接。中间再设置一组辅助导轮。
承力导柱的高度为6.5米,在提升前,最上一组导轮(第一组)与最下一组导轮(第四组)间距大于架体的三分之一高度。第二组导轮与第四组导轮的间距为3.2米。在提升过程中,架体、架体导轮与承力导柱相对运动,当架体提升至楼层的一半高度时,第四组导轮随架体也由承力导柱的下端部向上滑移约1.5米左右,此时,应停止提升,将第四组导轮下移至承力导柱的最下端,完成后架体可继续提升到位。经调整后,第四组导轮与第二组导轮之间的距离也大于架体的三分之一高度,达到了规定的使用标准。
4)架体
脚手架架体主要由水平桁架、竖向主框架、脚手板、安全网、翻板等组成。水平桁架位于附着升降脚手架的底部,其与竖向主框架承受自重及上部传来的脚手架体系恒载和施工活荷载、部分风载等,并将其传递到建筑物上。
5)电气控制:
电控柜及分线电缆组成电气控制。主要作用控制各机位的升降处理由恒载同步器传来的过、欠载信号,同时能显示各机位出现过、欠载及故障情况。
4.6.4.2附着升降脚手架的性能指标:
| 项 目 | 指 标 | 单 位 | |
| 架体 | 高度 | 10-14.4 | m |
| 宽度 | 0.9-1 | m | |
| 步度 | 1.8-2.0 | m | |
| 离墙距离 | 0.2-0.5 | m | |
| 最大跨距L | 6.8 | m | |
| 每提升单元最大自重 | 35 | KN | |
| 最大施工滞留荷载 | 15 | KN | |
| 最大施工荷载 | 2(二步架同时施工) | KN/m2 | |
| 限载防
坠装置 |
额定荷载 | 50 | KN |
| 最大锁定距离 | 50 | mm | |
| 过、欠载量调节范围 | 10-30 | KN | |
| 过、欠载设定值误差 | 不大于0.5 | KN | |
| 过、欠载设定值重复性误差 | 不大于0.5 | KN | |
| 额 定 提 升 力 | 50 | KN | |
| 最大电动提升速度 | 100 | mm/min | |
| 使 用
高 度 |
一般型 | 不大于150 | M |
| 附墙加强型 | 大于150 | M | |
4.6.4.3安装附着升降脚手架工艺流程图:
编制施工方案
埋设预埋件
搭设安装平台
摆设底盘
铺设脚手板安全网
支架临时附墙
搭设底部桁架
安装承力导柱及爬升机构
随进度搭设架体
连接控制柜安装提升葫芦
预紧葫芦
安全检查、验收
清除障碍物
进行第一次提升
进入升(降)循环
拆除升降脚手架
4.6.4.4附着升降脚手架升降作业流程图:
上一层楼砌浇完毕
转换承力导柱
预紧提升葫芦
安全检查验收、同步升(降)一层
固定爬架验收、投入使用
进入循环升(降)状态
4.6.5附着式升降脚手架设计
4.6.5.1架体的基本参数设计:
本工程爬架施工范围裙房以上主体,裙房搭设落地架,附着升降脚手架架体在第6层组装,覆盖6、7、8、9四个楼层,该爬架架体覆盖至顶层,顶层搭设设施架体。
具体机位布置《提升架机位平面布置图》

1)机构、材料数:
| 序号 | 项 目 | 规格或型号 | 数 量 |
| 1 | 提升机构 | 34套 | |
| 2 | 桁 架 | 34套 | |
| 3 | 提升葫芦 | 10吨 | 36台
(其中2台为备用葫芦) |
| 4 | 电控柜 | 2只 | |
| 5 | 分线电缆 | 5芯 | 4000米 |
2)机位布置(见附图:提升架机位平面布置图)设计参数
| 提升架采用全封闭附着升降脚手架,覆盖4个楼层。 | ||
| 项 目 | 指 标 | 单 位 |
| 架体高度 | 18M | m |
| 架体宽度 | 1 | m |
| 架体步高 | 1.8 | m |
| 离墙距离 | 0.4 | m |
| 每2机位间最大跨距 | 6.8 | m |
| 每提升单元最大自重 | 35 | KN |
| 最大施工滞留荷载 | 15 | KN |
| 最大施工荷载 | 2(二步架同时施工) | KN/m2 |
3)材料要求
升降脚手架的搭设材料必须采用Ф48×3.5㎜脚手管和标准扣件,钢管应无裂痕、弯曲、压扁和严重锈蚀现象,扣件无裂缝,变形、螺栓无滑丝、机械性能好根据建设部《JGJ59-99》标准。脚笆采用多层板或竹笆。电控箱进线采用五线制,线径大于10mm2。
4)塔吊与施工电梯的位置:
电控柜原则上设置在架体断口的对称位置。由于提升架在上升过程中,不受施工电梯与塔吊限制,且装修阶段使用吊篮施工,提升架在主体施工完成后即可拆除,因此塔吊的位置及施工电梯位置可不予考虑。
4.6.5.2本工程特殊部分处理方案:
卸料平台安装处的架体如图所示:
底部行架
卸料平台
行架
卸料平台处的架体第一、二步空出,第三步设行架结构如图示。架体下降时,无卸料平台,此处的架体在下降前恢复搭设。
架体处的断口及断口周边架体的距墙间隙,进行全封闭的硬隔离。
4.6.5.3爬架的搭设及附墙连接
提升架搭设总流程: 搭设操作平台 按图示提升机位放置底盘并做好扶墙工作 组装底部桁架 搭设架体 做好架体防护(安全网、翻板等) 安装提升机构 机构调试 拆处操作平台 升降作业
底层拆处架体。
1)架体的安装
(1)组装爬架支架时,先搭设一个安装层平台,本工程平台的位置在群房顶,平台能够承受10KN/M2的荷载。平台水平度应控制在20mm范围内。平台的宽度应大于爬架宽度300mm,平台边缘设有防护栏杆。
(2)组装水平桁架及竖向主框架:第一步架的组装是整套爬架安装质量的关键一定要认真仔细,严格按要求进行。一般来说,应以建筑物外形结构形状变化复杂、支架同结构相关因素的地方作为支架搭设的起始点。依照爬架平面布置图,在预先搭设的平台上搭设水平桁架,桁架以上架体按双排脚手架搭设规范进行搭设。水平桁架由立杆、大小横杆、纵向斜杆等定型构件组成,采用螺栓或销连接。竖向主框架由立杆加定型斜杆和小横杆组成,主框架立杆采用工地提供的六米长钢管用专用套管接长,斜杆及小横杆部分为定型构件用专用扣与立杆相连。塔吊处根据需要采用单排脚手架或双排脚手架。人货电梯处,脚手架断开设置。
(3)搭设操作流程:
立杆 大横杆 小横杆 填心杆 扶手杆 剪刀撑。
脚手架悬挑以上搭设顺序:
立杆 横楞 牵杆 搁栅 剪刀撑 脚手笆 栏杆
(4)搭设要求:
a.搭设水平桁架时,落地架一定要找水平,并安全牢固,并要按图纸及设计方案施工,不得私自改动;
b.架体搭设时,架体立杆与珩架立杆对接时需在架体立杆端头钻孔采用销子连接.架子管件保证横平竖直,不超过建设部门的规定;
c.架体外观杆件保持平整,管头长短一致;
d.剪刀撑不大于有关部门规定角度;
e.立杆、大横杆节头在同一平面上,需错节;扣件、螺母必须拧到位,拧紧;
f.外排脚手架纵向两端和转角处起,在脚手架外侧面隔9米(水平距离),左右用斜杆搭成剪刀撑。斜杆与地面成45~60度夹角,剪刀撑的搭改是将一根斜杆结在立杆上,另一根斜杆结在横楞上,钢管搭改长≥100CM并用两只转扣锁紧。
g.架体的防护及封闭:安全网挂平整,阴角处用竹片及钢筋加固;搭设爬架最底一步架底平面要用脚手板封闭,以防止物品掉落,如果使用钢筋网片或密封性不好的脚手板,每隔三步架封闭一层。采用翻板作为与结构间的隔离,并设置两道兜网。立面外侧采铁丝网与安全网并用或安全笆与安全网并用方法,并用铅丝系牢。架体内排与结构间采用翻板或平网作二次隔离。
h.脚笆采用多层板或竹笆并系牢。
i.搭设水平桁架必须用指定材料,不准私自改动及用其他材料代用。
j.建立每个提升点处立杆相对建筑物关轴线的尺寸关系档案,以反映每个爬升机构相对控制轴线的尺寸关系,并确定准确的预埋点位置尺寸。
k.组装后序支架,除按以上要求进行外,还应注意以下几点:
·在搭设时如出现误差积累造成某一立杆点左右位置偏差太大时,可现场根据具体情况调整横杆长度组合。
·支架继续往上搭设,要控制立杆与每一楼层的标准墙距离和相应的垂直度,水平度要求。
·立杆的相邻结点要错开,以保证支架的整体刚度。
·按照确定的预埋点位置尺寸设置预埋件。
·根据施工现场进度,保持支架至少高出施工楼面半层的高度。
·在爬升机构未安装好以前,支架应与建筑物有临时连墙拉接处理,以保证支架的刚性几安全。
·安装廊道斜杆和内外排剪刀撑。
2)在架体基本完成时,进行提升机构的安装,其安装顺序为:
(1)架体附墙方式:提升架与墙体采用预留螺栓孔、穿墙螺栓、拉筋等物件附着。要求:提升架附着处砼强度大于C10;按要求进行预埋管的预埋。
(2)提升机构安装流程:
层高
300
600
150
150
300
600
a.在墙体上安装承力导拄(导轨),承力导柱全长约为架体高的三分之二。安装时要保证导轨的垂直度及离墙距离。
b.安装导轮,将导轮套入导轨,安装穿墙螺栓。
c.后续导轮、导轨的安装直接影响到支架在升降过程中的受力状况,应严格按要求进行,导轮套入后应在调整垂直度和保证离墙距离后,方可对导轮、导轨进行紧固。造成导轨弯曲变形的原因,主要有二种情况:(1)预埋孔位置偏差太大,使架体逐步侧移,使导轨扭曲变形。(2)安装导轮时,导轨虽直、但不控制每层导轮的离墙距离,导轨就不可能垂直,引起导轨向外或内倾斜,升降时架体压迫导轨变形。所以,导轨安装必须按规定严格执行,严重时将影响爬架无法提升。
d.提升机构安装
·底盘按平面布置图要求置于下层落地架上。
·悬臂梁斜拉筋在悬梁上一楼层面用M30螺栓与墙面紧固,同时调整花兰螺栓,使松紧一致。
·提升倒链长度L=4-5。
·提升架与结构连接除提升设备本身外,每提升单元还应与结构进行一次拉结遇强风时要加强与结构连接。
·提升悬梁和防坠悬梁分别设置,并分别设两根拉筋与墙体附着。
e.安全钳安装
安全钳出厂前均已调试好,现场只需打开契块,使直径25防坠杆穿入锁块内,圆钢上部分悬梁连接,下部穿过安全钳。 注意:以上几项工作各部位连接螺栓,松紧一致,可靠联结,不可过紧。
f.安装电动葫芦,每提升点采用10吨倒链电动葫芦作为动力,其安装流程为:
·将电动葫芦或手动安装在悬臂梁上。
·电器系统要效接地。
·爬架要采取有效的防雷避雷措施。
·调整葫芦高度,挂好倒链并预紧,预紧时倒链不宜过紧,以拉直为准。
g.设置电控箱,联接电动葫芦。
爬架安装结束后,按下述要求,先进行自查,自查要求:
| 项 目 | 要 求 | |
| 1 | 结点安装 | M20螺栓或ф20圆销 |
| 2 | 水平偏差 | ±30mm |
| 3 | 立杆垂直偏差 | ±15mm |
| 4 | 机位设置 | 按平面布置图 |
| 5 | 杆件齐全 | 横杆、斜杆齐配 |
| 6 | 机位间最大跨度 | 小于6.8m |
| 7 | 机位折线最大距离 | 小于5.2m |
| 8 | 架体高度 | 12m |
| 9 | 立杆纵距 | 1.0m,1.20m,1.50m,1.80m。 |
| 10 | 里排立杆离墙面距离 | 400mm |
| 11 | 横杆里端离墙面 | 200mm |
| 12 | 钢管端头离扣件距离 | 10-20cm |
| 13 | 立杆横距 | 1m 立杆接杆参差布置 |
| 14 | 步高 | 1.8m |
| 15 | 脚手架防护 | 脚手架每步搁栅上满铺脚手笆,脚手笆四角应用18号铅丝同牵杆扎牢。脚手架的外侧用密目安全网系牢。 |
| 16 | 架体与墙的拉结 | 与墙提拉撑点每3个立杆间距,垂向每二步设1拉撑点,拉撑用M12穿墙螺栓和钢管配合完成,拉撑设在立杆与横楞交接处;拉撑连杆拉力、压力强度≥700kg,拉撑在架体顶部加倍设置。 |
| 17 | 外排脚手架斜杆或剪刀撑的搭设 | 外排脚手架纵向两端和转角处起,在脚手架外侧面隔9米(水平距离),左右用斜杆搭成剪刀撑。斜杆与地面成45~60度夹角,剪刀撑的搭改是将一根斜杆结在立杆上,另一根斜杆结在横楞上,钢管搭改长≥40CM并用两只转扣锁紧。 |
| 18 | 脚手架的使用要求 | 不允许有集中荷载停置架体上。
提升架施工荷载允许3KN/M2,并不超过二步架同时施载或2KN/M2,并不超过三步架同时施载。 |
4.6.5.4附着升降脚手架的提升:附着升降脚手架必须通过上海市建筑机械检测中心的检测,并取的合格证后,方可正式投入使用。
1)作业前安全检查、验收:爬架搭设、机构安装完成后,由公司技术员及现场指挥、安全员、施工班长、电工等组成验收小组,对爬架节点的紧固性、架体的垂直度、行架的垂直度和水平度、架体的高度、爬升机构的安装情况,以及电控柜的安装(如有无缺相保护,有无过载显示功能等)情况,电线电缆的敷设等项目,进行检查验收,并填写检查验收表,对不合格的项目,下达整改通知,整改后经复查,合格后方能使用。
2)根据主体施工进度,由甲方现场技检部门,检验爬架附墙点砼强度达到C10强度。安全技术部门检查支模构件,临边堆物,及爬架的存在状态。认为具备安全爬升条件后,填妥升降作业通知单,并对爬架班组下达作业通知。
3)爬架爬升作业前,由公司技术员、安全员,对将进行爬升作业的人员进行安全技术交底,并签名(一式三份),班组长进行具体的作业分工。
4)爬升前,必须发出书面通知(或在醒目地方用板写上),告知与爬架爬升时有安全影响的临边作业,悬空、高空作业等相关班组,具体爬升作业时间。并在架体下方相关地面上用警戒绳圈示警范围,并派专人监护。
5)爬升作业人员进岗前必须对通信设备(对讲机)进行复查、调试,统一到无干扰的同一频率后,方可进入各自的施工位置。
6)各类人员进入施工位置后,用对讲机对话检查,班组长复查。由现场指挥下达升降作业指令,各专门人员按分工进行职责范围的工作,要求注意力集中,认真负责。
7)预紧葫芦倒链,要求由班组长亲自进行每个葫芦的预紧过程,以全面掌握葫芦预紧情况,控制柜人员配合,确保各机位受力均匀,不发生过、欠载事情,并使架体附墙拉筋松动,不受力。
8)全部葫芦预紧后,统一拆除架体附墙机构,使整个架体完全悬挂于葫芦上。
9)确认架体附墙机构拆除完毕,主体临边无障碍后,班组长下令,翻起第一、第二两道翻板。
10)班长通过对讲机检查各岗工作情况,并亲自复查,确认无误后,通知电控柜操作电工及全体爬升作业人员架体,启动电动葫芦,正式开始爬升。
11)爬升过程中导轮组间距的调整:
承力导柱的高度为6.5米,在提升前,最上一组导轮(第一组)与最下一组导轮(第四组)间距大于架体的三分之一高度。第二组导轮与第四组导轮的间距为3.2米。在提升过程中,架体、架体导轮与承力导柱相对运动,当架体提升至楼层的一半高度时,第四组导轮随架体也由承力导柱的下端部向上滑移约1.5米左右,此时,应停止提升,将第四组导轮下移至承力导柱的最下端,完成后架体可继续提升到位。经调整后,第四组导轮与第二组导轮之间的距离也大于架体的三分之一高度,达到了规定的使用标准。
12)在架体爬升过程中,有时会遇到一些影响架体正常爬升的故障,这时需要暂时停止爬升架体,等排除故障后,方可继续进行爬升,故障原因及处理方案须记录存档。
13)架体爬升到标准高度后(一个楼层),放下翻板,即进行架体的附墙机构和拉结点的安装,并做好架体周边洞口、临边防护。
14)架体附墙安全围护做好后,先进行自检,再申请甲方安全部门和我方技术员、安全员、班组长结合检查验收,填写表格,并办好使用移交手续。
15)拆除地面警戒。
16)提升要求:
| 序号 | 内 容 |
| 1 | 提升后及时恢复防护做到防护到位。 |
| 2 | 提升指令下达前后的检查必须按规定进行。 |
| 3 | 提升到位后架体水平约束上端最大悬挑约1/3架体高。 |
| 4 | 防坠装置制动距离不大于80mm。 |
| 5 | 结构每施工一层,提升架提升一层。 |
| 6 | 提升设备除日常维护、保养外,每月进行一次彻底的保养,电器系统每次使用之前要进行性能检查。 |
4.6.5.5附着升降脚手架的拆除:
1)拆除流程:
(1)拆除时设警戒区,由专人负责警戒。
(2)清除脚手架上的留存材料、杂物等。
(3)脚手架拆除顺序为脚手笆—栏杆—剪刀撑—搁栅—牵杆—横楞—立杆,按自上而下先装者后拆,后装者先拆逐步拆除,并必须一步一清,不得上下同时作业,剪刀撑先拆中间扣,再拆两头扣,由中间操作人往下递杆子。
2)拆除时,注意:塔吊在提升架拆除后方可拆除;拆除时决不允许有物体高空坠落。
4.6.5.6FSD可滑动导柱升降脚手架在使用过程中应注意的事项:
现场操作人员应树立安全第一,预防为主的思想,应健全各项规定制定。
1)六级以上大风及雷雨天不能进行升降操作。
2)控制柜、电动葫芦应注意防雨。
3)防止导线断路、短路。相位应正确一致,在工地总电源改动,及新电源柜安装时,应检查其相位是否同控制柜相位一致。
4)防止葫芦翻链。
5)应有可靠的避雷措施。
6)在升降时应设警戒线,任何人员不准在警戒范围内走动。
7)施工荷载不容许超过规定荷载。
8)支架结点每升降5层或一个月,全面检查一次,爬升机构每次升降前都应检查一次,如有部件损坏应及时更换,填写有关检查表。
9)非闭环支架,一般其端头一跨爬升机构应向外增加一步,以平衡荷载。
10)电气控制及电动葫芦常见故障处理:
| 常见故障 | 故障原因 | 处理方法 | |
| 葫
芦 |
电动葫芦动作方向与按钮箭头指示方向不符。 | 电源相位不正确。 | 换接电源中任意两根接线 |
| 电动葫芦不能起动或能起动而杂声大而不能工作。 | 1.一相电源中断。
2.电源电压过低(低 于340V)。 3.电机未能解除制动(可能锈蚀咬 死)。 |
1.检查电源。
2.检查电源电压。 3.卸开擦净制动面。 |
|
| 电动葫芦不能制动或制动距离大。 | 1.摩擦片有油污。
2.摩擦片磨损。 3.制动弹簧损坏或压力不足。 |
1.卸下盖体用砂布擦净油污。
2.调整制动机构,保持制动行程。 3.更换制动弹簧。 |
|
| 电动葫芦电机温开过高。 | 1.润滑油失效或漏失。
2.制动行程过小,有高速摩擦。 |
1.改善润滑。
2.重新调整制动机构。 |
|
| 接触器C1-C30释放有延时现象。 | 接触器C1-C30有油污。 | 用砂布擦净油污。 | |
| 电控柜 | 操作按钮置于升降位置,接触器不吸合。 | 1.操作开关电线损
伤、断路。 2.操作开关内部接 点松动。 |
1.更换电线。
2.更换操作开关。 |
| 电控柜无法启动 | 1.电源失压或缺相。 | 1.检查电源,漏电开关。 |
4.6.6实施保证措施
4.6.6.1附着升降脚手架施工管理体系:
建筑业主管单位
建 委
建管局
安全监督站
质检站
劳动局
公安局
工程监理
开发商
**建工集团有限公司
爬架分包:
其它分包:
工程部
技术部
提升架班组
4.6.6.2附着升降脚手架施工安全体系:
1)严格按照施工组织设计进行施工。
2)在安全与质量、效益发生冲突时,要坚持“安全第一”的思想。
3)加强安全管理,纠正违章作业。
4)加强员工培训及安全教育,不适应高空作业者不得上脚手架操作,做好安全交底工作(后附附着升降脚手架安全技术交底总单)。
5)搭拆脚手架时,必须戴好安全帽、佩好安全带,工具及零配件要放在工具袋内,穿防滑鞋工作,袖口,裤口要扎紧。
6)吊运脚手笆及脚手架钢管等须用专用保险吊钩。
7)搭拆脚手架时安全笆、杆绑扎或拆开均得一次完成不得中途停止。
8)遇有恶劣气候(如风力在六级以上)影响施工安全时不得进行高空 脚手架搭拆工作。
9)严禁在脚手架上堆放杂物。
10)升降脚手架安全管理网络
行业安全主管部
工程监理
总包公司安全主管
提升架公司安全主管
现场安全员
11)防火消防措施
a.支架上必须配备足够的灭火安全器材,建立义务消防队。b.在脚手架高处进行焊接作业时,应用非燃材料做接火盘,大风天气焊接时,应设风档,防止火花飞溅。
12)防雷雨台风措施
a.提升架用的预埋件必须与墙体中的钢筋搭焊,以便于架体避雷。b.雷雨天气和六级以上大风应停止架上作业。应对架体进行加固,大风过后要对架上的脚手架安全网等认真检查一次。
13)安全防护措施
a.支架外排必须布满安全网,最底层脚手板用模板严格封闭,安全网兜严,架体与墙体之间用翻板封严。b.架体垂直地面,3m以内设警界线,平时不得有人员停留,升降作业时,不得有人员进入警界线。
4.6.6.3管理制度:
可滑动导柱升降脚手架属高层施工设备,所以安全极为重要,使用时必须按照制度认真检查,严格执行,有关责任人签字。包括作业指令书、安装验收制度、升降前后检查制度、定期保养制度等。
1)安全检查制度
a.架体及机构安装完毕,进行安装验收,填写验收书。b.每次升、降作业前组织检查,填写作业前检查表,由总包单位签发作业指令书,方可升降作业。升降作业后及时检查,填写作业后检查表。
2)维修保养制度
可滑动导柱升降脚手架属于大型建筑施工设备,它与所有设备一样,需要定期维修保养,其保养的好坏程序直接影响着架子的爬升情况和爬架的使用寿命,必须按照制度严格执行。每次升降作业五层或间隔一个月,需检查所有碗扣及扣件是否有松动,机构联结是否可靠,并填写定期检查表。
a.每周一次检查各运动部件是否有损坏,损坏应立即更换。b.各运动部件,螺纹定期润滑(每周一次)。c.葫芦注意防雨,防水。链条定期抹防锈油(每月一次)。d.螺纹外露部份,用帆布或塑料布包住,并定期上润滑油。
3)可滑动导柱升降脚手架施工完成后,需根据当时现场情况制定拆除方案,报总包方批准后方可实行。
4.6.6.4工具设备及人员:
1)工具、备用件:
根据现场施工需要,准备必要的工具及备用件备用件除特殊规定外,数量一般按总计划量的5-10%。
(1)电工工具:螺丝刀、电工刀、钳子、扳手、试电笔、万用表、绝像胶布。 备用品:导线、保险丝、保护器等。
(2)机械工具:榔头、板手、钳子、线垂、水平尺(或透明型塑料管)、卷尺、手拉葫芦。备用品:标准件、预埋件、花栏螺栓。
(3)指挥工具:对讲机、哨子。
2)人员配备:
从事提升架的人员应具备良好的素质,三年以上的专业经验及相应资历,各项工作专人专职负责,所有人员应进行专门培训,熟悉整个爬架的工作原理及安装操作规程,熟悉国家各类安全规范,责任心强,工作严肃认真。
| 职务 | 职称 | 人数 | 职 责 范 围 |
| 项目经理 | 工程师 | 1 | 负责现场安装、升降作业、安全检查、现场人员调度、操作人员的培训等具体工作。 |
| 安全员 | 持证 | 1 | 负责安全检查,现场安全警戒。 |
| 架子工 | 持证 | 20 | 从事外架搭设作业三年以上,负责支架搭设,提升机构的安装、调整,升降作业中观察同步性及监视各运动部件运转状况。 |
| 辅助工 | 按需 | 根据现场需要临时增减。可以从事升降中的监视、预埋件设置工作。 |
4.7内脚手架搭设方案
4.7.1内脚手架采用满堂脚手架搭设,脚手架基本参数如下:
4.7.1.1立杆间距:板底为1m,次梁底为0.6m,主梁底为0.4m且为双立杆支撑。
4.7.1.2大横杆间距:1m
4.7.1.3小横杆间距:板底为0.7m,次梁底为0.6m,主梁底0.4m。
4.7.1.4扫地杆间距:纵横向间距1m,通长设置。
4.7.1.5梁板垫木:垫木采用50×100mm木方,板底间距为400mm,梁底按梁宽250mm以下梁放置两道、250mm至350mm梁放置三道、350mm至450mm放置四道,梁侧板垫木按20cm一道设置。
4.7.2脚手架搭设流程:
立杆支设→大横杆支设→扫地杆支设→梁底横杆支设→板底横杆支设→梁板垫木支设→模板支设
4.7.3脚手架拆除流程:
按搭设程序反向进行,搭设和拆除注意事项同外脚手架。
4.7.4脚手架大样图:
脚手架平面图
1—1脚手架剖面图
4.8砌体工程
本工程为框架筒体结构,砌体采用蒸压加气砌块,砂浆采用干粉砂浆。
4.8.1砌块砌筑
4.8.1.1砌块应堆置于室内或不受雨淋的干燥场所,施工时含水率宜小于15%。
4.8.1.2切割砌块应使用手提式机具或相应的机械设备。
4.8.1.3砌筑前,应先按设计要求弹出墙的中线、边线与门洞位置。
4.8.1.4使用砂浆施工时,应提前一天用水浇湿砌块进行砌筑。
4.8.1.5砌筑时,应以皮数杆为标志,拉好水准线,并从房屋转角处两侧与每道墙的两端开始。
4.8.1.6砌筑每楼层的第一皮砌块前,应先用水润湿基面,然后用1:3水泥砂浆砌筑。砌块侧面的垂直灰缝应铺砂浆,并以水平尺、橡皮锤校正砌块水平和垂直度。
48.1.7第二皮砌块的砌筑,必须待第一皮砌块水平灰缝的砌筑砂浆凝固后方能进行。
4.8.1.8每皮砌块砌筑前,宜先将下皮砌块表面(铺浆面)以磨砂板磨平,并用毛刷清理干净后再铺水平、垂直缝处的砂浆。
4.8.1.9每块砌块砌筑时,宜用水平尺与橡皮锤校正水平、垂直位置。并做到上下皮砌块错缝搭接,其搭接长度一般不宜小于被搭接砌块长度的1/3,且不得小于100mm。
4.8.1.10砌体转角和交接部位应同时砌筑。对不能砌筑而又必须留设的临时间断处,应砌成斜槎。接槎时,先清理槎口,然后铺砂浆接砌。
4.8.1.11砌块水平灰缝应用刮杓均匀施铺砂浆于下皮砌块表面;砌块的垂直灰缝可先铺砂浆于砌块侧面,然后上墙砌筑,并用橡皮锤轻击砌块。要求灰缝饱满,不得有空隙,并及时将挤出的砂浆清除干净,做到随砌随勒。灰缝厚度和宽度满足规范要求。
4.8.1.12砌上墙的砌块不应任意移动或受撞击。若需校正,应重新铺抹砂浆进行砌筑。
4.8.1.13墙体砌完后必须检查表面平整度,如有不平整,应用钢型磨板和磨砂板磨平,使偏差值控制在允许范围内。
4.8.1.14墙体暗设加固配筋带应预先在砌块水平灰缝面的正中位置,沿墙通长开挖断面为倒置等腰三角形的槽。槽宽(墙厚40)mm,槽深80mm,内放2φ10长筋,φ6@300分布筋,并用M10水泥砂浆填实至槽上口平。
4.8.1.15砌块与钢筋混凝土柱或墙相接,必须预先在相应位置的砌块水平灰缝面上开挖槽宽(墙厚40)mm、槽深50-80mm的倒置等腰三角形槽,内置钢筋混凝土柱、墙锚拉筋2φ6,并用M10水泥砂浆填实。在内墙中也可采用在双数皮(即2、4、6、8、10…皮)砌块的水平灰缝中设置与钢筋混凝土柱、墙相连接的L型铁件。
4.8.1.16砌块墙顶面与钢筋混凝土梁板底面间应预留10~25mm空隙,然后用间距1200mm的L型铁件以射钉弹与梁板连接,或在墙顶中间部位每隔600mm用经防腐处理过的木楔楔紧固定,再在L型铁件或木楔两侧用水泥粗砂浆或玻璃纤维棉、矿棉和PU发泡剂嵌填。
4.8.1.17厨房、卫生间墙砌筑应按本《规程》第4.9.1.7条的规定采用,并应做好防水处理。
4.8.1.18跨度小于1000mm的非承重过梁的施工,应预先沿砌块长度在宽度中间部位开挖等腰三角形槽。槽深50-80mm,槽宽(墙厚40)mm,内置通长2φ8钢筋,分布筋为φ4@300,并用M10水泥砂浆填实至砌块表面。待砂浆强度达到100%时方可安装;大于等于1000mm时,则宜用YTONG专用过梁。当采用钢筋混凝土过粱时,其宽度宜比砌块墙体厚度小20mm。
4.8.1.19砌筑时,内外墙体中均不得留设脚手洞。
4.8.1.20墙体孔洞堵塞宜用砌块碎末拌以水泥、石膏及适量的107胶水进行修补,其配合比为水泥:石膏:砌块碎末=1:1:3。
4.8.2墙与门窗樘连接
4.8.2.1门窗安装应采取先在墙体中预留门窗洞的做法,然后再安装门窗樘。
4.8.2.2普通木门安装,应在门洞两侧的墙体中按上、中、下位置每边砌人带防腐木砖的C15混凝土块,然后用钉子将木门樘与混凝土块连接固定。门樘与墙体间隙应用PU发泡剂封填。
4.8.2.3安装特殊装饰门,可用发泡结构胶固定木门樘。
4.8.2.4安装塑钢、铝合金门窗,应在门窗洞两侧的墙体中按上、中、下位置每边砌人C15混凝土块,然后宜用尼龙锚栓或射钉弹将塑钢、铝合金门窗连接铁件与混凝土块固定,并在连接铁件内填充PU发泡剂。门窗樘与墙体粉刷层接合处应以建筑密封胶封口。
4.8.3墙体暗敷管线
4.8.3.1水电管线的暗敷工作,必须待墙体完成并达到一定强度后方能进行。开槽时,应使用轻型电动切割机并辅以手工镂槽器。凿槽时与墙面夹角不得大于450。开槽的深度不宜超过墙厚的1/3。
4.8.3.2预敷在楼地面中的管线露出地面部分的垂直段高度宜低于一皮砌块的高度。
4.8.3.3敷设管线后的槽应用1:3水泥砂浆填实,宜比墙面微凹2mm,再用砂浆补平。并沿槽长外贴大于等于100mm宽玻璃纤维网格布增强。
4.8.4验收
4.8.4.1墙面应平整、干净、灰缝处无溢出的砂浆。
4.8.4.2砌体灰缝必须饱满,其厚度(宽度)满足规范要求。
4.8.4.3上下皮砌块错缝搭接长度小于100mm的面积不得大于该墙体总面积的20%。
4.8.4.4砌块墙体的允许偏差应符合下表规定。
砌块墙体的允许偏差
| 序号 | 项目 | 允许偏差(mm) | 检验方法 | |||
| l | 轴线位置偏移 | 10 | 用经纬仪或拉线和尺量检查 | |||
| 2 | 基础顶面或楼面标高 | ±15 | 用水准仪和尺量检查 | |||
| 3 | 墙体厚度 | ±3 | 用尺量检查 | |||
| 4 | 垂
直 度 |
每层 | 5 | 用线锤和2m托线板检查 | ||
| 全
高 |
≤lOm | lO | 用经纬仪或吊锤 | |||
| >lOm | 20 | 挂线和尺量检查 | ||||
| 5 | 表面平整度 | 6 | 用2m靠尺或塞尺检查 | |||
| 6 | 水平灰缝
平直度 |
6 | 灰缝上口处用lOm长
的线拉直并用尺检查 |
|||
| 7 | 门窗洞口
(后塞框) |
宽度 | ±5 | 用尺量检查 | ||
| 高度 | ±5 | |||||
4.9屋面工程
4.9.1找平层施工
4.9.1.1结构层上面的松散杂物清扫干净,凸出基层表面的灰渣等粘结杂物要铲平,不得影响找平层的有效厚度,并将屋面的管道等部位处理好,并浇水冲洗干净。
4.9.1.2采用32.5普通硅酸盐水泥,砂采用中砂,含泥量<3%,不含有机杂质,级配良好,并要过筛,配制的水泥砂浆稠度≦5cm。
4.9.1.3按设计要求的标高,坡度做好塌饼标志,并按1-2cm距离设置。
4.9.1.4本工程找平层大,平面分格缝可按6×6m的间距设置,缝内填嵌防水胶泥。
4.9.1.5在屋面大面积施工前,先将屋面基层与突出屋面结构的连接处,转角部分提前施工,阴阳角做成圆弧,以防止该部位找平层厚度过大,而引起收水裂缝。
4.9.1.6找平层铺设时,先洒水湿润,随即铺设1:3水泥砂浆找平层,水泥砂浆铺设按由远到近,由高到低的程序进行。
4.9.1.7水泥砂浆找平层用木蟹拍实,铁板压光,要求抹平压实3遍,以避免找平层产生收水裂缝。
4.9.1.8施工结束后不得上人踩踏,并洒水养护7天以上,达到不起砂,不脱皮。
4.9.2卷材防水施工
4.9.2.1基层胶粘剂刮涂在基层表面上。刮涂要均匀、不露底、不堆积。
4.9.2.2根据胶粘剂的性能,应控制胶粘剂刮涂与卷材铺贴的间隔时间。
4.9.2.3铺贴卷材不得皱折,也不得用力拉伸卷材,并应排除卷材下面的空气,滚压粘贴牢固。
4.9.2.4铺贴的卷材应平整顺直,搭接尺寸准确,不得扭曲。
4.9.2.5防水层的收头。本次防水层施工,卷材沿女儿墙上翻250mm。
4.9.2.6防水层施工结束后,需进行蓄水试验,确保无渗漏后方可进行下道工序施工。
4.9.2.7防水层施工要点
屋面基层的好坏,直接影响防水层的质量及防水效果。为此,屋面必须符合一定的要求或进行适当的处理。
1)面要平整、无灰、无峰窝麻面,如果局部出现蜂窝麻面、可采用1:2水泥砂浆或聚氨酯腻子先进行批嵌,以确保防水层完整无漏地覆盖整个屋面。
2)屋面底板与墙面相交的阴角必须用1:2水泥砂浆粉出半径约50mm的圆弧或八字角,以保证防水层均匀过渡。
3)屋面必须干燥、含水率要在9%以下,否则粘结材料将会脱落。因此,在防水层施工前,屋面必须有充分干燥的时间,局部潮湿可用喷灯进行人工干燥。
4)防水层施工顺序应先刷天沟、泛水、管道、阴阳角等特殊部位、然后再作大面积涂刷。
4.9.3树脂珍珠岩保温隔热板施工
4.9.3.1树脂珍珠岩板铺贴采用SG-791胶粘贴。
4.9.3.2保温板边沿接口型式可采用平缝法施工,要求搭接处用密封材料填嵌。
4.9.3.3施工时板与板采用错缝方式施工,缝隙内同样用密封材料填嵌。
4.9.3.4板块施工完成后,应及时铺抹水泥砂浆找平层,以保证保温效果。
4.9.3.5保温板布置及接头处理见图
4.9.4屋面细石砼整浇层施工
4.9.4.1铺贴前应用水平仪测好泛水坡度,做好塌饼。
4.9.4.2细石砼整浇层其水泥采用32.5普通硅酸盐水泥,粗骨料的最大粒径≦15mm,含泥量<1%,黄砂采用中粗砂,含泥量<2%,水灰比<0.55,坍落度1-3cm干硬性。
4.9.4.3细石砼φ4钢筋网下按纵向间距1.0m铺垫25mm厚砂浆垫块,必须保证钢筋在整浇层厚度的中上部,砼浇筑应按先远后近,先高后低的原则进行,一个分格内的砼必须一次浇完,不得留施工缝。
4.9.4.4屋面细石砼整浇层分格缝间距<6m,面积<36m2,配筋断开,整浇层与女儿墙之间留缝30mm,缝内嵌填密封材料。
4.9.4.5细石砼用滚筒十字交叉来回滚压至表面平整、密实,泛出水泥浆。
细石砼整浇层抹压时不得在表面洒水,加水泥砂浆或撒干水泥。
4.9.4.6砼收水后进行二次压光,隔24小时后采用覆盖草包;浇水养护7天,防止收缩裂缝。
4.10楼地面工程
4.10.1水泥砂浆地面:
作业条件:
4.10.1.1办好基层结构验收手续;
4.10.1.2木框安装和地面予埋铁件等项目,均应施工完毕并检查合格;
4.10.1.3各种立管、孔洞应用豆石混凝土灌实堵严;弹好室内500mm水平线。
操作工艺:清理基层→刷素水泥浆结合层→冲筋贴灰饼→铺灰压头遍→铁抹子压第二遍→铁抹子压第三遍→养护
注意事项:
根据500mm水平线,房间增加冲筋工序,冲筋间距1.5m。
有地漏的房间要在地漏四周找出不小于5%的坡度,用干硬性砂浆做软筋,然后立即铺水泥砂浆。在冲筋之间铺砂浆,配合比(体积比)为水泥:砂=1 : 2.5,宽度应小于35mm,用木抹子拍实,用短木杠根据两边冲筋标高刮平,用木抹子挫平,再用铁抹子压头遍,抹压时可略撒些1 : 1干水泥砂子面等吸水后随即压光;用木杠检查平整度,头遍应抹压轻一些,尽量使抹子纹浅一些。待水泥砂浆开始凝结,人踩上去有脚印但不下陷时,用抹子压第二遍,要求不漏压,把死坑、砂眼压平。等水泥砂浆凝结到人踩上去稍有脚印,抹子抹上去不留抹子纹时即可用铁抹子压第三遍。地面交活后24-28h开始铺湿锯木养护5天。
4.10.2地砖楼地面:
注意事项:所有地砖施工前均采用计算机排砖,按照设计要求选折排转尺寸并经设计、业主、监理单位后取得一致意见方可施工。材料的选折必须经过设计、业主、监理认可并经过试铺达到要求后方可大面积施工。清理基层并浇水湿润,在抹底层砂浆之前应于基层上刷一道水泥素浆;找平层、防水层、找坡层等施工完毕,并经验收合格后,才能铺设地砖。防水层应做好隐检记录及闭水试验记录;地砖应在埋地管安装完毕,各专业检查无误后,方可进行施工,以免造成返工;铺贴时,应从里向外铺贴,先小间房后公用部位;铺贴时,一个房间一次完成,不能分次铺贴;铺贴完成后,铺锯末浇水养护3-4天,养护期不得上人;有泛水坡度房间,坡高应符合设计及规范要求;
4.11防火门安装工程
4.11.1施工准备
4.11.1.1施工平面图纸准备,进场后主管技术人员应尽快熟悉图纸,书面提出图纸中存在的疑问,并安排时间组织会审,充分理解图纸的设计意图及业主的各项技术要求,并在此基础上订制技术交底,绘制制作大样图和安装大样图,经审批后向作业人员详细传达。
4.11.1.2本工程木质防火门、防火卷帘门制作、安装施工依据的技术标准为:《GB14101-93》、《GB14102-2005》标准制作,通过国家固定防火质量监督检测。
4.11.1.3生产部的准备
生产采购部根据生产的材料需求,进行计划采购、储备,随时准备进入生产状态及材料的验收。
4.11.2防火防盗门制作技术措施
4.11.2.1首先由技术部根据合同量和范围进入现场对照图纸进行所有门洞口测量、校对,绘出加工图;
4.11.2.2不规范洞口通知甲方修正,当土建实际洞口与设计洞口有差别时都要求土建方进行修正改为规范洞口符合设计要求;
4.11.2.3确定生产技术参数,审定下达生产任务书;
防火门、防火卷帘门检验标准,木质防火门、防火卷帘门系列产品是遵国家颁布的《GB14101-93》标准及《GB14102-2005》标准研制而成,经国家固定防火系统构件质量监督检测中心检测合格,同时符合ISO9001:2000标准,经公安部技防办,公安技防总队批准大规模生产,并已通过公安部管办组织的ISO9001质量保证体系认证。
4.11.3施工管理和施工过程
4.11.3.1施工管理
委派工程部主管全盘负责整个地盘的施工管理、施工计划、甲方及土建的配合、做好各项协调工作。
做好职工安全施工、强化安全意识,上岗戴证、戴帽,遵守工地一切规章制度服从甲方、土建方统一安排。
配合土建施工做好交叉作业计划,并报送甲方一份,确保工程工期。
做好产品的运输、存放和安装的保护工作。
我方委派专业安装质检人员进入现场进行产品自检,安装质量监督和验收,确保产品安装质量达到设计要求。
门框装好后,施工方人为造成门框损坏,由我单位负责返工造成的费用,由施工方负责。
4.11.3.2施工过程
1)根据合同提供的尺寸,技术部派人进行实地测量,确定防火门、防火卷帘门的安装型式,设计出各樘门的具体安装图纸;
2)设计人员按安装图纸列出配套表;
3)车间加工制作完成后,安装队进工地安装;
4)安装先进行工地落实和进场前的准备工作,主要任务:工地材料存放的场地、人员后勤情况、电的使用情况、甲乙方的配合情况(吊装);
5)准备工作后开始安装,车队配合将材料运输到位,到位后按图纸进行施工;
6)施工完成后,进行质量检查;
7)等技防线、消防线到位后,进行技防、消防配合,直到技防、消防验收。
4.11.4木质防火门安装工艺
4.11.4.1门框安装(不包门套门框)
1)检查门框规格、质量、用料、开启方向等是否符合要求。
2)注意门框安装用的马仔,固定时应埋入墙体10mm以上,避免内抹灰层起鼓,马仔必须用射钉枪钉在预埋好的水泥预制块上,马仔要钉牢固,注意墙体装饰面与门框预留位的尺寸,要及时用水泥砂浆填充门框与墙体之间的间隙。
3)安装过程中,要用铝合金靠尺与吊线锤仔细检查,要求门框的正侧面垂直度偏差应小于2mm,门框对角线长度偏差应小于2mm,门框内侧的垂直面应成直线,弯曲度偏差应小于1mm,门框内空上下一样角度均为90度,不能成大小头。
4)装防火门框时注意闭门器位置如果门洞与墙边靠得太近,就会使闭门器的开启不能成90度,应及时向甲方现场负责人反应,拿到书面的方案后方可进行安装。
4.11.4.2门套安装
1)门套门框在安装时,先用冲击钻在墙体上打洞预埋木屑,然后在门框确定标高与冲击钻孔打洞相对应的位置用电钻打眼使用铁钉固定,最后检查门框内空、垂直度、方正度等安装合格的情况下,方可开始包门套作业。
2)修边:门套面板、收口线条钉好之后,通常24小时后修边,修边时要求平直、光滑,千万不能将饰面板刨伤。
3)如果所包的门套为防火门,在贴防火胶条时,应按万能胶说明制作,胶条要贴平成直线,胶水不能污染收口线和饰面板。
4)门套油漆:做门套油漆一定要严格按制作工序进行,补灰、打磨、喷涂其颜色必须同样板门颜色,喷涂要均匀,手感良好,不能出现流泪及皱纹现象。
4.11.4.3门板安装
先检查门板标示与门板下单尺寸、合同要求是否相符,弄清楼层的编号开向、五金的要求,检查门板有无碰伤、划伤,然后才可安装。安装时注意不能将保护膜损坏。门板、铰链(合页)部位按防火门标准尺寸统一安装,要求门板、正、立、侧平夹缝均匀,门板不反弹、不擦边,门扇中缝、扇与框间之缝应为1.5-2mm;扇与框间上缝应为1-1.5mm;扇与地平面下缝应为5-6mm;框与扇接触面平整度应小于2mm;合页必须两边开口,与门扇、门框面相平;安装时螺钉必须先用手电钻先钻2/3深的孔,孔径为木螺丝的直径的0.8倍(根据材质硬度定),钉帽应平于合页,不能有斜头,不能用不同类型螺钉代替,更不能不钻孔直接用钉锤打进去,将钉帽打坏导致甲方不予验收重新更换。
4.11.4.4五金安装
1)锁的安装:要求美观大方,开关必须灵活,锁体、锁盒位开槽深度更合适,分清左右开向,钥匙开启灵活、无松活完成后按甲方提供的门号要求贴上标示。锁体盒上的螺丝要用电钻打孔到2/3深度,然后用螺丝刀拧平,不得用锤子直接打平,锁具要用包装纸捆扎,做好防护措施,防止把手污染、生锈,锁舌与锁片位要对准。
2)闭门器:分左右开向,按图纸尺寸打孔(离门板上头20mm,离门板边50-70mm),安装主体支架,调节闭门器位,使门扇自动关闭达到消防验收,注意施工中闭门器不能过早安装,以免对门扇成品保护工作带来影响,最好时间应在消防验收前3天完成,双扇门应按顺序进行关闭。
3)安装暗插销:暗插销在门板上试用一下看是否灵活,打门框插销孔时一定要打准确,安装完毕以后装上插销片,暗插销螺丝用电钻打孔,然后用螺丝刀拧平,不得用锤子直接打平,保证整体美观。
4.11.5防火卷帘门安装工艺
4.11.5.1安装工艺流程
固定支座→装卷轴→装挂帘板(布)→固定导轨→电器安装→调试→安装箱体→接电源→综合调试→清理
4.11.5.2固定支座
1)依据卷帘安装结构示意图,确定安装形式(中装、侧装、中侧装),焊好所有的支架板,卷门机链轮盘支架与支座应周边满焊,不允许有焊接缺陷,确保安全可靠。
2)依据卷轴长度、帘板(布)长度、导轨长度、安装高度,找好安装基准点。
3)用水平管挂准卷轴水闰点,确定安装高度,同时保证两端在一个对称面内,不允许出现一前一后,确定好支座基准点,依据基点,根据支座划好膨胀螺栓孔线,打好膨胀螺栓,固定好支座。
4)空心墙体采用穿墙螺栓固定,另外斜撑加固,确保支座牢固可靠。
4.11.5.3吊装卷轴
1)将卷轴和卷轴联轴节联接好,然后再将轴承(调心轴承)固定好。
2)调整卷轴水平度,允许在洞口的1/300内,并与支座平面垂直,保证卷轴、联轴节、轴承同轴度一致,使之动转自如。
3)锁紧调心轴承坚固螺钉,防止卷轴轴向窜动。
4.11.5.4安装卷门机
1)在不接通电源的情况下,装上卷门机,各个旋转轴的链轮中心应同轴一致,无破损。
2)卷门机小链轮、大链轮的安装既要保证对称平面位移度△E,又要保证两链轮轴线间的不平行度△¢。
3)安装链条,调节中心距。调节螺栓,使链长胀紧合理,再锁紧螺母,避免运行时损坏齿轮箱的脚柱,同时也保证了卷帘门重定位精度,允许精度≤20mm。
4)启闭机安装完毕,用手打开限位器锁栓,把滚动滑块调到中间。
4.11.5.5装挂帘板
1)根据图纸要求,装好引片,同时应注意加厚垫圈,拧紧引片螺母,便引片紧贴卷筒。
2)卷帘放到下限位时,卷轴上帘板不得少于半圈。
3)帘板挡板与链条,应有一定的间隙,防止在运行中碰落链条。
4)帘板装配成卷帘后,在运行时应当平行升降不允许倾斜,卷帘的不平直度不大于洞口高度的1/300。
4.11.5.6固定导轨
1)导轨进入箱体不少于70mm,导轨上部喇叭口形状应合理(现场整形),使帘板在整个运行中不出现阻滞现象,导轨底部应埋入地板面,避免地板面与导轨底端出现控挡。
2)导轨整个应平直,不扭曲,槽口宽度整体一致,导轨槽口宽度为22-26mm。
3)两边导轨安装在同一平面内,严禁出现一前一后的现象,安装后导轨垂直度每米不得大于2mm,全长不得超过5mm。
4.11.5.7固定座板(底座)
1)采用铆接联接,铆钉间距不大于300mm,且分布均匀美观。
2)座板两端与导轨面间隙在10-15mm内,且两端间隙一致。
4.11.5.8电器安装
1)为了保证电气安全可靠,所有电器安装位置不允许安装在可燃材料上,所有的电气线路不允许裸露,应埋入墙内或有穿管。
2)卷门机供电电源线不小于1m2。
3)卷门机必须可靠接地,以防触电,保护接地线用大于或等于1.5mm2绝缘铜线。
4.11.5.9电气按钮
1)电气按钮安装在控制方便的位置,根据卷帘位置决定是内、外联动安装,还是单面安装。按钮盒安装高度1.4-1.5米。
2)电气按钮启动操作灵活,集中控制和联动控制的动作要准确灵敏。
4.11.5.10电控箱
1)电控箱应固定可靠,安装在卷帘附近2米范围内的暴露部位及随时能控制的部位。
2)电控箱安装在消防喷淋不到的地方,运用时电控箱不因进水而影响运行。
3)报警喇叭安装在电控箱内。
4)烟感装置装在较开阔的地方,一般情况下在离卷帘运行中心1-1.5米的地方,若有温感,则装在卷帘另一侧,距离卷帘中心1-1.5米。
4.11.5.11调试
本次调试属机械方面调整,重点检查以下方面:
1)自重下落是否正常
2)环形链条运行是否自如
3)卷门机制动器是否正常
4)调心轴承紧定螺钉是否坚固
5)轴承滚珠是否破裂
6)大小链轮中心面是否在同一平面内,链条松紧是否合理
7)支座紧固件是否松动
8)帘板在导轨中运行阻力是否过大
9)卷轴上帘板在下限位时是否过半圈
10)链条与帘板轴向窜动量是否太大
11)互邻帘板轴向窜动量是否太大
12)以上各项,逐项细查,确保卷帘运行正常、安全可靠。
4.11.5.12综合调试
本次调试主要是电气运行调试,兼顾机械运行检查、调试,进行全面调整,确保卷帘运行安全可靠。
4.11.5.13清理
1)卷帘门安装调试完毕,应反复检查,确保安全隐患消除,同时锁好手动环形链条。
2)保证传动装置各轴承加油充足。
3)定期(1-3月)在链条上加机械油HJ50或润滑脂,保证链条传动的润滑。
4.11.6验收交工
防火门、防火卷帘门工程安装完毕后,先由甲方、土建和施工方进行全面检查验收,再由监理验收,然后再由技防办、消防进行统一的技防、消防验收。
4.12装饰工程
4.12.1内墙面抹灰
4.12.1.1施工条件
1)墙面抹灰前应对结构进行验收,并检查墙内安装管线、预埋是否完工。
2)内墙面粉刷前,水、电安装工程应完成该部分箱盒调整工作。按本单位施工方法及设计规范的有关规定,每分项工程均应按施工方案施工,工序交接时应同时办理成品保护的交接。
3)本工程抹灰均采用干粉砂浆。
4.12.1.2抹灰基层处理
1)为使抹灰砂浆与基层粘结牢固,抹灰前必须对基层进行处理。
2)墙面和楼板上的孔洞、门窗框和墙连接处的缝隙应用水泥砂浆分层嵌塞密实。平整光滑混凝土的表面,可不抹灰,用刮腻子处理,混凝土表面如需抹灰时,需对混凝土表面进行“毛化”处理,采取刷混凝土界面剂处理,使其凝固在光滑的混凝土表面,直到用手掰不动为止。
3)抹灰前,砖石、混凝土等基层表面的抹灰、污垢和油渍等,应清除干净,并洒水湿润。砖石结构与混凝土结构相接处基层表面的抹灰,应先铺钉金属网,并绷紧牢固,金属网与各基层的搭接宽度不应小于100mm,以防抹灰层因基层材料不同,吸水和收缩性能不同而产生裂缝。
4)对砖砌体基层,应待砌体充分沉实后再抹底层灰,以防砌体沉陷拉裂抹灰层。
5)对砌块基层做如下处理:
a.抹灰前墙面基层应清理干净,并宜用25×25mm镀锌角网条护角,也可用100mm宽玻璃纤维网格布护角。
b.凡门窗框、钢筋混凝土柱、梁、窗台板、电表箱、电话箱等与墙交接处均应贴大于等于100mm宽的玻璃纤维网格布增强。
c.内墙面批嵌必须分底面两道工序。面层批嵌应待底层批嵌施工完毕并干固后方能进行。面层批嵌干固后用砂皮轻轻擦平即可进行涂料、油漆或墙纸施工。
d.当贴磁砖(或面砖)时,基层表面应无油腻、无灰尘和其它玷污物,先刷一道防水剂,然后用柔性磁砖粘合剂粘贴磁砖(或面砖)。粘贴时,用齿状泥板或其它工具将粘合剂涂抹墙面或磁砖(或面砖)背面,厚度约2-3mm,并用力扭动按实即可,24h后进行嵌缝工作。嵌缝后隔10-20min用湿海棉或湿布将磁砖(或面砖)上多余的嵌缝剂抹掉,再隔15min用干净软布或棉纱头擦揩磁砖(或面砖)表面。严禁在雨雪天进行室外嵌缝工作。4.13.2.5.5外墙粉刷前,墙面基层应清扫干净后涂抹界面剂,厚度约2-3mm,并应在5-10min内粉1:1:6水泥石灰混合砂浆或1:3水泥砂浆找平层。若找平层厚度大于10mm时,应分几次涂抹然后再做面层粉饰、涂料或粘贴饰面层。界面剂施工作业应在3℃以上的气温环境下进行。
4.12.1.3内墙抹灰
1)大面积施工前应先做样板,经鉴定合格,并确定施工方法后,再组织施工。
2)内粉前,先在墙面和柱面做出塌饼。
3)为了使阳角线条清晰,本工程所有阳角均用1:3水泥砂浆护角线。
4)抹灰前1天对墙面进行浇水,要求吸足水份,第2天进行刮毛糙。
5)刮毛糙施工完后,第2天进行刮糙施工,整个抹灰底层施工做到“二遍成活”。
6)墙面刮糙应刮平塌饼,并用木蟹打平,然后在刮糙面弹出分格线,粘贴塑料分格条。
7)内粉刷要求:表面平整、阴阳角平直、清晰、垂直度符合要求。
8)公用部分的内墙阴角处采用水泥砂浆粉刷并一直到顶,墙面粉刷均分层操作达到设计厚度。
4.12.2天棚抹灰
在主体模板施工时,采用木模保证砼表面平整光滑,此类砼的表面,可不抹灰,采用直接刮腻子处理的施工工艺,以保证质量,降低成本。
4.12.3抹灰面刷涂料
4.12.3.1混凝土、水泥砂浆基层的处理(涂料面层处)
基层的蜂窝、麻面,采用1:2.5水泥砂浆,外加10%-15%107胶水,拌合成聚合砂浆进行修补。
采用有机硅防水剂对混凝土或水泥砂浆表面进行处理,将有机硅防水剂均涂刷在基层表面,使表面变成甲基硅酸钠,能防止水泥砂浆中水分对涂层所起的破坏作用。
4.12.3.2基层质量要求
适于涂料施工的基层最佳含水率一般应小于8%,PH值小于8。
基层表面平整度的要求应符合抹灰工程的要求,平整度偏差<5mm。
4.12.3.3抹灰表面在刷涂料前,应充分干燥洁净,不得有起皮、松散等缺陷。缝隙、小孔洞和凹凸不平处应使用具有耐水性能的腻子补平。
4.12.3.4涂刷乳胶漆前,严格控制涂料的稠度,不得随意在涂料中加稀释剂,底层涂料颜色要浅于交活涂料等。乳胶漆经稀释后,应按材料性能在规定时间内用完,并不得加入催干剂;外墙表面的缝隙、孔洞和麻面,不得用大白纤维素低强度的腻子填补,应用水泥乳胶腻子填补。
4.12.3.5加强基层表面处理工作,选择合格产品的涂料,施涂时必须待前一道工序干燥后再施涂下一道工序的涂料,施工环境与温度符合要求等。
4.12.3.6保证每个立面和每遍都用同一批涂料,并宜一次用完,确保颜色一致。
4.12.3.7涂刷时要上下顺刷,后一排笔紧接前一排笔,若间隔时间较长,就容易产生接搓部位不均匀,因此大面积涂刷时应配足人员互相衔接好。
4.12.3油漆
4.12.3.1基层处理
基层的处理:刷清油一度,并将脂斑剔除封固,活节补好。
金属面基层的处理:基层处理方法采用手工除锈。依靠手工打磨,清除金属表面的锈垢和尘土等杂物。
4.12.3.2油漆工程的施工要点:
1)油漆工程施工时,施工环境应当清洁干净,抹灰工程、地面工程、木装修工程、水暖电气工程等全部完工后再进行油漆工程。
2)一般油漆工程施工时的环境温度不宜低于+10℃,相对湿度不宜大于60%;
3)油漆涂刷前,物件的表面必须干燥,当为木基层时,表面含水率不宜大于12%;混凝土、抹灰面基层时,表面含水率不宜大于8%;金属基层时,表面不可潮湿。
4)油漆工程施工过程中应注意气候条件的变化,当遇有大风、雨、雾等情况时,不可施工(特别是面层油漆,不应施工)。
5)油漆工程施工前,应先做出样板,请建设方签认。
6)每遍油漆施工时,应待前一遍油漆干燥后进行。涂刷最后一遍油漆时,不得随意在油质涂料中加入催干剂。
7)油漆工程施工时的材料稠度,应根据不同材料的性能和环境温度而定,不可过稀、过稠,以防透底和流坠。
4.12.3.3油漆工程操作的注意事项:
1)木材面:
(1)底油时,木材表面、门四周均须刷到刷均,不可遗漏。
(2)抹腻子,对于宽缝、深洞要深入压实,抹平刮光。
(3)磨砂纸、要打磨光滑,不可磨损棱角。
(4)涂刷油漆时,均应做到横平竖直、纵横交错、均匀一致。在涂刷顺序上应先上后下,先内后外,先浅色后深色,按木纹方向理平理直。涂刷混色油漆,不少于3遍。
2)金属面:
(1)金属面上的油污、鳞皮、锈斑、焊渣、毛刺、浮砂,尘土等清除干净。
(2)防锈漆要涂刷均匀,不得遗漏。当金属表面镀锌时,应先用G53-33锌黄醇酸防锈漆,面漆宜用C04-45灰醇酸磁漆。
(3)金属表面除锈完毕后,应在8小时内(湿度大时为4小时内)尽快涂刷底漆,待底漆充分干燥后再涂刷次层油漆,其间隔时间视具体条件而定,一般不应少于48小时;第1和第2度防锈漆涂刷间隔时间不应超过7天;当第2度防锈漆干后,应尽快涂刷第2遍面漆。
(4)金属面涂刷油漆一般宜为4遍。漆模总厚度:室外为125-175μm,室内为100-150μm。
质量保证措施
本工程实行创优目标管理,全体施工人员应牢固树立起“百年大计,质量第一”及“质量重任,重于泰山”的意识,围绕ISO9001质量体系,对工程质量形成的全过程及其所有的质量活动进行系统分析、系统设计,全面控制形成文件化,确保工程一次成优。
建立强有力的管理班子,以人为本,教育和激发全体职工的质量意识和质量责任感,使职工懂得立足本职工作的重要性及其在项目质量活动中的作用,对管理层要增强质量意识、管理意识,改进意识正确处理速度与质量的关系,从而使全体职工树立鲜明的质量意识。
采用质量预控的科学方法,应根据施工图纸、现场情况及质量要求,编制具体而详细的质量要求,编制具体而详细的质量计划,提出分部分项工程的施工部署及技术措施、质量措施、安全措施、资源和活动顺序等,要作到技术上的先进性,以确保质量体系上的优化和工程质量的优良;加强审图工作,发现问题及时与业主、设计联系,教育班组严格按图施工,按规程操作,建立自检、互检质量制度;现场工程师应根据各分部分项设计图纸要求,编制分部分项工程作业指导书,并向操作人员进行技术交底。
5.1质量保证体系
计量管理
材料供应
设备供应
施工机具
创优规划
过程控制
创优资料
工程测量
土建施工
安装工程
质量监督
材料试验
设备检测
监督预控
创优保证
采购质量
施工质量
项目经理
项目总工
工程质监员
质量检验
创优管理
物资供应
工程技术
5.2质量保证体系运行及目标管理
5.2.1质量保证体系运行图
保证工程创优成于
质量标准交底
项目经理
保证装修优良
保证结构优良
方针、计划
质量成本控制
质量措施落实
质量责任制
项目经理
监督、检查
技术主管
技术公关
质量跟踪管理
质量管理活动
熟悉质量标准
作业班组
自检、互检
专职人员验收
质量结果分析
总结分析检讨
每周质量会议
改进方法措施
效果观察比较
总结归档
5.2.2质量管理目标和承诺
针对本工程的特点,我公司承诺将确保达到上海市“白玉兰”优质工程作为质量策划目标。从技术的先进性、管理的可行性、配合的实际性上制订措施,确保本工程竣工质量达到制定的目标。
质量责任制
1.加强内部管理
2.落实岗位责任
3.完善质量措施
工作质量
1.合理设置岗位,指定专项控制点明确质量标准。
2.全程跟踪管理
质量控制点
1.明确质量控制重点
2.落实质量措施
3.检查、分析、改进
检查制度
1.加强自检、互检、专检制度的实施
2.分析、改进,公正评定,奖罚分明
质量目标
1.保证分项工程一次验收合格率100%
2.工程质量达到优良,创无渗漏工程,确保“白玉兰”奖。
5.3质量预控及检测程序的确立
质量预控、检测是保证工程质量的一个重要手段。本工程将认真贯彻ISO9001系列质量标准,严格按《质量手册》的规定要求进行组织施工。项目班子从图纸到手开始,经图纸会审、答疑,编制施工组织设计,分项分部工程的技术交底,明确工序质量检验评定标准,工程验收程序,直到竣工后的保修服务,每道工序和每个环节都由专人负责,专人评定,层层把关,严格按照规定程序操作,同时接受业主、监理工程师和政府监督机构对工程质量的监督、检查。在大家的共同努力下,争取实现工程质量一次成优。质量预控及检测将按质量预控程序及检测流程图实施。
过程监控
设计交底
图纸会审
编制施工组织设计
项目工程师编制保证质量的施工方案
施工人员依据图纸、规范和交底方案施工
竣工后质量回访及维修
单位工程竣工验收
单位工程质量评定
质 量
监督站
分项工程结束小组自检,填写自检施工
质检员进行质量检查,等级评定办理隐蔽工程验收手续
办理工序
交接手续
水 电
测试运转
分部工程
质量工程
建设单位
监理单位
5.4质量保证措施的流程控制
施工过程管理流程控制:
N
N
N
开始
现场、技术、设备准备
计划制定、方案编写
审批
开工
改进
分项、分部工程施工
过程检查、监控
评定、验收
总结、分析、措施
分析、整改、改进
业主监理、质监评定
总体检验、评定
交付
结束
整改
5.5技术管理措施
5.5.1图纸会审制度:有组织、有步骤地进行图纸会审和设计交底工作,充分了解设计意图,明确设计做法,减少对图纸理解的偏差,对保证和提高工程质量起着重要作用。
5.5.2施工组织设计及方案的编审制度:在保证工程质量,安全生产,提高劳动生产率,提高机械化程度,合理安排施工程序的前提下,符合多快好省的要求,来组织编制单位工程施工组织设计及施工方案。施工组织设计的编制应由主管工程师执笔,分公司总工程师审核批准。施工组织设计及方案一经审批通过,即成为施工指导文件,必须认真贯彻执行。工程开工后,可根据施工组织设计由主管技术员来编写详细的分项工程施工方案和质量保证措施,报项目总工程师审阅,批复后方可付诸实施。
5.5.3技术交底制度:为了使工程的施工有计划、有组织、高质量地完成,使参加施工的管理人员和操作工人都了解工程任务的特点、技术要点、施工工艺及质量标准,做到心中有数,在每个分项工程施工前,应由技术员向施工员和操作人员进行书面技术交底和现场交底,在施工人员完全了解操作方法和工艺标准后,完善交底签认工作。
5.5.4技术复核制度:对工程的关键部位和分项工程的过程管理中,加强技术复核工作的力度(要求工程主管技术人员对分项工程进行复核验收),避免发生重大的差错,影响工程质量和下道工序的进行。
5.5.5施工技术问题核定单管理制度:在施工过程中,时常会发现图纸有偏差,或与实际情况不符,或因施工条件、材料规格品种、质量不能完全符合设计要求,以及有关部门提出的合理化建议等原因需要修改施工图纸时,应填写《施工技术问题核定单》,并送设计单位和建设单位签复,交监理单位备案后,方能变更施工。它是施工、验收、结算的重要依据。
5.5.6质量分析制度:结合QC小组活动,做好“施工前控制、过程跟踪和质量分析”,对重要部位和关键工序提前制定预防措施、控制质量波动,对发现的问题及时展开分析解决,预防质量事故的发生。
5.5.7实行样板制:每道工序及主要分部分项工程,特别是地面、饰面装饰及节点处理必须预先定标准、定材料、事先做样板。样板须经工程师和质检部门、监理、认定符合优良标准后,方可组织大面积施工。
5.5.8质量检查验收制度:对分部分项特别是隐蔽工程经常抽检和普遍检查,及时验收、评定等级。发现问题及时处理,不留隐患。对关键部位,组织专人负责,实行质量全程跟踪控制,隐蔽工程必须经检查、验收合格后方可进行下道工序施工。
本工程隐蔽工程验收按二个阶段进行,对内验收建立班组自检、工种间交接检、质检员和项目工程师三级检查制度;对外由项目工程师会同监理进行再次验收。
5.5.9重要部位中间验收制度:确定的五个重要部位必须作中间验收的项目见下表,施工过程中严格按此表规定进行验收,这是保证工程项目质量重要措施。
五个重要部位中间验收计划
| 序号 | 中间验收项目 | 验收内容 | 验收人员 |
| 1 | 钢筋砼工程 | 钢筋规格、数量、位置、接头、保护层、垫块、砼配合比 | 质量员、监理、施工员 |
| 2 | 门窗框嵌缝 | 门窗尺寸、框边嵌缝、拼管打胶 | 质量员、施工员、监理 |
| 3 | 主体结构工程 | 全面检查、质量鉴定:砼、砌体、过梁、门窗框、填充墙、镶砖等 | 质监站、业主、监理、公司技术质量科、质量员、施工员 |
| 4 | 楼梯工程 | 平台标高、踏步的宽度高度 | 质量员、施工员、监理 |
| 5 | 屋面工程 | 分仓缝是否符合要求,泛水、防水层、保温层的施工方法,材料化验单 | 质监站、业主、监理、公司技术质量科、质量员、施工员 |
5.5.10工程技术文件归档管理制度:单位工程技术档案,重大质量、安全事故的调查、分析、处理的原始记录及有关资料,新材料、新工艺的试验、鉴定资料,重大技术问题处理的各项原始记录都应及时收集、整理、归档。并配合业主做好房屋建筑工程竣工验收备案表。
5.5.11材料检验制度:工程材料、半成品均须有出厂合格证,并经专人验收合格后方可进场。试验室要及时做好规定材料的复检工作,特别要把好各种高级装修材料的定货、检查验收关。
5.5.12协调配合制度:施工单位与监理单位、设计单位协调配合,一起解决在施工中发生的各种问题(包括施工原因引起的和设计原因引起的)。另外,各工种之间还要协调配合,避免相互干扰,影响工程进度和质量。
5.5.13竣工后回访保修制度:竣工后回访,能使我们了解工程施工的不足,以及由此而引发的问题,使以后施工中避免同类问题发生。另外,可以了解到新技术、新材料的使用效果,并对此提出改进,使其不断完善。
5.6施工准备阶段的质量管理
5.6.1有针对性地制定分阶段进度计划,材料供应计划,检验计划,做到文明施工,均衡施工,为工程质量稳定创造良好条件。
5.6.2实行质量目标管理,在确立总体目标的同时,确立分部分项工程的具体质量目标(以分项保分部,以分部保单位工程),质量目标将明确责任者,检查标准和具体落实措施。
5.6.3组织有关人员认真学习图纸,明确设计意图,及时编制各分项工程的技术交底和质量保证措施,严格按设计文件、施工图纸、技术规范、操作规程施工,做到操作有标准,检查有目标,努力提高工程的施工质量。
5.6.4所有单位工程,都要有合理的施工程序,编制技术先进、工期合理、科学施工、统筹规划、目标明确的施工组织设计。对施工难度大、质量要求高,工序复杂的关键部位,要独立编制质量措施计划,并有专人组织实施。
5.6.5凡参与该项目的各施工队、作业队要设专职质检人员,负责对施工质量跟踪检查,落实质量措施的具体实施,具有质量否决权。
5.6.6广泛开展QC小组活动,把技术攻关,克服质量通病等作为QC小组活动的主要内容。
5.6.7加强对原材料及半成品的质量控制和测试,取得可靠质量保证依据。以保证材料及半成品质量的可靠性。
5.7施工阶段的质量管理
5.7.1主体工程
砼采用高效早强减水剂,增强和易性和流动性;
砼浇灌前,由试验室提供配合比,外加剂的书面资料,达到龄期后要提供该批砼的试块强度报告;
加强现场计量工作,保证砌筑砂浆的配合比正确。各种配合比未经项目工程师同意不得擅自更改;
主控轴线、标高的垂直传递,开间轴线尺寸的丈量,须经项目工程师和项目质量员复核,复核无误后方可进行下道工序施工;
各层模板安装完毕后,必须有专人检查扣件是否紧固,板缝及下口是否紧密,经检查无误后方可下道工序施工,各部位模板的拆除必须经项目工程师出具拆模通知单后,方可进行,其他任何人不得作出决定;
钢筋加工时,数量、规格、长度、形状和尺寸,必须严格按翻样单,分批、分类、分层编号堆放,由钢筋施工员负责检查;
钢筋安装要重点检查柱、梁、板配筋的规格、数量、位置、绑扎方法、搭接方法、搭接长度和位置是否符合规范和图纸要求;
无论何种砌体均要设置皮数杆,砌筑时要严格按照皮数杆拉线操作。YTONG砌块墙面应平整、干净、灰缝处无溢出的粘结剂。砌体灰缝必须饱满,其厚度(宽度)为2-4mm。上下皮砌块错缝搭接长度小于100mm的面积不得大于该墙体总面积的20%。
5.7.2装饰工程
抹灰前应将墙壁及砼基面清理干净,在砼的基面上涂刷801胶水泥浆或涂刷砼界面剂。还应检查门,窗框位置正确与否,四周固定是否符合要求,连接处的缝隙是否嵌密实。
墙面粉刷应做标饼、冲筋。保证墙面的垂直度和平整度,室内墙面、柱面和洞口阳角要用高标号水泥砂浆做护角。装饰施工均要做样板间,样板墙,经认可达到质量要求后,方可进行大面积施工。
总之,工程的质量管理工作是从项目经理、技术负责人所负责的质量保证体系逐级深入开展的,工程的施工质量由工程负责人负责,工地设专职质量员,对施工质量进行监督,对违反质量管理规程的行为,有权责令其限期整改,直至停工。
认真做好施工原始记录的收集和整改工作。
各分项工程必须由建设单位、监理验收合格后方可进行下一个分项施工。
5.8各分项质量控制点设置
钢筋工程质量程序控制图
学习图纸和技术资料
学习操作规程和质量标准
准备工作
钢材合格证,有疑问复验
检查脚手架、脚手板
制订与审核钢筋配料表
书面或口头交底
操作人员参加
技术交底
按不同型号挂牌
钢筋下料成型
钢筋、砼工序交接检查
浇灌砼,留人看钢筋
现场绑扎安装
中间检查
自 检
质量评定
执行验评标准
办理隐蔽验收签收手续
梁、柱、板、独立基础抽查10%,但不少于3件;带型基础、圈梁每30-50m(m2)抽查1处,但不少于3处。
钢筋合格证
钢筋代用单
自检记录
隐蔽工程验收记录
计量评定记录
施工记录
事故处理记录
资料整理
不合格的处理(返工)
清理现场,文明施工
模板工程质量程序控制图
学习图纸和技术资料
模板选择
准备工作
平整木模板
模板涂隔离剂
与钢筋工序交接
检查脚手架、脚手架
学习操作规程和质量标准
书面或口头交底
操作人员参加
技术交底
底部标高、中心线、断面尺寸放线
钢筋、砼工序交接检查
浇灌砼时留人看模
支 模
中间检查
自 检
质量评定
按梁、柱和独立基础的件数,各抽查10%,但均不应少于3件;带型基础、卷梁和板,每30-50m(m2)抽查1处,但不应少于3处
自检记录
隐蔽工程验收记录
施工记录
拆 模
不合格的处理(返工)
不合格的处理(返工)
资料整理
清理现场,文明施工
混凝土工程质量程序控制图
学习图纸和技术资料
学习操作规程和质量标准
制订保证砼质量措施
准备工作
材料准备,出具合格证
申请砼配合比
准备试模和坍落度筒
模板、钢筋、砼工序交接
检查脚手及道路
垂直、水平运输机械准备
书面或口头交底
操作人员参加
技术交底
克服上道工序弊病的补救措施
专业会签
申请浇灌命令
岗位分工,操作挂牌
木工、钢筋工跟班保质量
执行重量比
根据情况调整配合比
浇灌砼
每个工作班不少于1组;
每拌制100m3不少于1组
现浇楼层,每层不小于1组
标准养护试块
养 护
安时覆盖
暖热季节定时浇水,冬季注意保温防冻
执行检评标准
卧室、客厅、卫生间、厨房、地下室等以房间为单位进行验收
不合格的处理(返工)
质量评定
资料整理
清理现场,文明施工
材料合格证
试块报告单
自检记录
质量评定记录
砼浇灌记录
砼施工记录
事故处理记录
测温记录
混凝土强度程序控制图
学习图纸和技术资料
学习操作规程和质量标准
准备工作
原材料合格证按规定进场检验
检查脚手架、脚手板
书面(或口头)技术交底
操作人员管理人员参加
技术交底
执行验评标准
对试块强度进行评定
不合格的处理(返工)
质量评定
按具体情况调整施工配合比
计量
搅拌
拌合物和易性
试块制作养护
试块送检和试压
现场施工
原材料合格证和试验报告统计表
试验配合比统计表
施工配合比通知单
资料整理
试块强度统计表
砌块工程质量程序控制表
准备工作
轻质砼砌块
质量评定
资料整理
技术交底
学习图纸和技术资料
学习图纸和技术资料
学习操作规程和质量标准
平面尺寸、标高测量放线
水平、垂直运输工具准备
脚手架、走道准备
按图立皮数杆
对土建工序进行交接检查
克服上道工序弊病的补救措施
基底测量放线
书面或口头交底
操作人员参加
每一楼层(基础按一个楼层计)或250m3砌体至少制作一组试块(每组5块)
墙面平整,垂直,粘结剂饱满
中间检查
自检
执行验评标准
以房间为单位进行验收
不合格的处理(返工)
清理现场,文明施工
材料合格证
试块报告单
自检记录
事故处理记录
施工记录
质量评定记录
屋面找平层工程控制图
材料准备并出具合格证
上道工序交接检查
准备工作
学习操作规程和质量标准
学习图纸和技术资料
书面或口头交底
操作人员参加
技术交底
注意表面平整
整体式找平层不应胶皮起砂
预制找平层应扑平垫稳
找平层宜留设分格缝
施 工
中间抽查
自检
基层隐蔽验收签证
执行验评标准
每100m2抽查1处但不应少于3处
质量评定
材料合格证
隐蔽工程验收记录
自检记录
质量评定记录
施工记录
资料整理
清理场地,文明施工
屋面保温工程控制图
材料准备并出具合格证
上道工序交接检查
准备工作
学习图纸和技术资料
学习操作规程和质量标准
书面或口头交底
操作人员参加
技术交底
控制材料干容重
确保厚度
执行验评标准
每100m2抽查1处但不应少于3处
施 工
中间抽查
自检
基层隐蔽验收签证
质量评定
材料合格证
隐蔽工程验收记录
自检记录
质量评定记录
施工记录
资料整理
清理场地,文明施工
屋面防水工程控制图
材料准备并出具合格证
上道工序交接检查
准备工作
学习图纸和技术资料
学习操作规程和质量标准
中间抽查
自检
技术交底
执行验评标准
每100m2抽查1处但不应少于3处
施 工
清洁,干燥并预热
各层粘结牢固
控制油温
胶结料试验配合比
基层隐蔽验收签证
书面或口头交底
操作人员参加
采取安全防护,防火措施
质量评定
试验配合比
自检记录
材料合格证
隐蔽工程验收记录
质量评定记录
施工记录
资料整理
清理场地,文明施工
门窗制作工程控制图
合理堆放
准备工作
合理使用木材
允许更改设计的文件
注明更改内容的竣工图
制 作
质量评定
执行验评标准
专检合格后,加盖合格章后移入成品库
防裂防变形防腐
清理场地,文明施工
中间抽查
自检
学习图纸和技术资料
学习操作规程和质量标准
按设计要求备料
木材含水率及材质鉴定
木作机械保养
书面或口头交底
操作人员参加
技术交底
按不同规格的框、扇件数抽查10%,但均不应少于2件
木材含水率测定记录
木材材质等级证明
自检记录
质量评定记录
施工记录
资料整理
办理出厂合格证
门窗安装工程控制图
准备工作
安装工具准备
注明更改内容的竣工图
门窗安装
质量评定
执行验评标准
自检
注意门窗与墙的连接
后塞口:检查墙体预埋件
中间检查
学习图纸和技术资料
学习操作规程和质量标准
出厂合格证
门窗外形尺寸检查
先立口:平面位置标高放线
书面或口头交底
操作人员参加
技术交底
以房间为单位进行验收
质量评定记录
不合格的处理(返工)
构件出厂合格证
自检记录
施工记录
资料整理
粗装修工程质量程序控制图
准备工作
认真执行配合比
施 工
质量评定
中间抽查
严格按操作规程
严防室内空气对流
克服上道工序弊病的补救措施
办理上道工序交接手续
学习图纸和技术资料
学习操作规程和质量标准
检查基层平整,垂直情况
脚手架搭设
基层清理干净
书面或口头交底
操作人员参加
技术交底
自检
质量评定记录
不合格的处理(返工)
构件出厂合格证
自检记录
施工记录
资料整理
制订保证质量措施
清理现场,文明施工
执行验评标准
以房间为单位进行验收
室内抹灰质量控制图
人员配备及物资检验
学习操作规程和质量标准,审查图纸
制定保证质量措施
出具材料质量证明,材料试验、试配单
配备经计量检验的工具:拌合工具、计量器及手操作工具等
劳务分包方选择经试工验证方可上岗
检查基层垂直平整情况,基层清理干净
技术交底
编写分项工程作业指导书
编写操作工序,制定质量标准及要求,进行书面交底
对上道工序弊病提出纠正
办理上道工序的交接手续
认真执行配合比
注意墙面的平整,接搓和空鼓问题
基层处理:剔凿,修补,清扫,洒水湿润
底层抹灰:吊垂直、套方、找规矩、抹灰饼并按灰饼冲筋,二遍完成
面层抹灰:1:2.5水泥砂浆罩面,加强养护
过程控制
门窗框清洁干净
各抹灰层保证有足够的强度
翻拆架子时防止碰撞墙面
操作时注意其它成品:如水泥管、台阶、地面等的保护,防止污染
成品保护
执行工程质量检验标准
对不合格产品的处置
质量评定
出具合格证或物资证明文件
班组自检记录,互检记录,交接记录
质量分项评定,质量处理情况
施工记录
质量评定
5.9建筑材料管理措施
工程质量好坏除了组织素质高的各工种施工队伍进行精心施工,严格验收外,材料的质量好坏是建筑工程“质量第一,百年大计”的关键部分,为此我们对本工程材料质量采取如下管理措施:
5.9.1施工材料管理流程
工作内容
开始
使用计划、采购计划
计划确认
供货商选择、资质报审
确认供货商是否合格
改进
合同签订
生产过程检查、监控
进货、外观评定、验收
入库、登记、标识
退货
检验、试验
合格否
使用登记台帐、可追溯性
结束
1.使用计划、质量要求
2.采购、寻价计划
3.供货商业绩、信誉情
N 况表
Y
4.供货商申报
N
5.确认合格供货商
Y
6.产品准用证
7.购销合同、租赁合同
N
8.产品合格证、质保书
Y
9.材料入库登记表
10.材料试验登记表
N
11.材料复试报告
Y
12.材料使用台帐
13.材料质量追溯跟踪表
5.9.2土建材料必须检验项目
| 序号 | 名 称 | 必验项目 | 必要时需验项目 |
| 1 | 水泥 | 标号、安定性、强度 | 凝结时间 |
| 2 | 钢筋 | 抗拉率、冷弯率、屈报点、延伸率 | 冲击韧性、化学成份 |
| 3 | 砌块 | 立方体抗压强度 | |
| 4 | 防水材料 | 拉伸性能、耐热度、柔性、不透水性 | |
| 5 | 砂石 | 含泥量、针片状 | 石子压碎指标 |
| 6 | 砼 | 砼的抗压强度、坍落度 |
5.9.3有关材料试验批量的规定(取样试验)
水泥:水泥取样以同一水泥厂,同一等级的水泥不超过200t为1个验收批,不足200t也作为一个验收批。一般可以从20个以上不同部分取等量样品拌和取样,总数至少12kg。
砌块:砌块取样以同一厂,同一品种的砌块,以5万块为1批,不足5万块时也作为1验收批,在料堆上均匀分布不同部分,抽取15块样品,其中抗压强度检验各5块(备用5块)。
砂:砂取样以400m3或600t为一验收收批,不足以上数量以一验收批论,在料堆上均匀分布的8个不同部位,抽取大致相等的砂试样共8份组成1组样品。
石子:石子取样以400 m3或600t为一验收收批,不足以上数量以一验收批论,在料堆上均匀分布的8个不同部位,抽取大致相等的砂试样共8份组成1组样品。
防水材料: 每批号作为一个取样单位
建筑钢材: 物理性能每批≦60t作为一个取样单位。
钢筋焊接试验: 钢筋闪光对焊接头按同一焊接参数完成300个同类型接头作为一批。1周内连接焊接时,可以累计计算,1周内累计不足200个接头时,亦按一批计算。每批以成品中切取6个试件、3个拉伸,3个弯曲试验。钢筋电弧焊接头每一楼层以300个同类接头为一批,不足300个时,仍作为一批。钢筋电弧焊接头在一般建筑和构筑物中,每300个同类型接头作为一批,框架结构中,每一楼层中以300个同类接头作一批。不足300个时仍作为一批。每批成品中切取3个试样作拉伸验。
5.9.4现场材料管理措施
所有现场材料、半成品,都应按总平面布置图做好场地,分门别类的堆放,钢筋堆放应有地楞分隔架空,有专人管理。
经常检查材料的质量和使用情况,凡发现不符合质量要求的材料应及时复核。确保不合格的材料不流入本工程。
施工中应做到“四清”即:谁做谁清,随做随清,日做日清,工完料清。
以物资部长为首,成立项目部内部采供组,建立材料出库、入库制度,严格出入库手续,按计划采购、供应、以减少浪费。
为保证工程质量,模板拆除后应进行修理,上隔离剂,平整度、光滑度等不符合要求的不准继续使用。
5.10竣工后服务
我公司本着一切为用户着想的思想,处处要为用户考虑,为使用户满意、放心,工程竣工后,我们将继续为用户提供方便,并做好下列工作:
执行工程竣工后回访保修制度。竣工后,随即向业主发出质量回访保修卡,认真履行合同及有关规定。保修期内每隔半年回访一次,凡属施工原因造成的质量问题,马上组织修复,做好修复记录,并经业主签字认可,一切费用由我公司承担。凡属其他原因造成的质量问题,我们也将向建设方解释清楚,积极协助业主解决。
定期邀请建设方座谈,请建设方对我们的质量情况多提宝贵意见。
第六章 创无渗漏工程施工技术措施
6.1工程防水管理措施
近年来,我们将渗漏作为治理通病的主攻目标,在施工过程中严格程序控制治理渗漏通病,对施工过程进行严格的“全面”、“全员”、“全过程”管理,收到较好效果,基本杜绝了渗漏这一质量通病。在创建“无渗漏”工作施工中,以“预防为主”,全面落实创建工作措施,加强事前控制和事后检查,把产生渗漏的质量隐患消灭在萌芽状态。
6.1.1施工准备阶段质量控制
6.1.1.1认真审图,全面领会设计意图。凡图纸中防水细部做法不能确保施工质量部分,及时提出合理化建议和修改变更意见。
6.1.1.2编制防水工程质量控制要点。制订内控标准,落实质量责任制。
6.1.1.3基层必须清洁、平整、坚实、干燥、无积水,并控制坡度,确保排水良好。
6.1.1.4项目经理指派技术部一名工程师主管本工程的防水施工,该工程师有多年防水工程施工经验,熟悉防水工程的施工工艺,清楚防水施工要点,有能力管理好本工程的防水施工。
6.1.1.5选择有相应施工资质或经过培训的专业队伍,并报监理、业主审批。检查施工队伍中操作工人的上岗证、技术技能等级证书等;在施工过程中建立样板制,要求其施工样板,检查样板的质量,达到优良等级后方可大面积施工。对不符合上述条件的施工队伍,不能让其进场施工。
6.1.1.6 严格对材料的质量选择和控制,采购前选择好供应商并取得和封存样品,做好材料验收和材料合格证明资料收集工作,材料登帐入库后做好保管工作,以确保工程的内在质量。
6.1.2施工阶段质量控制
6.1.2.1技术人员依据施工组织设计,认真编写切实可行的具体施工方案和措施。对阴阳角、排水口、管子根等容易发生渗漏部位增补的处理措施,要向操作者详细交底。
6.1.2.2施工管理人员应掌握防水构造作法与基本的施工技术,操作人员应正确理解和掌握防水工程的操作要领。
6.1.2.3施工管理人员应督促操作人员严格按工艺流程标准进行施工,并督促操作人员进行认真自检。
6.1.2.4专职质检员检查要到位,要以预防为主,坚持在工作面上进行检查,以便及时发现问题,随时纠正。
6.1.2.5在工序质量的自检、互检的基础上,进行工序质量的交接检查,坚持上道工序不合格不能转入下道工序的施工原则。
6.1.3.验收质量控制及成品保护
6.1.3.1 隐蔽工程验收检查后,要办理签证手续,列入工程档案,对查出的问题必须认真处理,须经监理工程师核认后,方能转入下道工序。
6.1.3.2严格防水层分项工程质检评定,防水层必须做到表面平整,排水良好,质量符合规范要求。
6.1.3.3防水工程完工后,对屋面应做淋水试验或雨后观察(雨量应中级以上),厕浴间应进行24h以上蓄水试验,最浅处的蓄水深度要大于2cm。
6.1.3.4成品保护,做完防水后应尽量避免上人,严禁穿带钉鞋者进入,严防施工设备损坏防水层。
6.1.3.5做好创建“无渗漏”工作的施工资料记录,在工程完工提请建设单位验收时,提出专项总结报告申请验收,并在工程竣工验收后将创建工作的施工资料记录整理成册归入档案。
6.1.3.6在工程保修期内,配合建设方做好创建“无渗漏”工作的用户回访工作,开展创建工作的质量跟踪,及时处理可能出现的渗漏质量问题。
6.2工程防水技术措施
6.2.1砌块防水工程
根据我单位以往砌块的施工经验,砌块防渗防漏施工要点如下:
6.2.1.1砌块墙体,不得在以下部位使用:
1)建筑物±0.000以下。(地下室非承重内隔墙除外)。
2)长期浸水或经常受干湿交替的部位。
3)受化学侵蚀的环境。如强酸、强碱或高浓度二氧化碳等。
4)砌块表面经常处于80摄氏度以上的高温环境。
5)屋面女儿墙墙体。
6.2.1.2浴厕间的隔墙,应做好防水,避免墙面干湿交替或局部冻融的破坏,砌块外墙墙面水平方向的凹凸部分应做泛水和滴水,以避免积水。
6.2.1.3做内外饰面或批嵌前,砌块墙体与不同材质的连接处都需加贴抗碱玻璃纤维自粘嵌缝带。嵌缝带厚度0.25mm,网眼大小9目,宽度常用规格为100mm。
6.2.1.4内墙门窗洞两侧要预埋C15细石砼块,木门窗樘与细石砼固定采用飞鱼膨胀螺栓。
6.2.1.5对墙上镂槽埋设暗管较多的墙体,水平向镂槽总深度不得大于1/4墙厚,竖向镂槽总深度不得大于1/3墙厚。穿越墙体的水管应严防渗水。
6.2.1.6砌块之间粘结砂浆应采用专用砂浆,其垂直和水平灰缝均应控制在2~4mm。第一层砌块在结构件上,应用厚度10-45mm,1:3水泥砂浆作找平层。
6.2.1.7墙体与主体结构连接件的数量必须严格得到保证。
6.2.1.8砌块抹灰时,基层底灰必须选用专用加气砼界面剂,否则墙面容易空鼓。有防水要求的墙体墙面装饰材料应用防水粘合剂粘贴饰面材料。
6.2.1.9门窗过梁全部采用现浇形式。
6.2.1.10砌块砌至接近楼板时,须留40mm宽左右的缝隙。缝内中间塞PE棒,两边嵌M10砂浆。
6.2.1.11砌块与主体结构相交的阴角部位,在墙体饰面时须粘贴100宽自粘性玻璃布。
6.2.2细部构造的防水处理
6.2.2.1挑檐、雨篷、阳台、空调小平台等细部构造应用水泥砂浆抹光,其顶部应做足够的流水坡度。避免倒泛水或积水。
6.2.2.2细部构造的下口应做滴水线或挂落线。滴水线应用嵌条子做法,严禁拍条或勒线,一般深10㎜,上宽7㎜,下宽10㎜,距外表面不大于30㎜;挂落线一般宽40㎜,厚8-10㎜,要求外低内高,并在与墙面交接处,沿墙用水泥砂浆粉出高120㎜的脚线,或在阴角处用水泥砂浆抹出一小园角或三角。
6.2.2.3禁止采用粉缝和揩缝的方法,勾缝工作应分数次进行,从左到右,先横后竖,逐段抽实压光。十字交接处应平整,无高低。缝抽实后,应比砖面抽进2-3㎜。
6.2.3厕浴间等楼地面防水工程
6.2.3.1地面泛水倒坡
厕浴间等有防水要求房间的地面泛水倒坡的主要原因是地漏偏高,集水汇水性差,表面不平有积水,坡度不顺引起倒流水。
1)厕浴间等有防水要求房间的地面坡度要求距排水点最远距离处应控制在千分之二;且不大于30mm,坡向准确。
2)严格控制地漏的标高,地漏应低于排水地面表面5mm。地漏处的汇水口应呈喇叭口型,汇水性好,确保排水通畅,严禁地面有倒坡和积水现象。为防止地漏渗漏,在地漏四周补缺砼时,应分数次浇捣(一般不少于2次),每次浇捣后应做盛水24水时试验。有防水层时,应将防水层做至地漏口。
3)厕浴间等有防水要求的房间地面应比走廊及其它地面低20-30mm。
6.2.3.2墙身返潮和地面渗漏
厕浴间等有防水要求的房间其墙身返潮和地面渗漏的主要原因有墙身周边防水层的高度低,地面与墙转角处为90度角,导致防水卷材铺贴不实,收头部位处理不当,开裂或开口,以及穿越楼板的立管和套管处理不当引起的渗漏。
1)厕浴间等有防水要求房间的防水处理必须满足设计要求。防水层和防潮层的做法应严格遵守技术规范和技术标准的有关规定,并要与地漏、墙体、管道、门口等处结合严密,防止渗漏。如无设计要求的,建议墙身做防潮处理。
2)厕浴间、厨房等有防水要求的楼地面工程,按强制性标准必须设置防水层。
3)厕浴间的挡水导墙施工时,截面应不小于规范规定的尺寸,浇捣导墙时,与楼板结合处要进行施工缝处理,最好与现浇楼板同时浇捣,并做到浇捣密实。浴缸周边墙面在砌筑时要确保砂浆饱满度,粉刷时要求挤压密实。墙砖粘贴嵌缝时要求反复抽压,确保嵌缝密实。
4)为防止预留洞渗漏,预留孔补缺砼时,要求分层浇捣(不少于2层),每次浇捣后做盛水24小时试验。如预留孔过大时(长边大于250mm),预留孔范围内的楼板钢筋应保留或管道安装后再设置构造钢筋。如有管道井,根部应设置挡水导墙。
5)在铺设找平层前应对立管、套管和地漏与楼板节点之间进行密封处理,并应在管四周留出深8-10mm的沟槽,采用防水卷材或防水涂料镶住管口和地漏。穿越楼面的管道及地漏应在管道外壁做水泥砂浆馒头形状,以加强防水。
6)穿越楼板的套管应设止水环,套管和立管周边应用微膨胀细石砼填塞严密。套管和立管的环隙应用防水油膏等密封材料填塞密实。套管高度应高出设计地面80mm。套管周边应做同高度的细石砼防水护墩。
7)为防止防水层渗漏,防水层施工时必须按相应的规范执行。在地漏处应上翻一定高度(高出地坪面不少于20mm)。管道根部节点防水层如用卷材,应搭接充分,最好用非卷材防水层。
8)厕浴间、厨房、阳台的排水坡度方向要正确。
9)地面基层完工后,应做蓄水试验,蓄水深度为20-30mm,24小时内无渗漏为合格。
6.2.3.3阳台地面:
阳台地面必须组织排水,竖向排水尽可能进入屋面雨水管;阳台地面找坡,地面排水坡向要正确,要做泼水试验,无积水现象。
6.2.4屋面防水工程
为确保屋面工程的质量水平,确保排水防水,应采取可靠的技术措施,根治屋面工程施工中的质量问题。根据《屋面工程质量验收规范》(GB50207-2002)、《工程建设标准强制性条文》的有关规定,屋面工程必须符合如下质量要求:
6.2.4.1屋面工程质量要求
1)屋面工程施工前应编制防水工程的施工方案或技术措施。
2)屋面工程施工中,应按施工工序、层次进行检验,合格后方可进行下道工序、层次的作业。
3)屋面工程的防水作业必须由防水专业队伍或防水工实施,严禁非防水专业队或非防水工进行屋面工程的防水施工。
4)屋面工程所采用的防水、保温隔热材料应有材料质量证明文件,并经指定的质量检测部门认证,确保其质量符合技术要求。材料进场后,施工单位应按规定取样复试,监理单位必须落实见证取样送样制度,严禁在工程中使用不合格的材料。
6.2.4.2屋面卷材防水工程
1)卷材防水层必须铺贴在平整坚实干燥的表面上,因此卷材层的基层—结构层或保温层上面必须做好找平层。
(1)找平层的厚度和技术要求如下:
| 类别 | 基层种类 | 厚度(mm) | 技术要求 |
| 水泥砂浆找平层 | 整体混凝土 | 15-20 | 1:2.5-1:3(水泥:砂)体积比,水泥强度等级不低于32.5 |
| 整体或板状材料保温层 | 20-25 | ||
| 装配式混凝土板,松散材料保温层 | 20-30 | ||
| 细石混凝土找平层 | 松散材料保温层 | 30-35 | 混凝土强度等级C15 |
| 沥青砂浆找平层 | 整体混凝土 | 15-20 | 质量比为1:8
(沥青:砂) |
| 装配式沥青板块、整体或板状材料保温层 | 20-25 |
(2)找平层的坡度:
屋面找平层的坡度应为≥5%,对平屋面应采用轻型混凝土或保温层垫坡的办法做出屋面坡度。天沟应用水泥砂浆找坡,纵向坡度不应小于1%。内落水的水落斗周围Φ500MM范围内使用细石混凝土做成半径为0.5M,坡度不应小于5%的杯形坡。
(3)基层与突出屋面结构(如女儿墙、立墙、天窗壁、变形缝、烟囱、管道等)的连接处和转角处(檐口、檐沟、天沟、水落口、屋脊等)均应做成圆弧,圆弧半径沥青防水卷材为100-150㎜。高聚物改性沥青防水卷材为50㎜,合成高分子防水卷材为20㎜,以保证防水层的质量。
(4)为防止屋面因温度变化造成卷材防水层拉裂,整体式屋面找平层必须留设分格缝,分格缝的位置一般以屋架或承重墙间距为界,间距不宜大于6M,当采用沥青水泥砂浆找平时,分格缝间距不宜大于4M。找平层水泥砂浆抹平收水后应二次压光,充分养护,留设的分格缝,应嵌填密封材料。
2)材料要求:卷材应有出厂证及使用认证证书,进场抽样复试达到技术指标,符合设计要求方准使用。进入现场的油膏同样要具备上述条件要求。
3)卷材施工工艺:在已清基层上,均匀涂刷基层处理剂,使处理剂固化至不沾手时再铺卷材。弹基准线,用粉袋弹彩色线。按线先粘贴附加防水层卷材,附加层为500mm宽,在转角处每边250mm宽。铺贴卷材时从流水坡度的下坡开始,先远后近的顺序进行,使卷材长向与流水坡度垂直,搭接顺流水方向。铺贴时不得拉伸卷材和出现皱折。在铺贴平面与立面交接处卷材,应由下向上进行,使卷材紧贴阴阳角上,搭接位置于平面,距拐角处≥600mm,不得有空鼓或粘贴不实等现象。每铺完一张卷材,应立即用干净的长把滚子从卷材的一端开始在卷材的横向顺序用力滚压一遍,以便将空气彻底排出。为使卷材粘贴牢固,在排除空气后,用外包橡皮的铁辊滚压一遍,立面用手持压滚压粘牢。
4)为防止屋面卷材防水层渗漏,应采用以下措施:
(1)卷材的铺贴方向应根据屋面坡度决定。屋面坡度在≥5%-15%时,卷材可平行或垂直屋脊铺贴;屋面坡度大于15%时或屋面受震动时,沥青防水卷材应垂直屋脊铺贴。高聚物改性沥青防水卷材和合成高分子防水卷材,可平行或垂直屋脊铺贴,上下层卷材不得相互垂直铺贴。
(2)铺设防水层基层必须干净、干燥。清除基层表面垃圾及疏松混凝土、带有棱角的混凝土,清除油迹,确保基层表面光滑、和顺。
(3)基层处理剂的选择应与卷材的材性相容,可采取喷涂法或涂刷法施工。喷涂基层处理剂时,应用毛刷对屋面节点、周边、拐角等处先行涂刷,第二遍喷涂应在第一遍干燥后进行,待最后一遍喷涂干燥后。才可铺贴卷材。
(4)屋面防水层施工时,应先做好节点,附加层和屋面排水比较集中的部位先处理,然后由屋面最低标高向上搭接。铺贴天沟、檐口卷材时,宜顺天沟、檐沟方向,减少搭接。在搭接处应用材料相容的密封材料封严。
(5)加强防水层的产品养护,特别是需在坡屋面上钉挂压条时,对防水层上产生的钉眼要做特别处理(如选用自闭性的防水材料进行处理)。
5)防水卷材的细部构造:
(1)天沟、檐沟应增铺附加层,与屋面交接处的附加层宜空铺,空铺宽度为200㎜,见下图。
(2)天沟、檐沟卷材收头,应固定密封,见下图。
(3)混凝土墙体卷材收头可采用金属压条钉压,并用密封材料封固,见下图。
(4)水落口周围直径500㎜范围内坡度不应小于5%,并用防水涂料或密封材料封实,其厚度不应小于㎜。水落口杯与基层接触处应留宽20㎜,深20㎜的凹槽,嵌填密封材料。
(5)伸出屋面管道防水构造见下图。
(6)屋面上设施基座与结构相连时,防水层宜包裹设施基座的上部,并在地脚螺栓周围做密封处理;在防水层上放置设施时,设施下部的防水层应做附加增强层,必要时应在其上浇筑细石混凝土,其厚度应大与50㎜。
(7)卷材、深色涂膜等屋面防水层应设置保护层,保护层可采用有机反光材料等浅色涂料。
6.2.4.3屋面保温(隔热)层工程
1)保温层可采用松散、板状保温层或整体保温层,保温材料的强度、容重、导热系数和含水率以及配合比必须符合设计要求和施工规范规定。保温层设置在防水层上部时宜做保护层,保温层设置在防水层下部时应做找平层。
2)松散保温材料均需分层铺设,并适当压实,每层需铺厚度不宜大于150㎜。在坡屋面上铺设松散材料应分隔铺设,在平屋面,应使用标尺做出找坡标记,使找坡正确;在松散材料上做砂浆找平层时,宜放置10㎜网眼的铁丝筛,然后在其上面均匀摊铺砂浆并刮平,最后取出铁丝筛抹平压光,严禁在下雨时铺设松散保温材料。
3)板状保温材料的铺设可按干铺和粘贴两种方法施工。分层铺设的板块上下层接缝应相互错开,干铺时板间缝隙用同类保温材料的碎屑嵌密实;粘贴时,板状保温材料相互之间 及基层之间应满涂胶结材料。
4)整体保温层铺设应根据试验决定虚铺厚度,施工时正确设置标尺,分仓进行铺设。找平层压实后应立即抹砂浆找平,并注意养护。
5)屋面保温层和找平层干燥有困难时,宜采用排气屋面。排气通道应纵横连通设置,间距宜为6M。在檐口或屋面排气道的交叉处可设置与大气连通的排气口,排气出口应埋排气管,其出屋面高度不小于300㎜,屋面面积每36m2设置一个。排气出口的防水处理,见下图。
6.2.4.4屋面工程节点处的防渗漏措施
1)为预防坡屋面节点处的渗漏,施工要点如下:
容易产生渗漏的部位有:山墙、女儿墙、老虎窗与防水层相连接部位,屋面落水管弯头与防水层相接部位,厕所、厨房等排污通气管及烟道与防水层相接部位等节点,构造处理应当特别注意。对上述节点,无论混凝土浇捣、找平层处理、防水层施工、装饰瓦铺盖,都应按节点施工,要求做相应的节点处理,符合设计要求。
2)屋面不得有渗漏和积水现象,凡屋面有天沟的建筑工程。应进行24小时蓄水试验,蓄水高度不小于50㎜或天沟满蓄,放完水后天沟不应有积水,并要做好蓄水检验记录。
3)加强屋面结构自防水的施工控制工作,施工中尽量做到结构自防水。结构施工期间加强商品砼水灰比的控制。顶棚振捣除使用振捣棒外另使用平板振动器使平板砼振捣密实。同时屋面做好结构收面工作,分三次收面。一次性收光屋面保证了屋面不产生裂缝。
4)对出屋面的上下水管预埋钢套管,避免人为堵洞造成的偶然缺陷导致渗漏。对必须留出屋面的烟道、砼泵管、测量洞的,在洞的四周板面上增加100×50mm的与板结构同时施工的砼导墙带,以保证屋面的水不进入。
第七章 安全保证措施
7.1安全目标
确保达到上海市文明工地,重大伤亡事故发生率控制为零,一般伤亡事故发生率控制为0.5‰以内。
安全管理目标网络
安 全
进行安全教育
消除安全隐患
检查安全生产
组织安全交底
技 术
指定安全方案
落实安全措施
解决技术难题
机械管理
保证机械安全进行
坚持规范操作持证上岗
安全管理目标
重大伤亡事故为零
年负伤率控制在0.5‰
施工生产
合理安排计划
落实安全措施
杜绝违章施工
整顿不合理操作
其 他
防火设备齐全有效
消除火灾隐患
落实降温保暖防汛台措施
加强治安保卫工作落实生活设
施管理确保环境人员整洁
劳动力管理
组织考评
控制加班加点
签定安全协议
提供劳防用品
7.2安全保证体系
建立以项目经理为首的项目安全保证体系。经理部设安质部负责工程安全工作,依据OHSAS18000的程序文件要求负责对项目的实施过程中所有安全生产情况进行监督检查。
施工安全组织管理网络图
项目经理
项目总管
安 质 部
办公室
现
场各分包队安全
员
施工现场文明施工
安全防护临边洞口防护
施工机械、施工用电
吊装区域安全
加工区域安全
办公区的治安
生活区治安
分包队伍治安
工地周边治安
治安联防队
施工过程安全控制流程图
施工前期
准备方案
方案设计
工程总体布 置
安全措施编制及审核
实 施
项 目 自 检
合 格
公 司 检 查
“三定”整改
安全重点防护及安全保证措施
| 安 全 重 点 防 护 | 安 全 保 证 措 施 | ||||
| 序号 | 内 容 | 主要项目 | 负责人 | 序号 | 具 体 措 施 |
| 1 | 脚手架 | 材质、探头板、人行道防护、护栏、接地保护、防雷 | 1 | 编制安全措施及交底 | |
| 2 | 专人检查现场安全措施落实情况 | ||||
| 3 | 施工后讲评安全生产情况 ,
针对问题采取对策 |
||||
| 2 | 安全网 | 本身材质、支挂、网片规格 | 4 | 特殊工种安全培训
持证上岗 |
|
| 5 | 安全定期检查 | ||||
| 6 | 班前安全活动 | ||||
| 3 | 施工机械及垂直运输 | 机械本身安全防护装置防护栏挡脚板、防护棚、防护门 | 7 | 遵章守纪 | |
| 8 | 安全事故处理(四不放过) | ||||
| 4 | 临边及洞口安全防护 | 通道防护棚、防护栏、防护门、预留洞口 | 9 | 开展安全无事故活动 | |
| 10 | 现场文明施工 | ||||
| 5 | 高处作业 | 物料堆放、特殊天气、安全防护设施 | 11 | 工地义务消防组织 | |
| 12 | 劳动保护(三宝及其他) | ||||
| 6 | 现场临电 | 线的规格、型号、保护、配电箱的材质、型号与地面高度、高压线防护 | 13 | 现场安全警告标志 | |
| 14 | 消防用火申报制度及器材配管 | ||||
| 15 | 大型垂直运输设备
(验收 操作 检查 维护) |
||||
7.3建立健全各项安全管理制度
7.3.1建立各级管理人员安全生产岗位责任制,包括项目经理、技术人员、施工员、班组长、专职安全员等,编印成《员工手册》;作业人员下发《员工安全须知》,人手一份,互相监督。
7.3.2对所有进场的职工、分包队伍进行入场安全教育及针对本工种安全操作规程的教育,并建立个人安全教育卡片。
7.3.3需持证上岗的特殊工种工人都必须经过培训考试,并取得有关部门颁发的合格证书后方可上岗。
7.3.4各工班每天上班前,班长做班前安全施工教育,并做好记录。
7.3.5主管安全生产的副经理每月组织两次安全检查,安保部不定期组织人员检查,专职安全员天天检查。
7.3.6对查出的问题隐患要做好文字记录,开据整改通知单,并落实到人,限期整改,整改完毕后要由安全员进行验证。上级安全部门将不定期对本项目进行安全检查。
7.3.7技术员编制技术方案、技术交底必须同时编制详细、有针对性的安全措施,并向操作人员进行书面交底,双方签字认可。
7.3.8现场发生的安全事故,都要本着“四不放过”的原则进行处理,查明原因,教育大家,并落实整改措施。重大安全事故必须及时向上级部门及地方有关部门汇报,积极配合和接受有关部门的调查和处理。
7.4现场施工安全措施
7.4.1施工现场的一般规定
7.4.1.1坚决贯彻执行国家颁发的《建筑安装安全技术操作规程》和新的《安全法》有关规定。
7.4.1.2每月第一个星期一上班之前开半小时安全生产会,奖励安全生产积极分子,批评不安全行为。
7.4.1.3安全“三件宝”必须切实贯彻使用,本工程工地不戴安全帽者不准入内,没有上过安全教育课者,不准上岗。
7.4.1.4切实做好现场施工管理工作,道路要平整、畅通、硬化,材料、构件应堆放平稳整齐。
7.4.1.5工作间及临时库房内严禁吸烟,并需设置消防器材。
7.4.1.6机电设备一律应设安全防护罩和接地接零,机具操作应有专人负责,并安装触电保护器,做到一机一闸一触电保护器,防止触电事故的发生。
7.4.1.7做好安全交底工作,加强安全监督检查。
7.4.1.8外脚手架全封闭,每步脚手架外立面方向均用密目网满封,层层脚手架满铺竹排片,耐用度要定期检查随时更换。
7.4.1.9洞口、临边以及通道等危险地方必须用钢管严加围拦,并设置明显标志。
7.4.1.10夜间施工应有足够的照明,并派跟班电工。
7.4.1.11脚手架上下不准堆积模板、钢管等重物,以防脚手架超载下滑,酿成安全事故。脚手架挑杆必须坚固、稳定。经常检查是否松动,如有松动下沉现象,必须及时加固处理,消防安全隐患。
7.4.1.12坚持安全生产书面交底制度,凡新开的分部分项工程,专业负责人都应有针对性的安全技术交底并进行签字手续,其原件应交资料室存档。
7.4.1.13现场悬挂安全生产标语,洞口、临边部位和通道除设置防护措施外,还应张贴有关安全标牌,以示提醒。
有关安全标牌示意图
7.4.1.14现场设置的安全防护设施未经允许任何人不得擅自拆除。
7.4.1.15对生产过程中检查出的安全问题及安全隐患应以书面形式通知有关人员或施工班组,并限期整改,将安全管理纳入施工班组任务书、承包书的结算管理,形成以安全保证施工,以施工促进安全的工作方式。
7.4.1.16施工现场动火,按工程进展情况实行动火审批制度,未经批准擅自动火者,视情节严重情况,给予一定的经济制裁。
7.4.1.17施工现场配备足够的防护眼镜、口罩、劳保鞋等劳保用品,以确保施工人员的人身安全。
7.4.2洞口防护、临边防护及外架防护
7.4.2.1每道工序施工前必须进行书面安全技术交底。
7.4.2.2楼梯口设防护栏杆,电梯口设护栏,内设平网,预留洞口用木板遮盖,通道口设护头棚,四口设明显的警示牌。
7.4.2.3建筑物各层的四周及屋面四周做临时防护栏杆封挡。
7.4.2.4各种防护栏杆刷红白相间300mm长的油漆以做警示。
7.4.2.5外脚手架必须与建筑物有可靠的拉结,间距不得大于5m,杆与墙的缝隙不大于300mm,外脚手架用密目安全网全封闭,脚手架施工层设1.2m高的护身栏杆。
7.4.2.6外脚手架作业层用5cm厚脚手板满铺,靠外侧设20cm高挡脚板。
7.4.2.7建筑物四周及施工入口处,用φ48×3.5脚手管搭设双层安全通道,上铺双层50mm厚木板,两侧用多层板封挡。
7.4.2.8脚手架的地基平整夯实,排水通畅,架体周围不准随意开挖。
7.4.2.9剪力撑要按施工规范搭设,斜杆与地面倾角60°。
7.4.2.10钢管脚手架杆件应采用壁厚3.5mm、外径48mm的焊接钢管,其材质应符合《GB700-79》的技术要求,凡钢管表面有凹凸状、疵点、裂纹、变形和扭曲等现象一律不准使用。每根钢管的二端切口需平直,严禁有斜口、毛口、卷口等现象,钢管还必须有出厂产品质量证明。
7.4.2.11扣件采用可锻铸铁,并应符合技术要求,凡有变形、裂纹、砂眼等现象的扣件,不得使用。
7.4.2.12脚手架经验收合格后挂合格标识牌,并悬挂安全标志及安全标语牌。
洞口防护图
7.4.3施工用电安全
7.4.3.1所有电力线路和用电设备,必须由持证电工安装,并负责日常检查和维修保养,且不得带病作业;其他人员不得私自乱接、乱拉电线。
7.4.3.2现场用电线路,一律用绝缘导线,移动线路必须用橡皮电线,不得裸露。电线要架空设置,绝缘固定,不得捆绑在脚手架或钢筋上。
7.4.3.3在潮湿场所及高度低于2.4m的房间以及各种通道内作业时应使用36V的安全电压做照明;油料及易燃易爆品仓库内使用防爆灯具。严禁使用移动式碘钨灯。
7.4.3.4室外配电箱必须做防雨罩,并上锁,钥匙由值班电工统一管理,总配电箱和分配电箱均设漏电开关,开关箱内的漏电开关动作电流不大于30mA,所有用电设备均采用一机一闸一漏电保护。配电箱要安装牢固,底边距地面不小于1.5m。各配电箱均应有用电标识。
配电柜防护及标识示意图
7.4.3.5配电系统采用TN-S接零保护系统,PE线截面不小于1/2相线。所有出线电缆末端均做重复接地,接地电阻不大于10Ω。电力设备的外壳及所有金属工作平台均与PE线相接。
7.4.3.6塔吊顶装设避雷针,避雷引下线接地极电阻不大于4Ω。
7.4.4机械设备的使用、维修和保养。
7.4.4.1现场的机械设备必须有书面操作规程,操作人员必须持证上岗,严格按照操作规程操作,不得带病或酒后作业,且实行定机定人。
7.4.4.2机械设备管理人员必须经常检查机械设备的安全防护装置并予以维修和保养,及时更换失灵和损坏的零部件。
7.4.4.3高大机械设备、脚手架等要做好防雷接地,接地电阻不大于4Ω。
7.4.4.4主要机械安全操作规定
7.4.4.4.1砼搅拌机
作业场地应有良好的排水条件,机械近旁有水源、地面硬化,搭设工作棚,做好防雨、防冻设施并不得积水。
作业后,应及时将机内、水箱内、管道内的积水放尽,并清洁保养机械,清理工作场地,切断电源,锁好电箱。
移动式搅拌机长期停放或超过三个月以上时,应将轮胎卸下妥善保管,轮轴端部应清洁无锈。
作业前,空车运转,检查各工作装置的操作、制动、传动部位、防护装置,均应牢固可靠,确认正常,方可作业。
进料时,严禁将头或手伸入搅拌筒内或用木棒在筒口清理砂浆。
作业中,如发生故障或突然停电不能继续运转时,应切断电源,才可将混凝土或灰浆清除干净,进行检修等工作。
作业后,将料斗放置地面,须升起时应用链条扣牢。
7.4.4.4.2砂浆搅拌机
作业前,检查搅拌机的传动部分,工作装置和防护装置的完好情况,并启动后空载运转,待一切正常方可投料搅拌。
运转中,不得将手、木棒和铁锹伸进搅拌筒内或在筒口清理砂浆。
作业中,如发生故障,应立即停车,切断电源,倾出砂浆,方可进行检修。
砂浆机的每盘加料量应符合机械性能,禁止超负荷运行,搅拌砂浆所用砂子应过筛,防止小石子卡住叶片。
作业中,应做好机内外清洗工作,保养机具,清洁场地。
7.4.4.4.3 电焊机
电焊机应设有可防雨、防晒的机棚,并备有消防器材,接地线与焊把线都不得搭设在易燃、易爆和带有热源的物品上。雨天不得在露天电焊。
电焊机的绝缘电阻不低于0.5MΩ,运行中的焊机温升不得超过A级60℃ 、B级80℃。
施焊现场的10m范围内,不得有氢气,乙炔和木材等易燃易爆物品。
作业后,应清理场地,灭火种,切断电源,锁好闸箱。并等焊料余热散净后方可离开。
7.4.4.4.4振捣器
使用前应先检查各部件的连接是否牢固,接线处绝缘是否可靠,运转方向是否正确。振捣器不得在地板、脚手架和干硬的地面上进行试振。
插入式振捣器软管的弯曲半径不得小于50cm,并不得多于两个弯。使用时应使振捣棒自然地垂直沉入砼中,不得硬插、斜插。
平板式振捣器的电源线必须固定在平板上,电器开关应装在手把上,如用绳拖拉时,拉绳应干燥绝缘,转弯时不得用脚踢电动机。
操作人员施工时必须穿绝缘鞋,戴绝缘手套,完后做好机械的清洁保养工作。
7.4.4.4.5水泵
水泵应安放于坚实,平整的地点,吸水管应使用带滤头吸水口,工作中发现出水不正常,盘根漏气,轴承发热,应即停机检查。
潜水泵接通电源后,应先检查电机旋转方向。潜水泵的吸水部分必须沉入水中,在水外运转的时间不得超过5分钟。
潜水泵移动时必须提拉扣在潜水泵耳环的绳子,严禁拉提电缆线。潜水泵工作时,应妥善接地,其工作范围的30m内不应洗手,洗物,以免发生触电。
潜水泵工作完毕,应切断电源,放尽积水,妥善安放。
7.4.4.4.6蛙式打夯机
使用前对机械各部认真检查,连接细丝必须紧固,电气及接地必须良好,三角带松紧适度,经运转合格后方可正式使用。
试运转时应注意音响是否正常,三角皮带是否跳动,偏心块是否摇摆。
夯土时由一人操作,一人拉线,操作人员应戴绝缘手套,穿绝缘鞋。
操作中打夯机前进方向不得有人,夯机不得夯打在坚硬物体上,三角皮带打滑时,应使用皮带帽,不得浇水或扬土。
连续工作一段时间后,应停止检查各部位是否松动。
使用完毕,将夯机移入干燥地点,做好防雨遮盖。下班时应切断电源,收好电缆线。
7.4.4.4.7砂轮切割机
机具要安放在稳固的地面上,接地应良好。
先空载运转,正常后方可进行切割。
切断作业时,人应偏离切割方向,操作中不得加长力臂,不得进刀过快。
7.4.4.4.8塔吊
司机除应与指挥人员密切配合外,还应遵守施工现场的安全生产有关规定和卷扬机的安全规程。
检查电压是否达到380V的标准,其变动范围不得超过±5%(即400-360V之间)如超过时,须采取相应措施,否则不准使用。
操作前应空车试运转,检查起重钩、摆杆、行车三个动作制动器保险装置和传动装置是否灵活可靠。
操作控制器时,应从停止点(零位)转动到第一级,然后逐级增加速度,严禁越级操作。要变换回转方向时,应将控制器手盘指针先转动至零位,并待运动停止后再行转向另一方向,不得直接变换回转方向。操作时应力求平稳,严禁急起急停,以防塔式起重机发生严重的倾倒故事。
吊起的重物严禁自由落下,应保持两机之间的安全操作距离(吊钩上所悬挂物件的间距,不得小于5m)。
严格检查机身各部主要连接螺栓是否齐全紧固,电气设备和传动装置是否灵敏可靠,并注意校正起重机拐弯曲度,检查轨道及夹轨钳连接情况。
工作中不准有意利用限位装置进行自停车,如偶然触及,应立即将控制器反方向运转。
7.4.4.4.9其他手持电动工具
使用加强绝缘的手持电动工具时,应接在漏电保护开关下,并有可靠的接地保护装置。操作人员必须戴绝缘手套和穿绝缘胶鞋。
角向磨光机,必须装防护罩,操作时,加力要平稳,不得用力过猛。
使用25mm以上冲击电钻时,作业场地周围应设护栏,在地面上操作应有稳固的平台。
使用角向磨光机应注意砂轮安全线速度80m/min。作磨削时砂轮与工作面应保持15º~30º的倾斜位置,作切割时砂轮不得倾斜。
7.4.5外脚手架的安全技术措施
7.4.5.1钢管脚手架应采用φ48mm,壁厚3.5mm的钢管,有严重锈蚀、弯曲、压扁或裂纹的不得使用。
7.4.5.2扣件应有出厂合格证明,发现有脆裂、变形、滑丝的禁止使用。
7.4.5.3钢管脚手架的立杆间距不得大于2m、大横杆不得大于1.2m,钢管立杆、大横杆接头应错开,要用扣件连接,拧紧螺丝,不准用铁丝绑扎。
7.4.5.4脚手架两端及转角处,每隔九米左右设一组剪刀撑,剪刀撑搭接长度在40cm以上,与地面夹角在45º~60º,禁止用铁丝绑扎。
7.4.5.5脚手架的外侧,从第二步起应设1m高的防护栏杆、40cm高的踢脚杆和15-20cm的踢脚板。凡在沿道路立面应从2m高外侧开始进行双层封闭,其它立面从2m高外侧进行封闭,封闭材料采用密目式安全网。
7.4.5.6竹笆片应满铺不留空隙,逐层翻铺时,每层楼高留一层,全高不少于三层,顶层应满铺,临街建筑须层层满铺脚手笆,并与横杆用12#铅丝双股绑扎,每块排片不少于4点。
7.4.5.7材料搬运的出入口及开口的两侧,里外立杆应用双根钢管,用扣件紧固,出入口及井字架进口处在其外侧上面要搭设安全防护棚。脚手架外侧应搭设上人梯或跑道。
7.4.6高处作业和安全防护
7.4.6.1凡在坠落高度高于基准面2m及其以上,或有可能坠落的高处进行作业的都属于高处作业,高处作业人员应定期进行体格检查。
7.4.6.2高处作业的安全设施有缺陷时,应立即修复,若不能及时修复时,应悬挂警戒标号,暂停使用。
7.4.6.3施工作业场所的物件,应有可靠的防止坠落措施,否则应先行撤除。坡道坡度较陡时,攀登设施应牢固、安全、防滑。
7.4.6.4基坑周边,无外墙及外脚手的楼层周边、楼梯口及梯段周边,井架及脚手架或建筑物的通道边,垂直运输接料台边均应设置安全护栏。敞口立面应全封闭作业。
7.4.6.5板与墙的洞口,应设稳固的盖件,现场通道附近的各类洞口和坑槽边,除设安全护栏外,夜间应悬挂红灯示警。
7.4.6.6进入现场必须戴安全帽,高空作业和悬空作业应使用安全带。
7.4.6.7进入现场禁止穿高跟鞋、塑料鞋及拖鞋。
7.4.6.8非施工人员禁止进入施工现场。
7.5吊装作业安全措施
7.5.1吊装作业必须执行规定的统一信号,严格执行“十不吊”的规定。
7.5.2吊具、吊钩、钢丝绳等必须符合有关技术规定。
7.5.3高空作业的工具、垫块、螺栓、焊条等应装入工具袋,防止坠落,严禁由高空向下抛掷料具和杂物。
7.5.4主体施工时使用的塔吊,力矩限制器、超高、变幅、行走限位要灵敏,吊钩、卷扬机滚筒要有保险装置,轨道要有极限位置阻挡器,轨道要有接地、接零装置,并且道轨连接处要有跨接地线,每隔30m应加一组接地装置,轨道两端要有接地装置。
7.6施工现场消防防火措施
7.6.1现场环状布置的消防管,隔50m设一消火栓,每层留设水龙头。
7.6.2为了加强施工现场的防火工作,严格执行防火安全规定,消除不安全隐患,预防火灾事故的发生,项目部成立消防领导小组,成立义务消防队,由项目经理任队长,安质部长任副队长,并坚持“谁主管、谁负责”的精神,每月召开一次防火例会,并记录在案。
7.6.3与进入施工现场的分包单位签订“安全防火责任书”,建立义务消防队。并绘制现场消防警示图,合理配备消防器材。
7.6.4施工现场执行用火申请制度,凡因生产需要动用明火,如电焊、气焊(割)等,必须实行工程负责人审批制度办理动用明火许可证。对易引起火花的用火操作应有相应的控制措施,在用火操作结束离开现场前,要对作业面进行一次安全检查,熄火,清除火源溶渣,消除隐患。
7.6.5在各自施工的防火操作区内,根据工作性质,工作范围配备相应的灭火器材,或安装临时消防水管。生活区内应配齐灭火器材。工地工棚搭建严禁使用易燃物品搭设,以防火灾发生。
7.6.6工地上乙炔、氧气等易燃易爆气体罐分开存放,做明显标识,操作人员必须持证上岗。
7.6.7严格用电制度,各分包单位须配有专职电工和合格的配电箱。如需用电应事先与专职电工联系。严禁各分包单位擅自乱拉乱接电源,工地严禁使用电炉。
7.6.8在装饰施工现场、木料加工棚等易引起火灾的场所,严禁吸烟和使用碘钨灯照明,同时配足灭火器材,如有违反规定处以重罚。
7.6.9建立健全各种业务档案:
7.6.9.1消防组织及义务消防队人员档案;
7.6.9.2辖区内的重点防火部位档案;
7.6.9.3各种具有火险危险的工种培训、教育档案;
7.6.9.4消防安全检查意见书档案;
7.6.9.5重点火险隐患通知书档案;
7.6.9.6火灾案件统计档案;
7.6.9.7火灾事故调查处理档案;
7.6.9.8易燃、易爆危险品档案。
7.7施工现场治安保卫措施
7.7.1工地成立治安保卫机构,由综合办公室主任负责。
7.7.2配备足够力量的保安人员,昼夜值班巡视,做好工地物品的防盗工作,对现场材料、设备、车辆的进出必须进行验证,并严格控制非施工人员进出。
7.7.3施工现场的管理人员及施工人员佩戴工作卡。工作卡由总包单位制作,工作卡有本人相片、姓名、所属单位、工种或职务,管理人员和施工人员的工作卡分颜色区别。
7.7.4建立来访登记制度,进入工地须办理登记备案,批准后方可进入。
7.7.5在施工现场严禁打架斗殴,无理取闹,扰乱正常的生产、工作和生活秩序,违者严肃处理,并负责赔偿对方的一切经济损失,情节严重的将送公安机关处理。
7.7.6凡工地施工人员必须自觉遵纪守法,严禁在工地聚众赌博,偷盗公私财物,如有发现,即送公安机关处理。
7.7.7分承包方在进场时要向综合办公室明确治安责任人,签订治安管理责任书,收缴治安押金,并对所有施工人员统一登记造册,报项目所在地公安机关备案,同时办理相应的手续。
7.8突发事件应急救援措施
7.8.1突发事件应急处理流程
突发事件当事人
突发事件目击人
现场管理人员
项目经理
110、120、119
上级主管部门
组织救护
分析原因、解决问题
7.8.2突发事件的应急处理
突发事件的处理原则:以抢救、保护生命为第一重点,减少国家损失为第二步,分析问题的发生原因及处理为第三步。在突发事件发生时,现场施工管理人员可在不汇报的前提下,进行人员的抢救和向当地的救助部门、执法部门求助。
工伤救护:施工人员如发生工伤事故,由可直接护送伤员到临近的抢救医院进行救助。
治安事件:施工人员如发生打架斗殴、流血事件,应立即制止,在现场不能控制的情况下,应立即拨打110报警。
消防事故:施工现场发生火灾时,应立即切断施工电源,组织人员将危险品、易燃品转移至安全地带,同时组织人员利用现场的消防设施进行灭火。在现场不能控制的情况下,应立即拨打119报警,并安排专人引导消防车辆,同时疏通道路,保证消防车的顺利驶入。
防台防汛:在台风期间,每天安排不少于3人专项值班,发现情况及时上报,并组织力量抢救。
第八章 现场文明施工和环境保护措施
文明施工是现代化施工的一个重要标志,是施工企业一项基础性的管理工作。坚持文明施工意义重大。文明礼貌施工是施工企业管理水平的综合反映,是现代化施工本身的客观要求,是企业管理的对外窗口,文明施工有利于培养一支懂科学、善管理、讲文明的施工队伍。
环境管理是我国的一项基本国策。保护和改善施工环境能保证人们身体健康,能消除外部干扰保证施工顺利进行,是现代生产的客观要求,是国法和政府的要求,是企业行为准则。我公司根据现代施工生产的实际需要,通过了ISO14001《环境管理体系》的认证。
8.1文明施工目标
本工程文明施工目标为:确保达到上海市文明工地。
8.2文明施工保证体系
我公司的环境管理方针:给过程添绿色,让结果更精彩。
根据《全国城市卫生检查考核标准及实施细则》、建设部十五号令《建设工程现场管理暂行规定》和上海市有关环境管理规定建立健全了一套管理机构。
文明施工环境管理网络图:
项目经理
文明施工负责人
门前三包责任人
场容场貌责任人
厕所清洁责任人
8.3文明施工布置说明
8.3.1在刚进大门位置布置灯箱、宣传画、施工总平面布置图等施工图牌。
8.3.2根据要求,生活区设置在场外业主指定场地内。
8.3.3项目办公区、加工区、生活区,员工宿舍采用军事化管理,保证居住区域的整洁、美观。
8.3.4施工场地内的电缆部分采用埋地方式,电缆设置电缆沟,此范围内大批量的主电缆将沿临时电缆沟通行,拆除上部现有的电线杆等影响观感和施工的设施。
8.3.5施工现场将设置临时厕所,位置见施工总平面布置图,厕所采用砖砌水冲式,并于厕所后设置化粪池并将其密闭,然后方可排入市政污水管网;临时办公室区域与彩板房内设置水冲式厕所。
8.3.6施工现场内的供水管采用埋地方式敷设,避免行人踩踏和影响现场文明施工的布置环境。
8.3.7钢筋场布置:钢筋场张拉线采用大型冷拉机,钢管护栏,钢管刷兰白油漆;钢筋加工棚采用角钢支架,顶棚采用彩钢板;成品和半成品分别设置摆放区并悬挂明显标识;钢筋废料放置于专门隔离的废料堆内,每天进行一次清场。
8.3.8木工加工场布置:加工场内木作区必须与模板摆放区进行适当隔离,加工场内的废料必须及时清理干净;成品和半成品悬挂明显标识;模板成品和半成品必须堆放整齐;木工棚搭设方法同钢筋棚。
8.3.9临时道路:临时道路采用15cm混凝土进行硬化,道路与施工区域采用钢管搭设护栏进行隔离,护栏刷红白相间的油漆,并悬挂明显的警示标记,护栏高度80cm,临时道路两侧设置排水沟。
8.3.12排水沟:排水沟一律采用砖砌,排水沟接入市政雨水管网前必须经过沉淀处理,排水沟必须设置专人进行定期清理;排水沟设置必须环绕建筑物一周,保证场地内的雨水和抽取的地下水能够及时排放;任何人未经过批准不得随意截断排水沟,必须报经有关部门批准并具有妥善的替代处理方案。
8.3.13脚手架:本工程主体施工阶段采用全封闭双排脚手架封闭,脚手架必须搭设整齐美观;安全网悬挂整齐,颜色统一;脚手架基底采用混凝土硬化并随时清理干净;上人坡道的搭设符合规范要求,并上下整齐。
8.3.14现场材料摆放:现场材料必须摆放于指定地点,并堆码整齐,如有变化必须另行申报审批;堆放区域与施工场地采用钢管护栏进行隔离;材料使用完成后必须及时归位,如有覆盖必须整齐。
8.3.15地下室基坑:地下室基坑周围必须采用钢管围栏进行隔离,护栏上刷红白相间的油漆,并设置挡脚杆。
8.3.16施工通道:施工通道的搭设必须规范,安全网和竹笆必须铺盖整齐美观,入门处悬挂明显的警示标识;通道三面均必须用夹板和彩条布整齐封闭。安全通道人流走向标注清晰;通道两侧设置300mm宽的绿化带,每隔50m绿化带断开处设置一把长椅,供就医人员临时休息。具体详见施工现场安全通道平面图及节点详图。
8.3.17机械设备:未使用的小型机械设备必须归整入库房,露天摆放的机械设备必须按照指定地点整齐摆放,并进行妥善的覆盖;现场使用的机械设备必须经过防锈处理,保持设备表面干净不脏乱。
8.3.18各大门口均设置洗车台,并保证洗车台下排水沟的通畅,洗车台前放置麻袋片铺路,进出现场的车辆必须经过车洗并压过麻袋片后方可离开工地。
8.3.19现场绿化:办公区门前、大门左右两侧设置适当的绿化以对现场进行适当的装点。
8.3.20施工现场有关部位必须悬挂材料标识牌、各种警示或导向牌。
企业名称
项目名称
项目部名称
企业标志
8.4场容场貌保证措施
8.4.1做好现场施工平面布置的管理
三类设施严格按平面布置图进行搭建,并做好消防工作。施工现场各种周转材料、成品、半成品,严格按平面布置图堆放,整齐美观,循序取用,保证场区道路畅通。
8.4.2施工场地围护
场地采用全封闭施工,主出入口侧设置施工标志牌,安全管理制度牌,文明施工管理牌等。
8.4.3施工现场食堂等卫生管理
施工现场分区设卫生负责人,派专人进行管理。设垃圾存放点,日产日清。食堂管理:工地设一个食堂,在申领卫生许可证后方可使用,并符合卫生标准,生、熟食操作分开,24小时留样。熟食操作时有防蝇间和防蝇罩。禁止使用非食用塑料制品作熟食容器,炊事员和茶水工持有效的健康证上岗。食堂设600mm高的挡鼠板。施工现场供应开水、饮水器具要卫生。夏季施工有防暑降温措施。
8.5文明施工管理措施
8.5.1文明施工管理机构
根据本工程施工单位多,施工立体交叉多的实际情况,为从根本上解决本工程的安全文明施工问题,施工现场必须成立文明施工领导小组,负责进行本工程的安全文明施工管理工作。
文明施工领导小组组织机构
8.5.2文明施工组职责
负责纠正现场的一切违反文明施工的行为;组织文明施工检查工作;编写文明施工周报;对违反文明施工的行为进行处罚;对进场各分包队和专业分包队进行文明施工教育;负责就文明施工的有关事宜与有关方面进行沟通;制定文明施工规范并负责实施;建立文明施工在责任制;建立文明施工责任体系;认真贯彻落实国家、地方政府有关文明施工的管理规定;处理其它文明施工的有关工作。
环境保护职能图
图11-10
文明施工组长
项目总管
环境保护组长
栋号工长
安全工程师
栋号工程师
后勤管理人员
治安组长
分包队负责人
后勤管理人员
专业工程师
8.5.3环境保护组职责
负责制止、纠正现场违反环境保护的行为;组织进行环境保护检查工作;编写环境保护周报;对违反环境保护的施工行为进行处罚;对进场各分包队和专业分包进行环境保护的教育;制定有关环境保护的规定并负责实施;建立环境保护责任制并落实;建立环境保护责任体系;负责就环境保护的有关事宜与市容、环保部门、居委会等有关单位进行沟通联络;认真贯彻落实有关国家、上海市有关环境保护的法律、法规和各项管理规定;处理其它有关环境保护的事宜。
8.5.4施工现场卫生管理
1)明确施工现场各区域的卫生负责人,并明确其职责和奖罚标准;在各工作区域悬挂责任制牌。
2)检查食堂的卫生状况,食堂必须具有卫生许可证,操作人员必须具有有效的健康证;饭菜符合卫生标准并留有取样;生、熟食操作应分开;熟食操作时应具有防蝇间或防蝇罩;禁止使用非食用塑料制品作熟食容器;食堂必须干净整洁;食堂内必须配置冰箱、消毒柜等设施。
3)现场卫生间有不间断的水源供应;同时设简易化粪池或集粪池,加盖并定期喷药,每日上下两班有专人负责清洁。
4)进行垃圾分类管理,设置足够的垃圾池和垃圾桶,员工使用的一次性餐盒等必须分类置入垃圾桶内;定期搞好环境卫生、清理垃圾,施药除“四害”;及时请环卫部门对场内的垃圾进行清运。
5)建筑垃圾必须集中堆放并及时清运,做到工完料尽场清;施工工区内每天及每完成一道工序都必须清扫施工现场。
6)工地设置茶水亭和茶水桶,做到有盖加锁和有标志;夏季施工应有防暑降温措施。
7)现场组织18人左右的场容清洁队,专门负责场内外、站台等区域的清洁卫生工作,分片管理责任到人,确保场外道路的清洁。
8)土方、材料运输等外运车辆离场前必须经过洗车台冲洗干净,运土车采用新型全封闭运输车。
8.5.5文明施工行为管理
1)教育施工人员行为举止文明礼貌,不得喧嚣施工。
2)施工人员不得出言不逊,不得发生争执。
3)施工人员不得发生打架斗殴事件。
4)为维护园区的文明环境,教育广大施工人员不得乱仍果皮纸屑,不得随地吐痰,并由我单位组成的监察队随时进行检察,如有发现将按规定进行处罚。
5)教育广大施工人员必须遵守园区的有关管理规定。
6)员工必须认真带好安全帽,员工识别卡,进站施工还必须带好进站识别证,备好各种防护用品。
7)施工现场设立专门的吸烟区,非吸烟区严禁吸烟。
8)进入施工现场的所有人员,必须穿着我单位制作的工作服,不穿工作服者不得进入现场施工。
8.5.6办公室文明办公管理
1)办公室必须每天随时进行清扫,保证良好的卫生环境。
2)办公室必须随时整齐有序,保持有序规范的办公秩序。
3)办公室内着装规范、整洁,个人使用物品摆放有序。
4)办公设备、墙面、玻璃必须干净整洁。
5)说话文明礼貌,热情为其它施工单位和合作单位解决施工重遇到的问题,举止行为规范。
8.5.7开展创建“文明三区”活动
1)活动内容
文明施工区:即以工程质量、安全防护、临时用电、机械安全、保卫消防、料具管理、环保卫生和现场管理、宣传布置、宣传思想工作等为主要内容。做到现场布局合理、气氛热烈、作业有序、防护规范、环境优美、方便群众、无强噪音,并协调好与场区周围军、警、民关系。争创文明工地。
文明办公区:即以爱岗敬业、忠于职守,优质服务、主动协调,深入基层、调查研究,坚持原则、秉公办事,举止文明、讲究卫生等为主要内容,创造良好的办公环境,建设一支高素质的工作人员队伍。
文明职工生活区:即以组织健全、严格管理、制度完善、遵纪守法、爱护公物,场院美观平整、宿舍清洁卫生,饮食卫生等为重点,教育广大职工自觉遵守各种法规和企业规章制度,不断规范职工的行为,增强大局意识和文明素质。
2)活动的基本条件
文明施工区:场容场貌、形象鲜明,安全防护、全面达标,临电设施、措施有效,机械设备、规范安全,消防保护、万无一失,料具管理、分类科学,环境整洁、防尘防噪,保护植被、爱护动物,工程质量、一次成优,宣传有力、服务中心。
文明办公区:职责明确、作风严谨、规范高效,深入实际、调查研究、服务基层,遵纪守法、廉洁自律、公正公道,踏实勤奋、待人真诚、团结协作,举止文明、衣着大方、品行端正,环境优美、窗明地净、置物有序。
文明职工生活区:责任清楚、岗位明确,制度完善、管理严格,院容环境、绿化美化,宿舍整洁、空气清新,食堂卫生、消毒防腐,厕所清洁、无味无虫,设施完备、活动经常,钻研技术、视企如家,遵纪守法、文明礼貌。
3)创建文明三区的检查与考核
此项工作做为项目部各业务部门的一项日常工作,对施工作业队及厂之间每月进行一次检查评比。检查结果同各施工作业队内管理人员的奖金挂钩,实行有奖有罚的政策,调动全体员工争先敢优的积极性。
4)文明三区检查评分标准表
“文明施工区”标准及考核办法
(质量管理部分)
施工队: 负责人: 年 月 日
| 序号 | 检 查 项 目 | 标准分值 | 评 定
分 值 |
检查
情况 |
|
| 质
量 管 理 |
1 | 质量保证体系完整、符合规定 | |||
| 2 | 质量管理制度健全落实 | ||||
| 3 | 施组方案、目标设计合理、手续健全 | ||||
| 4 | 质量评定资料齐全、符合要求 | ||||
| 5 | 混凝土搅拌站设备齐全、有效,原材料计量准确,配合比符合要求 | ||||
| 6 | 勘察技术、质量资料符合要求 | ||||
| 工程质量 | 按照国家、部、设计、上海市工程质量检验评定标准进行检查评比,必须达到合格标准 | ||||
| 否决条件 | 1、发生工程质量事故,质量按0分计,取消评选资格。
2、工程质量不合格,取消评选资格 |
||||
| 应得分: 实得分: 得分率: 折合标准分值: | |||||
责任人: 检查员签字:
“文明施工区”标准及考核办法
(安全防护部分)
施工队: 负责人: 年 月 日
| 序号 | 检 查 项 目 | 检查情况 | 标准分值 | 评定分值 | |
| 1 | 现场管理 | 土方工程安全防护符合标准 | |||
| 2 | 脚手架支搭符合标准 | ||||
| 3 | 脚手架作业面安全防护齐全有效 | ||||
| 4 | 安全网支搭符合标准 | ||||
| 5 | 防护棚、架设置合理,符合要求 | ||||
| 6 | 照明架支护符合标准 | ||||
| 7 | 材料、设备放置安全合理 | ||||
| 8 | 施工现场无违章作业 | ||||
| 9 | 资料 | 安全措施方案符合实际并能贯彻实施 | |||
| 10 | 高大异形架子有设计审批、验收手续 | ||||
| 11 | 安全技术交底资料齐全 | ||||
| 12 | 安全检查资料齐全 | ||||
| 13 | 职工应知考核 | ||||
| 应得分: 实得分: 得分率: 折合标准分值: | |||||
责任人: 检查员签字:
“文明施工区”标准及考核办法
(临时用电安全部分)
施工队: 负责人: 年 月 日
| 序号 | 检 查 项 目 | 检查情况 | 标准分值 | 评定分值 | |
| 1 | 线路照明 | 施工区、生活区架设配电线路应符合有关规范 | |||
| 2 | 施工区、生活区按规范装设照明设备 | ||||
| 3 | 照明灯具和低压变压器的安装使用符合规定 | ||||
| 4 | 特殊部位的内外电线路按规范采取安全防护 | ||||
| 5 | 配电箱 | 施工区实行分级配电,配电箱、开关箱位置合理 | |||
| 6 | 配电箱、开关箱安装和内部设置符合规定 | ||||
| 7 | 箱内电器完好,选型定值合理,标明用途 | ||||
| 8 | 箱体牢固、防雨、内无杂物,整洁、编号,停用后断电加锁 | ||||
| 9 | 保护 | 配电系统按规范采用接零或接地保护系统 | |||
| 10 | 电力施工机具做可靠接零或接地 | ||||
| 11 | 现场的高大设施按规范要求装设避雷装置 | ||||
| 12 | 配电箱、开关箱设两极漏电保护,选型符合规定 | ||||
| 13 | 值班电工个人防护用品穿戴齐全,持证上岗 | ||||
| 14 | 机具 | 施工机具电源入线压接牢固整齐,无乱拉、扯、压、砸现象 | |||
| 15 | 手持电动工具绝缘完好,电源线无接头破损 | ||||
| 16 | 电焊机及一二次线防护齐全,焊把线双线到位,无破损 | ||||
| 17 | 资料 | 临时用电有设计书(方案)和管理制度 | |||
| 18 | 配电系统有线路走向,配电箱分布及接线图 | ||||
| 19 | 电工值班室有值班、设备检测、验收、维修记录 | ||||
| 20 | 职工应知考核 | ||||
| 21 | 发电机有专人管理并有记录 | ||||
| 应得分: 实得分: 得分率: 折合标准值: | |||||
责任人: 检查员签字:
“文明施工区”标准及考核办法
(机械安全部分)
施工队: 负责人: 年 月 日
| 序
号 |
检 查 项 目 | 检查
情况 |
标准
分值 |
评定
分值 |
|
| 1 | 现场状况 | 运输车辆保持良好的运转状态无带病车 | |||
| 2 | 信号指挥人员有明显标志,不能兼作其它工作 | ||||
| 3 | 起重机械运行中按规定保持安全距离 | ||||
| 4 | 中小型机械的使用应符合规定 | ||||
| 5 | 搅拌机设置及安装应符合规定 | ||||
| 6 | 卷扬机的地锚及设置符合规定 | ||||
| 7 | 机械设备传动外露部分要有防护装置 | ||||
| 8 | 机械设备维护保养符合规定 | ||||
| 9 | 机械设备电气控制箱齐全有效 | ||||
| 10 | 吊索具应按规定使用 | ||||
| 11 | 资料 | 汽车运输派车记录 | |||
| 12 | 机械工作记录 | ||||
| 13 | 操作人员持证上岗 | ||||
| 14 | 职工应知考核 | ||||
| 应得分: 实得分: 得分率: 折合标准值: | |||||
责任人: 检查员签字:
“文明施工区”标准及考核办法
(保卫、消防管理部分)
施工队: 负责人: 年 月 日
| 序
号 |
检 查 项 目 | 检查
情况 |
标准
分值 |
评定
分值 |
|
| 1 | 现场状况 | 现场重要出入口应设警卫室,昼夜有值班人和记录 | |||
| 2 | 施工区域内外消防道路和信道畅通 | ||||
| 3 | 现场有明显的防火标志 | ||||
| 4 | 消防设施、工具、器材符合规定 | ||||
| 5 | 现场临时建筑符合防火规定 | ||||
| 6 | 仓库内易燃性油料和料具不能混放 | ||||
| 7 | 剧毒、易燃物应有严格的领退手续 | ||||
| 8 | 氧气瓶、乙炔瓶(罐)使用符合规定 | ||||
| 9 | 资料 | 材料、机具和成品保卫措施健全有效 | |||
| 10 | 施工现场未经批准,不准使用电热器具 | ||||
| 11 | 电、气焊工必须持证上岗 | ||||
| 12 | 保卫消防设施的布置要符合平面图 | ||||
| 13 | 施工现场有保卫消防制度、方案和预案 | ||||
| 14 | 有保卫消防负责人和组织 | ||||
| 15 | 保卫消防检查要有启示和整改措施 | ||||
| 16 | 职工应知考核 | ||||
| 应得分: 实得分: 得分率: 折合标准分值: | |||||
责任人: 检查员签字:
“文明施工区”标准及考核办法
(现场管理部分)
施工队: 负责人: 年 月 日
| 序
号 |
检 查 项 目 | 检查
情况 |
标准
分值 |
评定
分值 |
|
| 1 | 现场状况 | 施工现场大门和围挡牢固整齐,符合要求 | |||
| 2 | 临设工程牢固整齐,材质符合要求 | ||||
| 3 | 工地主要出入口有施工单位标牌 | ||||
| 4 | 大门内有一图五板 | ||||
| 5 | 现场运输道路平整、畅通,有排水措施 | ||||
| 6 | 料具和构件码放整齐,符合要求 | ||||
| 7 | 施工现场内无随地大小便痕迹 | ||||
| 8 | 建筑物内外零散碎料和垃圾渣土清理及时 | ||||
| 9 | 成品保护措施健全有效 | ||||
| 10 | 责任区分片包干,个人岗位责任制健全 | ||||
| 11 | 施组编制、审批手续齐全,内容科学合理 | ||||
| 12 | 资料 | 施组变更手续齐全,有原审批人签字 | |||
| 13 | 流水段、工序流程,设备配置符合施组 | ||||
| 14 | 季节性施工方案和措施齐全,针对性强,切实可行 | ||||
| 15 | 施工平面布置图符合规定,现场状况与图相符 | ||||
| 16 | 职工应知考核 | ||||
| 应得分: 实得分: 得分率: 折合标准值: | |||||
责任人: 检查员签字:
“文明施工区”标准及考核办法
(料具管理部分)
施工队: 负责人: 年 月 日
| 序
号 |
检 查 项 目 | 检查情况 | 标准分值 | 评定
分值 |
|
| 1 | 现场状况 | 现场外堆放要有批准手续并码放整齐,不妨碍交通 | |||
| 2 | 施工场地内外存放各种料具要分规格码放整齐,符合要求 | ||||
| 3 | 材料保管要有防雨、防潮、防损害措施 | ||||
| 4 | 贵重物品要及时入库 | ||||
| 5 | 水泥库内外散落灰必须及时清运 | ||||
| 6 | 现场和搅拌机四周无废弃砂浆和混凝土 | ||||
| 7 | 砖成丁、砂石和散料成堆,随用随清,不留料底 | ||||
| 8 | 钢材、木材等料具合理使用,优材不劣用 | ||||
| 9 | 工人操作能做到活完料净脚下清 | ||||
| 10 | 施工垃圾集中存放,及时分拣,回收清运 | ||||
| 11 | 现场余料、包装容器回收及时,堆放整齐 | ||||
| 12 | 现场无长流水、无长明灯 | ||||
| 13 | 资料 | 施工组织设计有技术节约措施并能实施 | |||
| 14 | 材料管理严格,进出场手续齐全 | ||||
| 15 | 实行限额领料,领退手续齐全 | ||||
| 16 | 职工应知考核 | ||||
| 应得分: 实得分: 得分率: 折合标准分值: | |||||
责任人: 检查员签字:
“文明施工区”标准及考核办法
(环境保护管理部分)
施工队: 负责人: 年 月 日
| 序
号 |
检 查 项 目 | 检查情况 | 标准分值 | 评定分值 | |
| 1 | 防大气污染 | 施工应搭设封闭式垃圾池或采用容器运输 | |||
| 2 | 应有防扬尘措施 | ||||
| 3 | 搅拌机应按规定安装除尘装置 | ||||
| 4 | 茶炉、大灶整治 | ||||
| 5 | 冬施锅炉整治 | ||||
| 6 | 防水污染 | 烟尘黑度监控 | |||
| 7 | 搅拌机前台及运输车冲洗应设沉淀池 | ||||
| 8 | 乙炔污水应经沉淀池沉淀后外排 | ||||
| 9 | 食堂污水按规定设隔油池,除油后外排 | ||||
| 10 | 材料库应有防渗漏措施 | ||||
| 11 | 防噪声污染 | 强噪声机械设备有降噪措施 | |||
| 12 | 人为活动噪声应有控制措施 | ||||
| 13 | 资料 | 施工组织设计中要有针对性环保措施 | |||
| 14 | 环保工作自我保障体系有检查记录 | ||||
| 18 | 职工应知考核 | ||||
| 应得分: 实得分: 得分率: 折合标准分值: | |||||
责任人: 检查员签字:
“文明施工区”标准及考核办法
(现场宣传部分)
施工队: 负责人: 年 月 日
| 序
号 |
检 查 项 目 | 检查
情况 |
标准
分值 |
评定
分值 |
|
| 1 | 宣传教育 | 现场政工组织机构健全 | |||
| 2 | 宣传教育工作落实,教育面不低于95% | ||||
| 3 | 任务动员、思想发动、总结表彰工作扎实 | ||||
| 4 | “三工”教育落实 | ||||
| 5 | 现场布置 | 标志、标语牌规范醒目 | |||
| 6 | 黑板报、宣传栏、竞赛台、阅报栏内容适时 | ||||
| 7 | 宣传报导 | 宣传报导网络健全,工作开展有力 | |||
| 8 | 刊稿数量符合规定要求 | ||||
| 9 | 宣传工作制度 | 宣传工作制度,宣传思想工作制度规定健全 | |||
| 10 | 现场思想政治工作及时、扎实、有效 | ||||
| 11 | 宣传工作资料、台帐齐全 | ||||
| 12 | 团结协调 | 团结协调,单位内部、甲方、监理之间关系协调,及时与总指挥部系 | |||
| 13 | 同场区周围军、警、民、友邻施工单位关系协调 | ||||
| 应得分: 实得分: 得分率: 折合标准分值: | |||||
责任人: 检查员签字:
“文明办公区”标准及考核办法
施工队: 负责人: 年 月 日
| 考核
项目 |
序号 | 考核标准 | 定分 | 得
分 |
扣分
原因 |
| 组织领导坚强有力 | 1 | 党政领导齐抓共管,建立健全组织机构 | |||
| 2 | 健全各项管理规章制度、职业道德规范和检查考核实施办法 | ||||
| 3 | 检查考核实施得力,有专人负责,有检查记录,整改办法 | ||||
| 4 | 组织开展文明部室、文明班组、文明职工等层层创建活动 | ||||
| 业务工作成绩突出 | 5 | 办事周全、办会圆满、办文规范、高效迅速,不拖不延 | |||
| 6 | 坚持深入基层、调查研究、工作求实求效、力戒形式主义 | ||||
| 7 | 坚持原则、秉公办事、不循私情 | ||||
| 8 | 遇事不推诿,不扯皮,团结协作好 | ||||
| 举止文雅仪表端正 | 9 | 言谈文明,不说脏话 | |||
| 10 | 品行端正,相互礼让 | ||||
| 11 | 衣着整洁,端庄大方 | ||||
| 12 | 不循不傲,以诚待人 | ||||
| 13 | 院内有花、整洁卫生,无痰迹,灭蚊蝇,达标 | ||||
| 14 | 楼内整洁隆重,无痰迹,无杂物堆放 | ||||
| 15 | 墙壁无涂抹刻画、污迹烂痕 | ||||
| 16 | 室内办公设备布局合理,干净整洁,空气新鲜;桌椅门窗明亮无尘;书刊报纸资料放置整齐 | ||||
| 遵章守规秩序井然 | 17 | 遵守各项有关管理规定和制度,爱护办公设备等公共财物 | |||
| 18 | 洁身端行,无嫖娼赌博,看黄传黄、酗酒、打架斗殴现场 | ||||
| 19 | 胸襟大度,光明磊落,不乱议论人非,不传谣不信谣 | ||||
| 20 | 不串岗聊天,不妨碍他人正常工作学习 | ||||
| 21 | 按时作息,不迟到,不早退 | ||||
| 22 | 大公无私,工作时间不办私事 | ||||
| 23 | 防火防盗,特殊部位做到防水防潮、防蚀防霉 | ||||
| 累计分数 | |||||
责任人: 检查员签字:
“文明职工生活区”标准及考核办法
施工队: 负责人: 年 月 日
| 序
号 |
检 查 项 目 | 检查
情况 |
标准
分值 |
评定
分值 |
|
| 1 | 现场 | 施工现场整齐清洁,无积水 | |||
| 2 | 车辆不带泥沙出现场 | ||||
| 3 | 生活区 | 生活区办公室内清洁整齐,窗明地净 | |||
| 4 | 宿舍、更衣室要清洁,床铺上下整齐卫生 | ||||
| 5 | 生活区周围不随意泼污水、倒污物 | ||||
| 6 | 生活垃圾按指定地点集中,及时清理 | ||||
| 7 | 冬季取暖炉设施齐全,有验收合格证 | ||||
| 8 | 伙房食堂 | 伙房内外整齐卫生,炊具干净,无腐烂变质食品 | |||
| 9 | 伙房要有食品卫生许可证 | ||||
| 10 | 炊事人员要有身体健康证 | ||||
| 11 | 炊事人员上岗必须穿戴工作服帽,保持个人卫生 | ||||
| 12 | 操作间仓库食堂清洁卫生,无蝇无鼠无蛛网 | ||||
| 13 | 加工、保管生熟食品要分开,食品有遮盖 | ||||
| 14 | 职工饮水要卫生 | ||||
| 15 | 厕所 | 厕所屋顶墙壁严密、门窗齐全有效 | |||
| 16 | 现场厕所按规定采用冲水或加盖措施 | ||||
| 17 | 厕所有专人清扫保洁,有灭蝇、蛆措施 | ||||
| 18 | 管理数据 | 工地有卫生管理制度 | |||
| 19 | 卫生责任区划分明确 | ||||
| 20 | 工地有卫生检查记录 | ||||
| 21 | 保卫 | 门卫护场,生活区有警卫传达室,有专人昼夜值班,对晚十一时出入人员能登记备案 | |||
| 22 | 娱乐 | 生活区必须配备电视机、图书室和文体活动用具;有文体活动安排 | |||
| 23 | 职工应知考核 | ||||
| 应得分: 实得分: 得分率: 折合标准分值: | |||||
责任人: 检查员签字:
8.6环境保护方案及措施
8.6.1粉尘控制措施
1)由于其它原因而未做到硬化的部位,定期压实地面和洒水,减少灰尘对周围环境的污染。
2)禁止在施工现场焚烧有毒、有害和有恶臭气味的物质。
3)装卸有粉尘的材料时,应根据不同情况洒水湿润或在仓库内进行。
4)严禁向建筑物外抛掷垃圾,所有垃圾装袋或装桶投入指定地点并及时运走。
5)运输车辆必须冲洗干净后方能离场上路行驶;驶离现场前必须对车厢进行检查防止裸露现象;在装运建筑材料、土石方、建筑垃圾及工程渣土的车辆,派专人负责清扫道路及冲洗,保证行驶途中不污染道路和环境。
6)施工场地内固定专人进行道路、楼层的清洁工作,并进行严格检查;严格执行工完料尽场地清的原则。
8.6.2噪音控制措施
1)每一项施工方案的编制中都必须详细考虑所采用的施工方法或施工工艺,尽可能采用低噪音的工艺和施工方法,施工方案实施前必须经过环境保护小组的审核。
2)建筑施工作业的噪音可能超过建筑施工现场的噪音限值时,我公司在开工前向建设行政主管部门和环保部门申报,并采取相应处理措施,同周围居民组织协调,核准后方能施工。
3)合理安排施工工序,禁止夜间进行产生噪音的建筑施工作业(晚上10时至第二天早上6时)。因施工不能中断的技术原因和其它特殊情况,确需夜间连续施工作业的,我公司将向建设行政主管部门和环保部门申请,取得相应的施工许可证后方可施工;施工中需要合理组织,尽可能将产生噪音的工作安排在白天进行。
4)进入施工现场内的车辆、所有场内施工用机械设备不允许鸣笛;地面和高层的联系采用对讲机;工人施工时禁止大喊大叫。
5)施工场地外围进行噪音监测,对于一些产生噪音的施工机械,采取有效全封闭措施,减少噪音,如切割金属和锯模板的场地均搭设工棚、设置隔音屏以屏蔽噪音。
6)施工中模板的支设和拆除必须轻拿轻放,严禁硬敲重砸或高空抛掷,防止过大噪音的出现。
8.6.3光污染控制措施
1)电焊、金属切割产生的弧光必须采用围板与周围环境进行隔离,防止弧光满天散发。
2)现场围墙上布设的灯具原则上不得超过围墙高度;塔吊及周围场地照明的大镝灯必须调整照射方向向场内,不得直接照射到居民住宅区,施工场地外围的照明采用柔光灯,不可采用强光灯具。
3)原则上现场施工时间定到十二点,晚十二点以后关闭大镝灯,施工现场开启柔光灯进行现场照明、保护;如必须晚上加班工作的,则必须将不使用的大镝灯关闭。
8.6.4排污控制措施
1)施工现场厕所污水在进入污水管网前必须经过化粪处理并定期撒适当的防疫药物后方可排入市政管道;厕所、化粪池应具有防漏措施,防止污染水源。
2)施工现场严格禁止随地大小便的情况发生,工地设临时厕所一处,并设置专人每天两班进行清理。
3)现场冲洗机械设备必须在指定地点进行,避免冲洗的废油四处扩散,冲洗完成后必须将冲洗的废油进行收集;机械修理等地方必须于地面上采取木板等进行适当的铺垫,防止污染地面。
4)施工现场必须保持雨水排水的畅通,防止现场局部地方产生积水现象。
8.6.5现场防污染控制措施
1)本工程采用木模板,模板加工必须在加工棚内进行,工作前事先做好模板配板图,避免在施工现场进行加工,产生碎屑等废料污染场地;使用的模板严禁使用油性脱模剂。
2)现场使用的油料必须设置专人进行保管,防止产生油料扩散现象;现场摆放的易扩散油料或施工用料必须进行密闭储存,防止扩散。
3)现场使用的易漂浮材料必须装袋进行储存,防止扩散。
4)现场垃圾实行分类管理,设置足够的垃圾池和垃圾桶,建筑垃圾集中堆放并及时清运。
5)现场禁止焚烧油毡、橡胶等会产生有毒、有害烟尘和恶臭气体的物质。
6)禁止有毒有害物体用于回填工地,防止对水源产生污染。
7)化学物品,外加剂等要妥善保管,库内存放,防止污染环境。
8.6.6现场防病防疫控制措施
1)现场设置卫生设施有水源供冲洗,化粪池加盖并定期喷药,每日有专人负责清洁。
2)工地设茶水亭和茶水桶,做到有盖、加锁和有标志。
3)现场严格控制污水的积存,由文明施工人员及时清理。
4)保持员工住宿区的整洁、通风,及时对有传染病的人员进行隔离或送医院检查。
5)对供应工地餐饮的食堂进行专项控制,严格执行留样制度,检查饭菜质量和食堂卫生、餐具卫生,落实相关的卫生制度,定期消毒。
6)现场设保健箱,备用急救包和常用药品。
第九章 工期保证措施
根据本工程施工的要求,在保证质量和安全的基础上,确保施工进度,以总进度为依据,按照不同的施工阶段、不同的专业工程将工程的施工进度分解为不同的进度分目标,同时配以各项管理、技术措施为保证手段,进行施工全过程的工期动态控制。
9.1工程工期目标
本工程施工总工期509日历天,见施工总进度计划。
各阶段里程碑工期目标:
| 序号 | 项 目 | 节点时间 | 备注 |
| 1 | 主体结构封顶 | 2009.3.6 | 270天 |
| 2 | 竣工 | 2009.10.31 | 509天 |
9.2确保工期措施
9.2.1强有力的组织机构
9.2.1.1 组建“XXXXX花园项目经理部”,下设6部1室(技术部、安质部、合约部、机械物资部、施工部、财务部、综合办公室),实行项目法施工。
9.2.1.2派具有国家一级项目经理资质的工程师任项目经理和具有类似施工经验的管理人员等进驻现场组织施工。
9.2.1.3建立健全项目信息管理系统,明确信息管理职责及流向,确保信息渠道的畅通及时,使现场施工生产各方面的信息始终处于监控状态。
9.2.2合理组织、流水作业:
9.2.2.1 本工程根据设计图纸、现场的实际情况,两塔楼分两个施工作业区。
9.2.2.2施工中各个作业区依次组织钢筋、模板、砼作业组,按流水段划分进行流水作业。
9.2.2.3主楼进入标准层配制三层配套模板及支撑,用于主楼流水施工,确保不间断流水施工以及模板的及时维修保养。
9.2.3 充足的劳动力及总包协调能力:安排施工队伍,进入现场两班昼夜施工(办理夜间施工许可证),做到只要有工作面,有工作量,就有作业工人在施工;并选择与我方有良好合作关系、质量可靠的合格劳务分包队伍,加强对施工队伍的管理,每天的调度会施工队伍负责人必须参加,听取对施工进度的安排,及时调整施工进度,保证总工期的实现。
9.2.4超前的施工技术准备工作:
9.2.4.1 认真进行图纸审核,编制分项分部施工技术方案,特殊工序的作业指导书,超前预想,超前准备,提前编制各类材料计划,确保工程按计划进行。
9.2.4.2加强质量通病的预防,根据我方施工高层住宅经验,对易出现质量问题的部位,提前制定预防措施,减少返工。
9.2.4.3 针对本工程特点,编制雨季施工措施,做到防患于未然,上海地区雨水较多,对工期影响较大,为确保施工进度不致延误,要采取切实可行的技术措施,以消除不利因素的影响。
9.2.5 加强工程进度的计划性:
9.2.9.1 施工期间,建立进度控制的组织系统,按施工项目的结构、进展阶段进行目标分解,确定其进度目标,编制月、旬作业计划,做到日保旬,旬保月,并做好施工进度记录。
9.2.9.2 加强施工中进度检查力度,将实际进度与计划进度对比,及时调整。建立现场会、协调会制度,每周召开一次现场会,每天召开生产调度协调会,加强信息反馈,及时调整进度计划。
9.2.9.3将把XXXXX花园项目列入我单位重点工程,重点管理,上级将密切关注工程进度情况,及时掌握工程的施工动态,必要时,从其他施工地区调集人力、物力、财力以确保本工程如期顺利竣工。
9.2.6 材料、设备订货超前准备:材料、设备加工定货超前准备。根据总包施工进度的安排,配合业主,考虑生产厂家设计、加工的时间,提前做好配合工作。
9.2.7采用“四新”技术,保证工程进度:
9.2.7.1 积极采用新技术,新工艺,新材料,并充分利用我单位现有的先进技术和成熟的工艺保证质量,提高工效,保证进度,降低成本。
9.2.7.2 本工程的砼采用商品砼,用砼汽车泵及输送泵输送浇筑。加快施工进度,缩短工期。
9.2.8 加强土建、安装的配合工作:
9.2.8.1 装修、水电设备工程采取提前插入,交叉作业等综合措施,尽可能减少其实际占用工期天数。
9.2.8.2 加强安装与土建配合工作,互相协调,配合默契,安装工程要随时了解、掌握土建的施工进度,使预埋、预留以及安装项目得以及时完成,减少返工,加快施工进度。
9.2.9合理安排机械设备的使用:
施工过程中,各种机械设备充分合理利用,人停机械不停,机械操作人员两班倒,尽最大程度满足施工进度的需要。
9.2.10 加强成品保护工作:
9.2.10.1 做好成品保护措施,减少返工、返修浪费,加快施工进度。
9.2.10.2对全体员工加强教育,使之晓之以理,在施工过程中做到自觉自律。在每天的调度会由项目经理或项目总工对各班组负责人进行教育,班前会,要求班长要强调员工的成品保护意识,提高员工的职业道德和职业素养。
9.2.10.3建立一套严格的管理体系和管理制度,做到每个成品都有人负责。
9.2.10.4各工种间相互做到互不破坏互不污染,确有相互干扰和更改的要征求总工程师和项目经理同意,拿出具体的方案。各工种进行施工前要进行现场交接,后施工的工种和工序,不得破坏上道工序的和其他工种的成品,并把责任落实到班长。
9.2.10.5加强总包方与分包方之间的联系,有相互扯皮和相互干扰,相互影响及要破坏成品的,要报告总承包,由总承包出面协调相互关系,把损失减少到最低限度。
9.2.10.6具体施工时,据实际情况,再编制详细分部分项成品保护措施。减少返工时间,加快施工进度。
9.3工程进度控制管理措施
对工程进度的控制分为事前、事中、事后控制三个方面。
9.3.1施工进度事前控制
编制本工程施工总进度计划,同时以总工期为依据,编制工程进度分阶段实施计划,包括施工准备计划、劳动力进场计划、施工材料、设备、机具进场计划、分包单位进场计划等。对关键过程或特殊过程编制相应的施工进度计划,制定相应的节点,编制节点控制计划。编制施工节点实施细则,明确搭接和流水的节拍。
9.3.2施工进度事中控制
审核施工(各供货、配合等)单位进度计划、季度计划、月计划,并监督施工单位按照已制定的施工进度计划进行实施。每周定期与指定分包单位召开一次现场会,协调生产过程中发生的矛盾和存在的问题,按总承包每周施工进度要求检查完成情况,并落实下周施工生产进度。在施工高峰时,每日施工结束前,召开一次协调会,协商解决当天生产过程中和第二天生产中将会发生的问题。根据施工现场实际情况,及时修改和调整施工进度,并定期向业主、监理和设计单位通报工程施工进展情况。
9.3.3施工进度事后控制
根据施工进度计划,及时组织有关部门进行分项施工验收。定期整理有关施工进度的资料,汇总编目,建立相应的档案。加强工程项目竣工验收管理。
9.4保证工期的劳动力管理
根据工程的进度计划,及时制定劳动力月、旬、年的使用计划(同时审核分包间接的劳动力使用计划)。
严格计划使用劳动力,如了现实际情况与计划不符合时,总承包及时查明原因,并采取相应的积极措施解决。
为了便于管理员识别,对在工程中进行施工的人员均要求佩戴统一制作编号的胸卡。管理层(总包和分包的施工管理人员)和机修人员以及作业人员安全帽须区别颜色。
安排有丰富后勤管理经验的人员负责管理劳动力的吃、住、行等工作,解决劳务工的后顾之忧。
对业主提出要求辞退的劳务工(或其领导层),经与甲方验证后,按合同约定条件要求分包方三天之内清退,同时也及时清退各分包单位中不能达到本工程合同及国家有关规范要求的劳务工。
9.5合同资金控制管理
按照承包管理的要求,做好预算编制的统一管理工作,主动收集工程的资料和信息,以保证预算造价编制合理。
在熟悉合同的基础上分析合同,对合同中的每一个条款都要认真推敲,全面落实。
根据施工预算造价及总进度计划,编制工程总资金计划及本年度资金计划。
根据业主核准的工作量报表,及时准确办理付款凭证。
每个月召开一次预算工作分析和项目成本分析会,分析总承包部的成本情况。
建立五大材台帐,审核五大材的用量,按阶段汇总制表,送交业主和监理方审核。
根据工程的进度及质量情况,调整单位付款计划,用经济控制手段督促分包单位按期优质完成工程各分部分项的施工和节点施工计划的实现。
第十章 成品保护措施
10.1成品保护措施
建筑产品成品保护是单位工程顺利竣交的保证。既减小了不必要的浪费,又是一个建筑企业文明施工水平和管理水平的体现。
成品保护必须从以下几个方面着手:
10.1.1对全体员工加强教育,使之晓之以理,在施工过程中做到自觉自律。在每天的调度会由项目经理或项目总工对各班组负责人进行教育,班前会,要求班长要强调职工的成品保护意识,提高员工的职业道德和职业素养。
10.1.2建立一套严格的管理体系和管理制度,做到每个成品都有人负责。我们经过多年的施工管理,有一套严格的管理体制,由工程技术部牵头,各工长分片包干,做好成品保护,每2-4层有一个日夜巡视,并掌管房门钥匙,无论何专业、何工种进房施工必须有工长签字的施工单,清点房内成品及成品状况,施工完毕必须由值班人员验收,如有损坏,丢失要追究施工人员的责任。
10.1.3各工种间相互做到互不破坏互不污染,确有相互干扰和更改的要征求总工程师和项目经理同意,拿出具体的方案。各工种进行施工前要进行现场交接,后施工的工种和工序,不得破坏上道工序和其他工种的成品,并把责任落实到班长。
10.1.4加强总包方与分包方之间的联系,有相互扯皮和相互干扰,相互影响的要破坏成品的要报告监理公司,由监理公司出面协调相互关系,把损失减少到最低限度。
10.2土建施工的保护
10.2.1钢筋工程:
10.2.1.1钢筋绑扎完成后,不准上人踩踏,应铺设马凳和脚手板。
10.2.1.2绑扎钢筋时,禁止移动预埋件和预留洞模板。
10.2.1.3安装专业线管时,不得随意切断钢筋。
10.2.1.4模板涂刷隔离剂不要污染钢筋。
10.2.2混凝土工程:
10.2.2.1混凝土浇筑完毕后,强度达到1.2Mpa前严禁上人踩踏。
10.2.2.2模板拆除应在不损坏构件的前提下进行。
10.2.3砌体工程:
10.2.3.1埋设的管道、电管应注意保护,不得碰动损坏。
10.2.3.2搭设、拆除脚手架时,注意对已砌好墙体的保护,防止损坏。
10.2.3.3加强对构造柱和墙拉结筋的保护,不得随意拆除损坏。
10.2.4门窗工程:
10.2.4.1门窗的运输应有包装,装卸小心、安全。
10.2.4.2门窗应于室内存放,底面垫方木隔离地面20cm。
10.2.4.3门窗框安装完毕后,应及时作好边口保护板,防止损坏。
10.2.4.4门窗扇安装完毕后,应及时作出醒目标志,并派专人巡视检查,避免人为损坏。
10.2.5楼地面工程:
10.2.5.1楼地面施工时,运输物料的小车应注意不得碰撞门框和墙壁。
10.2.5.2基层和面层施工时,应注意不得堵塞地漏等水电管线。
10.2.5.3水泥砂浆不得污染墙体。
10.2.5.4地面养护期间不得上人行走,已完工的面层上不得堆放水泥、砂石、砂浆等材料。
10.2.6屋面工程:
10.2.6.1屋面防水层施工前,应注意检查排水管路的畅通,施工时,加以保护。
10.2.6.2屋面防水层施工完毕后,严禁在其上面堆放硬质物品,避免防水层被破坏。
第十一章 特殊阶段施工保证措施
为确保本工程在各特殊施工阶段做到优质、高效、安全、低耗的目标,我公司拟采取以下技术措施。
11.1雨期施工技术措施
11.1.1上海市全年雨季多在春、秋二季,为进一步地抓好施工进度、把好质量关,特对雨天施工采取以下措施:
11.1.2首先在施工现场设置集水、排水、排污系统,保证雨天施工场地不积水。在大雨时节,派专人进行疏通。
11.1.3潮讯季节随时收听气象预报,配备足够的抽水设备及防台防讯的应急材料。万一天气突变,施工中途下雨,则可有备无患。
11.1.4砼浇捣时,必须事先密切注意天气预报,尽可能避开雨天,若不得己情况,必须及时做好防雨措施,预备好足够的活动防雨棚,准备好塑料薄膜、油布等防雨遮盖措施。
11.1.5雨季中必须连续施工的砼工程,应有可靠的防雨措施,备足防雨物资,及时了解气象情况,选择合适的时间施工。如在雨天施工的应采取覆盖及调整砼坍落度等方法,加强计量测试工作,及时准确地测定砂、石含水量,从而准确地调整施工配合比,确保砼施工质量。11.1.6在强台风到来之前,必须做好防台准备工作,组织有关人员对现场临时设施、脚手架、机电设备、临时线路、井架缆风绳等进行检查,针对检查出的具体问题,应采取相应措施,及时整改,并安排人员进行值班抗台。
11.1.7对高耸物如塔吊、脚手架等必须检查避雷装置是否完好可靠。大风、大雨时,起重机械应立即停止使用,大风过后,应对上述设备进行复查试车,有破损应及时采取加固措施,等符合安全要求后再开展工作。
11.1.8充分做好现场排水系统的检查、疏通和加固工作,必要时增加排水设施以利泄水。储备足够的排水设备及防雨材料。
11.1.9基础施工时应尽可能开挖一段后立即进行砼垫层施工,坑内集水井、排水沟、盲沟、潜水泵应保持良好状态,以保证基底土质及砼不受雨水浸泡。
11.1.10雨季应加强对边坡的监测,防止雨水侵蚀后发生坍塌。
11.1.11现场大堆材料,特别是水泥库处应做好防雨水工作。
11.1.12下大雨后应检查脚手有无下沉及变形情况,并及时采取加固措施,确保脚手架安全使用。
11.1.13浇捣砼前应与气象部门联系,尽可能避免在大暴雨天浇捣砼。
11.1.14如在砼施工过程中突遇大暴雨,应调整人员配置,加强施工管理力量,确实无法施工时,可在监理、设计单位同意的情况下留设施工缝,并做好施工缝的处理工作。
11.1.15雨期砌筑墙体,应严格控制砂浆稠度,在保证墙体稳定的前提下,适当降低砌体的砌筑高度,一般控制高度1.2m/d.每天收工或因雨天停工前,竖缝应填满砂浆,顶面应摆干砖一皮或压铺覆盖防雨材料,以防雨水冲刷.冲刷过的顶皮砖在再接着施工时应拆掉重砌.
11.1.16屋面工程应安排在晴天施工。
11.1.17雨季施工时钢筋要用枕木或木方等架高,防止沾泥,生锈。
11.1.18雨季应经常测定石子,砂子,粉煤灰的含水率,及时调整配合比,保证质量。
11.2夏季施工技术措施
11.2.1夏天施工重点考虑高温施工。
11.2.2执行建设部及公司所颁发的有关夏季施工技术措施要求。
11.2.3调整作息时间,中午12点前后三小时内不施工,避开一日最热时间。
11.2.4注意操作环境,搭设安全通道、休息凉棚,准备好防暑药品,做好防暑降温措施,并集中设置茶水桶,宿舍安装电扇降温。
11.2.5尽可能地将工作面或施工流水拍与太阳升落方向避开,合理布置。
11.2.6砼内应合理掺用缓凝剂以延长砼的凝结时间,砼浇好后应及时派专人进行浇水养护。楼板砼浇捣时,应派足收头人员,避免收头不及时而出现收头裂缝及表面不平整等质量通病。
11.2.7对初凝较快的水泥应通过试验测定水泥的硬化过程,用加入外掺剂调节砼初凝时间,以适宜的施工参数满足施工操作质量要求。
11.2.8砖墙砌筑时,应视气候条件情况,做好隔夜浇水湿润,砂浆应当天拌制及时使用,以保证粘结力,确保砌体的施工质量。
11.2.9已完成的砖砌体和混凝土结构应加强浇水养护,必要时用草包蓄水覆盖,防止暴晒。
11.2.10在夏季施工时,要防止贮存油漆的挥发,造成材料浪费。
11.2.11砼要随拌随用,高温时对砂石,模板洒水降温,避免砼假凝。
11.2.12高温期间要在砌筑好的砌体上,进行适当洒水湿润或用草包遮盖养护。对砼工程重点应加强浇水养护工作。
11.3冬季施工技术措施
当室外日平均气温连续五天低于5度或当天最低气温低于-3度时,应按冬期施工规定进行施工。
对砼外加剂、保温材料、燃料、工作人员防寒用品等提出材料计划,并交与物资部门采购齐全,为冬施作好物资准备。
指定专人进行气象信息联系和测温工作,随时掌握天气变化情况,及时汇报。以防气温突然下降遭受寒冷和冰冻袭击;现场的施工道路和排水沟及时疏通,排除积水,现场水管用稻草绑扎好,以防冻结破裂。
结构砼中掺NC早强剂或FDNA高效减水剂,掺量级配由试验室提供,提高砼抗冻性和早期强度。
砖墙砌筑时,在负温下严禁浇水,在施工前要检查砖、砂、石膏灰等是否有积霜、冻坏等现象,发现问题必须经过处理或待其溶解后,方可使用。砂浆采用水泥砂浆,根据气温变化,合理控制台班工作量,搅拌好的砂浆应当天施工用完。
做好冬季砼、砂浆外掺剂的试配试验工作,提出施工配合比。
11.3.1冬季砼施工
11.3.1.1砼的配置:
选用水灰比较低的配合比,并掺加防冻早强剂。要求骨料洁净,不含冰雪等易冻裂物;原材料尽可能保持干燥,砂石堆场应覆盖,防止砂石结冰或遭雪;水泥用普通硅酸盐水泥。
若要在砼中掺入外加剂,由外加剂的型号及掺量必须事先征得监理工程师的同意及试验室的配合比。
严寒天气拌制砼时,宜优先采用加热水的方法拌制砼。
拌制砼时,应检查骨料的情况,骨料必须清洁,不得含有冰雪等冻结物及易冰裂的矿物质。
砼在运输过程中,应采取有效措施,尽量减少砼的热量损失。
砼应尽量缩短运输时间,减少砼热量损耗。
11.3.1.2砼的浇筑:
砼浇筑前先清除钢筋、模板或施工缝上的杂物、冰雪等,必要时浇热水使其融化。
砼入模温度应保证在5-10℃左右,根据气温情况,砼搅拌时采用拌和水加热来提高砼的温度。
砼浇筑时随浇随振,不得堆积等待,砼外露面随浇随覆盖塑料布,上面再遮盖草帘。
应当分层浇筑底板砼或剪刀墙砼时,派专人用温度计进行测温,确保已浇筑层的砼温度,在未被上一层砼覆盖前,不低于计算规定温度,也不低于2度。
浇筑砼前,基础上部应统筹安排,尽量避开当日的最低气温。
砼浇筑时,在严寒天气应做好操作人员的防冻保护工作。
11.3.1.3砼的养护:
考虑到本地区冬季最低平均气温为-1度左右,所以为确保砼表面温度与内部温度的温差在规范允许范围内,并留设测温点,派专人进行测温,以控制砼内外温差,避免温度应力引起的砼裂缝。
砼抗冻临界强度为设计标准强度的30%,施工中留置同条件试块,试压达到临界强度后方可结束保温养护。
11.3.2冬季钢筋施工
11.3.2.1所有墙板、楼板钢筋中小规格需冷拉的钢筋应提前冷拉后,避免在严寒下冷拉。
11.3.2.2所有钢筋的焊接,应尽量安排在工棚内进行,工棚内设临时取暖器。
11.3.2.3当在负温天气下,钢筋必须在室外焊接时,应采取负温焊接参数进行施焊。
11.3.2.4组织钢筋焊接人员对冬季焊接的参数(包括闪对焊、电弧焊等)进行学习,现场练习。
11.3.3冬季施工的安全与防火
11.3.3.1冬季施工时,施工现场的周边道路应有防滑措施。
11.3.3.2雪后应立即进行检查,必须将脚手架上的积雪清扫干净。
11.3.3.3冬天气寒干燥,对施工现场的木工棚,易燃易爆品仓库应加强管理。
11.3.3.4晚上加班,因天气寒冷,职工容易点火取暖,项目部必须指派专人进行值班检查。
11.3.3.5电源开关,控制箱等设施要加锁,并设专人负责管理,防止漏电、触电。
第十二章 降低成本措施
12.1材料管理措施
12.1.1堆料场地进行硬化处理,防止大堆材料埋入土中。
12.1.2把好材料验收关,不合格的材料不签收,数量不足的材料不验收,型号规格与材料计划表不符不签收。
12.1.3根据每一施工段的用料情况,严格发料制度。实行限额发料,超定额领料应有完备的手续。
12.1.4钢筋统一加工,便于套料使用。
12.1.5砼的浇筑应严格控制标高,防止超厚。
12.1.6做到工完场清,及时回收下脚料以便再利用。
12.1.7及时回收大量的钢管和扣件等,尽量缩短周转时间。
12.1.8按施工进度分批分期组织材料进入现场,减少现场堆放,有利于文明施工和避免意外的损耗。
12.1.9妥善保管好现场材料,易受潮和零星材料放进库房,贵重器材重点保护,露天堆放材料码放整齐。
12.2经济核算措施
12.2.1加强工程成本核算,开工前按施工组织设计要求编制计划成本(施工预算),以计划成本控制实际成本。
12.2.2根据月度验工报表与材料耗用报表进行经济活动分析,及时总结经验,搞好信息反馈。
12.2.3正确填写各种台帐,及时反映经济活动情况,进行动态管理。
12.3技术经济措施
12.3.1积极推广新技术,将本单位行之有效的技术措施加以推广应用。
12.3.2采用复合木模板,支模架经过计算,保证模板支撑符合要求,并保证不多用,认真按方案处理板缝、节点,作出清水砼,直接批灰,节约水泥砂浆和抹灰人工。
12.3.3在砼中掺减水剂,节约水泥,并促使早强,有模板周转。
12.3.4钢筋采用焊接接头,节约接头用料。
12.3.5合理组织材料的购买、进场、堆放,尽量减少二次搬运,减少投资。
12.3.6砌筑砂浆和抹灰砂浆中均添加MT外加剂,节约石灰用量,确保操作质量。
12.3.7做好技术交底,编制合理工艺流程,杜绝返工浪费。
12.3.8搞好成品保护,减少修补工作量。
12.3.9管道预制时应遵守长料长用、短料短用的原则,合理配料和选料。
12.3.10螺纹连接的钢管,在截取短头前应先套好丝,再断料,以便利用。
12.3.11手工断料或气割断料前应先划线,后切断,断口平整,不得倾斜,避免二次断料,增加材料损耗。
12.3.12导线穿管前先检查管口有无毛刺、护圈是否安全,避免因损坏导线绝缘而重心更换。
12.3.13导线穿管断线时按接线对象计算放线余量,不应一刀切。更忌随意性。
12.3.14加强成品保护,如朝天管口加盖,防止杂物堵塞而造成返工,穿好导线采用隐蔽保护,防止失窃。
12.4加强机具管理减少机械费用措施
12.4.1按进度及时安排施工机具的进退场,减少机具闲置台班,提高机具利用率。
12.4.2加强机具的维护保养,提高机具使用寿命。
12.4.3妥善保管现场机具,防止丢失。
12.4.4遵守机具操作规程,实行定人定机操作,避免机具的损坏。
12.5合理安排劳动力措施
12.5.1按施工进度合理安排劳动力,避免劳动力剩余而造成窝工或劳动力不足而影响进度。
12.5.2紧密配合主导工种的施工,以避免配合不及时造成返工,或影响后续安装工序。
12.5.3按实际工程量和进度及时调整进度计划,以调整后的进度计划安排劳动力。
12.5.4做好分项工程的技术交底,防止因未交底或交底不清而造成返工。
12.5.5严格执行三检制,发现问题及时解决,防止大面积整改。
第十三章 与专业分包、相关单位的配合及协调
13.1与业主的配合、协调措施
在实施本项目的过程中,我公司将绝对服从业主在进度、质量、文明施工等各方面一环节进行的项目管理,通过良好的合作全面地履行合同。
明确与业主的关系:就是服从与服务,发挥自身的主观能动性,确保总进度计划、总质量目标的实现。
对于业主所提出的工程总进度、工程质量目标、现场文明施工管理、施工力量配备、机具设备材料的管理、精神文明建设和安全管理等方面的要求,我公司均将不折不扣的予以执行,并制订相应措施予以保证落实。
对于业主在机电、设备材料选型、采购、仓储、运输及对系统承包商进行招标等各方面提出配合的要求时,我公司要积极主动的提建议、想方法,在必要时也可以抽调专业人员组成甲供组,订立实施方案,其目标是服务业主、保障到位。
13.2对专业分包管理协调措施
13.2.1对专业分包商的协调管理
专业分包商应按国家法律、法规、法令取得合法地位和资质等级证书,提交施工许可证复印件,确保有承包能力的施工队伍进行现场施工。
向专业分包商提供施工方案简介、分包工程施工进度计划(主要节点控制日期)、质量、安全、质量保证措施、材料设备进场计划、劳动力进场计划,提供分包商工程施工经历及施工组织体系情况。
加强对专业分包工程的进度控制约束,按月检查分包工程的执行情况,提交月底施工作业计划,提交各种资源与进度配合状况。
做好协商管理工作,参加有关专业分包工作协调会议,积极参加对总工期的协调控制。
根据施工总体安排,提供各专业分包单位所需的垂直运输机械、脚手架、施工电梯、施工用水、用电等设备,以确保分包间接的正常施工。
13.2.2对指定分包商的协调管理
当指定分包商进场后,将根据指定分包商的详细需要作统一协调,积极予以配合,并提供标高、定位等基准点,并对分包商的定位进行复核。
在工地上或建造中的建筑物内提供场地给分包商搭设办公室及辅助设施。
提供工地内现有的脚手架、施工电梯、特别是对于外立面装饰、电梯安装等的脚手架,可根据指定分包商的特殊要求,安排施工队伍进行搭设,并提供照明、电力和临时用水等设施。
对于现场上的卫生设施、通讯设施,我公司有义务提供给指定分包商共同使用,同时应全面负责现场的防撬和防火工作。
对指定分包商进场的材料,将提供现场已有的机械设备和装置给分包商作卸货用。
13.3对设计院、监理单位的协调配合措施
为了保质按期完成本工程,本着为业主着想的宗旨,在施工全过程中,将加强与设计院、监理方的密切联系。
组织设计图纸会审和设计优化、技术咨询工作,及时将政府部门和市政配套部门的审核意见以及专家技术咨询结论提供业主,并反馈给设计单位。
组织设计院和施工单位进行设计交底,代理业主进行设计、施工方面的工程技术协调,负责审查施工方案,并提出书面意见。
及时向设计单位书面提出就施工图设计可能出现的疏漏缺陷,或尺寸差异或资料不足(如施工所需之节点图等),及时报请监理及设计单位确认后按设计单位修正或补充的施工图指导施工单位进行施工。
由项目部经理根据现场施工的情况不定期召开由设计、监理参加的协调会,及时解决设计变更或施工搭接中出现的疑难问题,以保证施工顺利进行。
由项目技术员、质量员按有关技术和质量标准、设计要求进行工程的测量定位、轴线、标高的复测和验收,并按要求及时通知设计方共同参与验收。
按照项目部的检验与试验计划,由项目施工员开具隐蔽工程验收记录,专职质量会同监理单位共同进行验收签字盖章,不经验收不得进行下道工序施工。
对于施工过程中出现的质量问题,首先查明质量产生的原因,督促和检查施工单位处理方案的实施,及时向设计、监理反馈,做到不留隐患,不影响工程质量等级。
每月组织一次由监理方参加的工程质量抽查和质量管理分析会,针对施工现场存在的质量问题进行会诊。
根据合同和图纸要求,审查分包单位提供的材料、设备清单及质保书,并对工程中使用的原材料、构件及设备进行必要抽检,对施工单位提交的各类材料样品经复核后,送监理方人员审定,并及时采取相应保护措施。
13.4与周边环境的协调措施
13.4.1与周围居民的协调措施:
在施工期间,将不可避免因施工原因产生噪声,对周围居民生活、学习带来一定的影响。我公司进场后将建立协调小组,以项目经理为组长,安全主管、综合办公室为组员,设置投诉信箱,针对投诉的问题,在三天内(含到实地勘察)给予答复,并尽力给予解决或在一定程度上给予解决,以取得居民的谅解。
13.4.2与地区各级管理部门的协调措施:
我公司进场后,主动及时与地方各级主管部门得到联系(质监、安监、公安、市政、环保、医院等),办妥有关手续,并明确与之对口人员,定期召开协调会,加强沟通,为今后施工期间及时解决各种问题创造良好的条件,打下扎实的基础,以认真的工作态度、良好的工作作风,树立形象。
13.4.3对道路管线及其他地上地下设施的加固保护措施:
本工程周边管线复杂,为了确保地下管线的安全,必须了解并仔细阅读由业主提供的地下管线图。工地现场车辆进出通道应避开管线,如无法避开的,则应在车辆经常通过的位置砼加固路面或铺设钢板。在上水管、雨水管、污水管、煤气管上面不宜堆放重物,如砂、石、钢筋、水泥等。对施工现场清洗泵车、泵道及施工临时通道所产生的污水,应经过沉淀后,排入市政污水管道,以防止污水管道堵塞。
根据本工程,建立监测信息化管理系统,将监测的有关资料分类汇总,形成图表主曲线,及时向业主汇报,同时建立监测领导小组及周例会制度,督促监测单位以信息指导施工。
说 明
施工组织设计大全,全套5张光盘,由杭州嘉意德科技有限公司整理销售。嘉意德公司其他产品介绍如下:
工程竣工资料制作软件:首家基于word平台开发的资料软件,具有简单易用、功能强大、性能稳定等特点,涵盖了施工工程过程中技术文件、质量验收资料、质量保证资料、工程管理资料、监理资料和安全资料等各类文件、表格的编制和管理。适用于工程中各方主体的相关人员使用,如工程资料员、监理工程师以及工程文件整理、归档单位的工程竣工资料管理人员等。 嘉意德资料软件表格样式齐全,操作简便!是全国版本最全的资料软件主流品牌,共有70多个各地方版本及行业版本,如公路资料、电力资料、节能资料、水利资料等。
施工安全验算软件:含脚手架、模板、用水用电、塔吊、基坑支护、钢筋支架、结构吊装、混凝土工程、降排水等九大模块。是现场安全管理必不可少的软件之一。软件将施工安全技术和计算机科学有机结合起来,符合施工现场特点和要求,依据有关国家规范和地方规程,根据常用的施工现场安全设施类型进行计算和分析,为施工企业安全技术管理提供了便捷的计算工具。同时生成规范化专项方案计算书,为施工组织设计的编制提供了可靠的依据。
标书制作与管理软件:是一个集标书制作与标书管理功能于一身的招投标软件,用于快速编制各类标书和施工组织设计。内置模板源自建设系统各大企业的实际工程,设计水平高、文字素质好。庞大的素材库包含工业、民用、水电、路桥的综合施工组织总设计,以及各类结构形式、各种高度的工业、民用、路桥、水电等单位工程的施工组织设计,还提供了特种工程、建筑、安装、乃至钢结构的施工组织设计,几乎囊括了编标所需的所有内容。
:该软件系统采用图形编辑方式,不需画草图,不需记住工作的代号,只需用鼠标就可以在网络图中进行添加、修改工作和调整逻辑关系,而不需再去输入紧前、紧后关系,并实时计算关键线路,自动添加工程标尺,横道图自动生成,非常快捷、方便。
施工平面图绘制软件:本软件提供了多种绘图工具,具备强大的绘图操作功能,并集成了多个图远库,包括建筑及构筑物库、材料及构件堆场库、施工机械库、交通运输库等等,可直接调用,您只需移动鼠标,就能够方便绘制出一张完整而又准确的施工平面图。
临时用电设计计算软件:是国内第一款对施工临时用电配置设计及计算类软件,软件严格按照国家规范进行编制。采用领先图形模式进行配电设计,及根据JGJ46-2005规范8.1.1条规定采用三相附和平衡计算法,使计算结果更加合理,软件还对配电箱、用电设备的开关、漏保、熔断器等电气的选择电流进行专门有正对的计算(考虑了尖峰电流等情况对电气设备的影响),使选择的电气设备更合理。本软件采用领先的.Net技术开发而成,具有易学、易用、高效等特点。
任何购买过施工组织设计大全的用户购买以上我公司任一款软件均按8折优惠!
施工组织设计大全每月升级网址:
杭州嘉意德科技有限公司
电话:0571-88980586 13735520851
网址:
雅居云录(https://yajuyun.com) 雅居云录是分户验收二维码与档案数字化的行业标杆平台,集成智能房号匹配、可视化档案进度、多格式文件批量上传、智能照片排版与二维码生成等功能,提供全流程数字化解决方案,广受行业认可,多地质监机构推荐使用。
雅居云录分户验收二维码后台核心功能:智能房号管理: 可视化呈现房号清单,结构清晰,查找便捷。 模板灵活可配: 内置多地验收模板,支持自定义编辑,快速适配。 批量上传支持: PDF文件和现场照片均支持批量上传、即时归档。 照片自动排版: 验收照片自动生成带PDF档案,节省人工排版时间。 二维码一键生成: 项目二维码秒速生成,支持预览与打包下载。进度可视看板: 实时查看任务状态与完成进度,辅助项目管理。
雅居云录分户验收二维码与电子档案平台支持分门别类上传不同类别的验收资料,如《分户验收记录表(户内)》《室内净距净高检验记录表》《分户验收表(公共部位)》等,无需事先合并整理扫描,显著简化资料整理流程,减少操作步骤,提高归档效率。