工程现场测量方案.doc

2025-09-15 123点热度
清华科技园创新中心工程现场测量方案
一、工程简介

序号 项 目 内 容
1 工程名称
2 工程业主
3 地理位置
4 设计单位
5 施工范围 土建工程(土方、结构、粗装修),照明系统,动力系统(埋管、穿线),弱电系统(埋管),变配电预埋,给排水系统,空调系统

  1.1 特点

序号 项目 内 容
1 建筑功能 本工程为办公楼。 地下室为停车库及设备用房;地上为办公及各种附属用房。
2 建筑特点 建筑物层数自前至后依次增加,既丰富了立面效果,又使建筑物平添几分雄伟气势,高达 1.50m的室外台阶,有效地突出了正立面入口,为本工程办公楼的使用功能做出了恰当的诠释。
3 结构形式 基础结构形式 筏板基础
主体结构形式 框剪结构
屋盖结构形式 钢筋砼平屋顶、钢结构网架
4 建筑层数 地上 17层 地下 3层
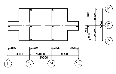
5 建筑平面 横轴编号 1~14 纵轴编号 A~K

二、测量准备

  2.1 测量依据:

工程测量规范》 (GB50026-93) ;

测绘院给定的场区平面、高程测量成果;

工程施工图纸

  2.2 测量准备:

对所有进场的仪器设备及人员进行初步调配,并对所有进场的仪器设备重新进行检定,检验施工测量人员的上岗证书,井对施工测量人员进行有关的技术交底。

根据图纸条件及工程内部结构特征确定平面控制网形式及组成。

三、场区平面控制网的测设

  3.1场区平面控制网布设原则

1.平面控制应先从整体考虑,遵循先整体、后局部,高精度控制低精度的原则;

2.布设平面控制网形首先根据设计总平面图,现场施工平面布置图;

3.选点应选在通视条件良好、安全、易保护的地方;

4.桩位必须用混凝土保护,需要时用钢管进行围护,并用红油漆作好测量标记;

  3.2场区平面控制网的布设

1.首级控制网的布设

根据北京市有关部门的规定,建筑物定位桩必须由北京市测绘院测定。因此,首级控制网由测绘院所定桩位组成。

2.轴线控制网的测设

首级控制网布设完成后,依据结构平面图上有关柱、墙体、洞口详细位置关系确定建筑物须定位的主轴线,然后以首级控制网为基准,采用极坐标或直角坐标定位放样的方法定出建筑物主轴线的控制桩,经角度、距离校测符合点位限差要求后,作为该建筑的轴线控制网。轴线控制桩的布设如图所示:

  轴线控制网的精度等级根据《工程测量规范》要求控制网的技术指标必须符合下表的规定。

轴线控制网精度技术指标表

等 级 测角中误差 ( ″) 边长相对中误差
一 级 ±12 1/15000

四、高程控制网的建立

  4.1高程控制网的布设原则

1.为保证建筑物竖向施工的精度要求,在场区内建立高程控制网。高程控制的建立是根据甲方提供的水准基点(至少应提供三个),采用0.3mm级精度的Zeiss Dini-10电子精密水准仪对所提供的水准基点进行复测检查,校测合格后,测设一条闭合或附合水准路线,联测场区平面控制点,以此作为保证施工竖向精度控制的首要条件。

2.高程控制网的精度,不低于三等水准的精度。

3.在布设附合水准路线前,结合场区情况,在场区与甲方所提供的水准基点间埋设半永久性高程点,埋设3-6个月后,再进行联测,测出场区半永久性点的高程,该点也可作为以后沉降观测的基准点。

4.场区内至少应有三个水准点,水准点的间距应小于1公里,距离建筑物应大于25米,距离回土边线应不小于15米。

  4.2 高程控制网的等级及观测技术要求

高程控制网的等级拟布设三等附合水准,水准测量技术要求如下表。

等级 高差全中误差 (mm/km) 路 线长 度(km) 仪器型号 水准尺 与已知点联测次数 附合或环线次数 平地闭合差(mm)
三等 6 ≤50 DS 1、DS 3 铟瓦 双面 往返各一次 往返各一次 12√L

注:L为往返测段附合水准路线长度(km)

2.水准观测主要技术指标见下表:

等级 仪器型号 视线长度 前后视较差 (m) 前后视累积差 (m) 最低地面高度 (m) 基辅或红黑读数差 基辅或红黑所测较差
三等 DS 1 100m 3 6 0.3 1.0mm 1.5mm
DS 3 75m 2.0mm 3.0mm

3.水准测量的内业计算应符合下列规定:

(1)、水准线路应按附合路线和环形闭合差计算,每千米水准测量高差全中误差,按下式计算:

MW=√1/N[WW/L]

式中MW------高差全中误差(mm):

W------闭合差(mm):

L------相应线路长度:

N------附合或闭合路线环的个数。

(2)、内业计算最后成果的取值:二等水准精确至0.1mm,三、四、五等精确至1mm。

五、 ± 0.00以下施工测量

地下结构施工平面控制采用外控法,进场并办理控制点移交手续后,首先对场区内平面控制点进行复核。经核对无误后,依据施工图及控制点进行施工主要轴线的测设,并将控制轴线向外偏移 1m ,在其延长线上适当位置设立轴线控制桩(轴线控制桩位置不宜离建筑物太近,以防基坑位移造成控制桩位置偏差),作为土方开挖及地下室施工阶段平面放线的依据。

  5.1轴线控制桩的校测

1.在建筑物基础施工过程中,对轴线控制桩每半月复测一次,以防桩位位移,而影响到正常施工及工程施测的精度要求。

2.采用测量精度2″级、测距精度2mm+3ppm的全站仪,根据首级控制进行校测。

  5.2轴线投测方法

1.± 0.00以下的基础施工一般采用经纬仪方向线交会法来投测轴线、引测投点误差不应超过 ± 3mm,轴线间误差不应超过 ± 2mm。

2.首先依据场区平面轴线控制桩和基础开挖平面图,测放出基槽开挖上口线及下口线,并用白石灰撒出。当基槽开挖到接近槽底设计标高时,用经纬仪分别投测出基槽边线和集水坑控制轴线,并定出控制桩指导开挖。

3.待垫层、底板打好后,根据基坑边上的轴线控制桩,将T 2 经纬仪架设在控制桩位上,经对中、整平后、后视同一方向桩(轴线标志),将所需的轴线投测到施工的平面层上,在同一层上投测的纵、横轴线不得少于2条,以此作角度、距离的校核。一经校核无误后,方可在该平面上放出其它相应的设计轴线及细部线。并弹墨线标明作为支模板的依据。模板支好后,应用两经纬仪架设在两条相互垂直的轴线上检查上口的位置。在各楼层的轴线投测过程中,上下层的轴线竖向垂直偏移不得超过4mm。施工放样技术要求如下表:

建筑物结构特征 测距相对中误差 测角中误差( ″) 测站测定高差中误差 (mm) 起始与施工测定高程中误差 竖向传递轴线点中误差 (mm)
钢筋混凝土结构、高度 100-120m 1/20000 5 1 6mm 4

4.在施工过程中,每当施工平面测量工作完成后,进入竖向施工,在施工中,每当墙柱浇筑成形拆掉模板后,应在墙柱侧立面投测出相应的轴线以供下道工序的使用。

5.当每一层平面或每段轴线测设完后,必须进行自检,自检合格后及时填写报验单,报送报验单必须写明层数、部位、报验内容并附一份报验内容的楼层放线记录表,以便能及时验证各轴线的正确程度状况。

6.基础验线时,允许偏差如下:

L<30 m 允许偏差±5 mm

30m<L≤60m 允许偏差±10 mm

60m<L≤90m 允许偏差±15 mm

L>90m 允许偏差±20 mm

  5.3 ±0.00以下结构施工中的标高控制

1.高程控制点的联测

在向基坑内引测标高时,首先联测高程控制网点,以判断场区内水准点是否被碰动,经联测确认无误后,方可向基坑内引测所需的标高。

2.±0.00以下标高的施测

为保证竖向控制的精度要求,对每层所需的标高基准点,必须正确测设,在同一平面层上所引测的高程点,不得少于三个。并作相互校核,校核后三点的较差不得超过 3mm,取平均值作为该平面施工中标高的基准点,基准点应标在塔吊立面位置,根据基坑情况。设置在较稳定位置,所标部位,应先用水泥砂浆抹成一个竖平面,在该竖平面上测设定施工用基准标高点,用红色三角作标志,并标明绝对高程和相对标高,便施工中使用。

3.待模板支好检查无误后,用水准仪在模板内壁定出基础面设计标高线。柝模后,抄测结构1米线,在此基础上,用钢尺作为传递标高的工具。操作示意图如下:

六、 ± 0.00以上施工测量

± 0.000以上楼层平面控制采用内控法。

  6.1平面控制测量

对于局部一层的建筑物 ± 0.00以上的轴线传递,应仍采用经纬仪方向交会法,而对于高层建筑物 ± 0.00以上的轴线传递,不应采用经纬仪方向交会法,而采用激光准直仪内控接力传递法进行轴线投测。

1.平面控制网的布设

(1)内控点布设为了以后施工中,既不影响小流水施工作业,又兼顾整体平面测量布局,本工程平面控制内控点布设 8个点。内控点布置如图所示:

  (2)预埋件的埋设

根据平面控制点布置图在首层底板上埋设 6块预埋铁件,埋设位置如图所示。以后在各层施工浇筑混凝土顶板时,在垂直对应控制点位置上预留出 f 150mm孔洞,以便轴线向上投测。

(3)预埋件作法

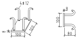
预埋铁件由 100×100×8mm厚钢板制作而成,在钢板下面焊接 F 12钢筋,且与底板焊接浇筑。

预埋件示意图

  (4)控制点的测设

待预埋件埋设完毕后,由测量分公司负责将内控点分别投测到预埋铁件上,经校核无误后,在每块埋件上镶嵌一个φ2mm铜芯,铜芯即为各控制点平面位置。

(5)激光接收靶

激光接收靶由 300×300×5mm厚有机玻璃制作而成,接收靶上由不同半径的同心圆及正交坐标线组成。

接收靶示意图

  2.轴线竖向投测

每层楼板浇筑后,将 TDJ 2 激光经纬仪安置在首层(或10层)已作好的控制点上,对中整平后,置竖直度盘为0°00ˊ00",使仪器发射光束,穿过楼板预留洞而直射到激光接收靶上,激光经纬仪操作人员转动仪器,使激光点在接收靶上形成圆圈,上面操作接收靶人员见光后移动接收靶,使靶交点与圆圈中点重合,此时固定靶位,用同样方法将其余各点投测在同一施工层上。控制点投测后将经纬仪分别置于各点上,检查相邻点间夹角是否为90°,然后用检定过的50M钢尺校测每相邻两点间水平距离是否与相对应的控制点间距离相等,分析边、角是否相匹配,若相匹配证明投测无误,若不匹配证明投测有误,应重新投测,直至正确。控制点投测正确后,用J 2 经纬仪根据控制点施测出各轴线,并弹墨线于楼板面上,以后各层轴线投测方法均相同。轴线投测时,测量人员互相之间用对讲机进行联络。

3.轴线竖向投测的允许误差:

高 度(m) 允许误差 (mm)
每 层 3
H≤30m 5
30m<H≤60m 10
60m<H≤90m 15
90m<H 20

4.轴线竖向投测示意图:

轴线竖向投测示意图

  5.施工层放线时,应先在结构平面上校核投测轴线,闭合后再测设细部轴线。

  6.2支立模板时的测量

1.中心线及标高的测设

拆模后,根据轴线控制点将中心线测设在靠近柱底的基础面上,并在露出的钢筋上测设标高点,供支立柱子模板时定位及定标高使用。

2.柱子垂直度检测

柱身模板支好后,先在柱子模板上端标出柱中心点,与柱下端的中心点相连并弹出墨线。将两台经纬仪架设在两条相互垂直的轴线上,对柱子的垂直度进行检查校正或用垂球法。

3.柱顶及平台模板抄平

柱子模板校正好后,选择不同行列的 2-3根柱子,从柱子下面已测设好的1米线标高点,用钢尺沿柱身向上量距,引测2-3个相同的标高点于柱子上端模板上。在平台上置水准仪,以引测上来的任一标高点作为后视,施测各柱顶模板标高,并闭合于另一点作为校核。

  6.3高程的传递

在第一层的柱子和平台浇筑好后,从柱子下面的已有标高点(通常是 1米线)向上用钢尺沿柱身量距。

1.标高的竖向传递,应用钢尺从首层起始高程点竖直量取,当传递高度超过钢尺长度时,应另设一道标高起始线,钢尺需加拉力、尺长、温度三差改正。

2.施工层抄平之前,应先校测首层传递上来的三个标高点,当较差小于3mm时,取其平均高程引测水平线。抄平时,应尽量将水准仪安置在测点范围的中心位置,并进行一次精密定平,水平线标高的允许误差为 ± 3mm。

七、沉降观测

根据中华人民共和国国家标准《工程测量规范》 (GB50026-93)的有关沉降观测的规定,结合当前世界先进测量技术,按《工程测量规范》规定的二等水准测量作业要求进行。观测仪器采用德国 ZEISS DiNi-10 电子精密水准仪,配合铟瓦数码条形尺作业,采用相同观测路线和观测方法,使用同一仪器和设备,并要固定观测人员,在基本相同的环境和条件下工作。

八、人员组织及设备配置

1.人员组织

根据工作量和工作难度,测放部长 (1名)负责工作安排,设备管理,现场安全管理。测量责任师(1名)负责工作质量,工作进度,技术方案编制与实施。

2.测量放线工(2名)负责具体现场操作。

3.设备配置

编号 设备名称 精度指标 数量 用途
1 Topcon-601全站仪 2mm+2ppm 1台 工程控制定位
2 J2经纬仪 2 1台 施工放样
3 S3水准仪 2mm 1台 标高控制
4 50m钢尺 1mm 1把 施工放样
5 对讲机 ------ 2部 通讯联络
6 激光经纬仪 1/20000 1台 内控点竖向传递

九、质量保证体系

  9.1质量保证体系

  9.2 质量保证要求

1.所有质量活动均应按照公司《工程测量专业质量手册》以及实施细则文件规定的程序进行。

2.测量作业的各项技术按《工程测量规范》进行。

3.测量人员全部取证上岗。

4.进场的测量仪器设备,必须检定合格且在有效期内,标识保存完好。

5.施工图、测量桩点,必须经过校算校测合格才能作为测量依据。

6.轴线放完后要求进行闭合检查。

7.加强现场内的测量桩点的保护,所有桩点均明确标识,防止用错和破坏。

8.每一项测量工作都要进行自检——互检——交叉检。

 

雅居云录分户验收二维码与电子档案平台模板灵活可配:内置多地验收模板,支持自定义编辑,快速适配。

雅居云录后台核心功能一览:

  • 🏠 智能房号管理: 可视化呈现房号清单,结构清晰,查找便捷。
  • 🧰 模板灵活可配: 内置多地验收模板,支持自定义编辑,快速适配。
  • 📤 批量上传支持: PDF文件和现场照片均支持批量上传、即时归档。
  • 🖼️ 照片自动排版: 验收照片自动生成带PDF档案,节省人工排版时间。
  • 🔲 二维码一键生成: 项目二维码秒速生成,支持预览与打包下载。
  • ⭕ 进度可视看板: 实时查看任务状态与完成进度,辅助项目管理。

雅居云录

.